| # | Part | Description | Price | Req | Notes | Availability |
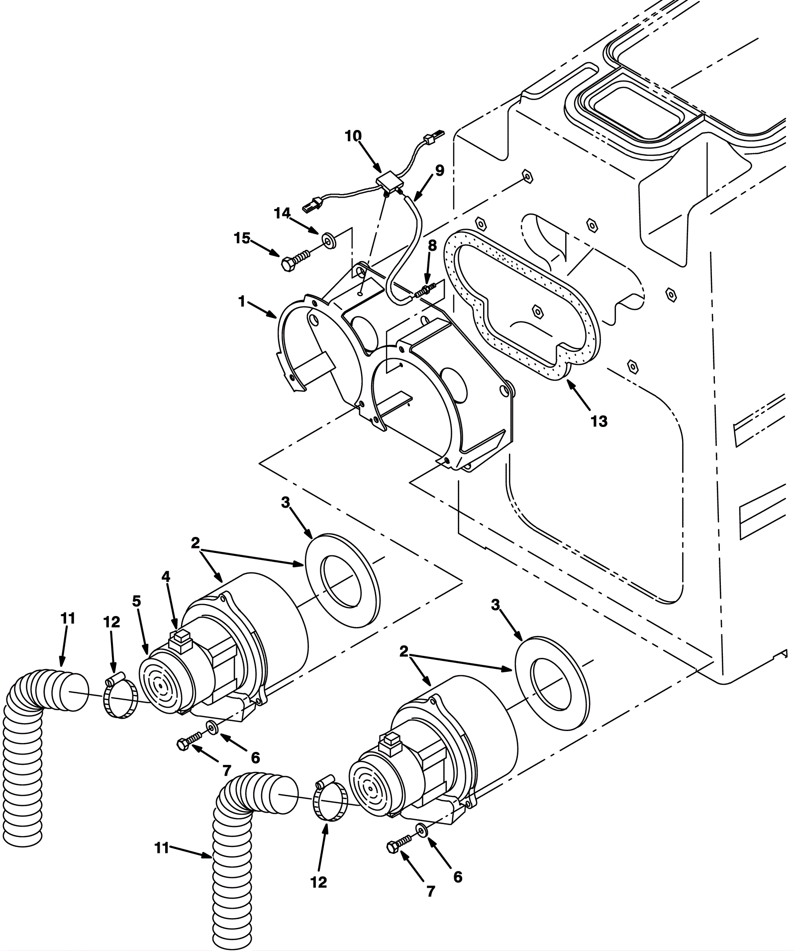
1a |
175-0710
|
BRACKET WLDT, MTG, FAN (Tennant Industrial) |
$395.58
|
1 |
(before SN 004672) |
usually ships 1-5 days |
1b |
275-9316
|
Mounting fan bracket weldment (iron gray) (Tennant Industri |
$355.57
|
1 |
(after SN 004671) |
usually ships 1-5 days |
2a |
275-5200
|
36V 3 stage vacuum motor kit |
$361.24
|
2 |
(before SN 003390) (includes item 3) |
usually ships 3-26 days |
2b |
275-5200
|
36V 3 stage vacuum motor kit |
$361.24
|
2 |
(after SN 003389 and before SN 004672) (includes item 3) |
usually ships 3-26 days |
2c |
275-5200
|
36V 3 stage vacuum motor kit |
$361.24
|
1 |
(after SN 004671) (includes 3-5) |
usually ships 3-26 days |
3a |
164-0881
|
Vacuum motor gasket |
$15.64
|
1 |
(after SN 004671) |
ships same day |
3b |
991-3029
|
Vacuum motor gasket |
$2.80
|
1 |
(NON-OEM) |
ships same day |
4 |
275-5816
|
Carbon brush kit (pkg of 2) |
$33.11
|
1 |
(after SN 004671) |
usually ships 10-13 days |
5 |
175-6954
|
Cooling fan cover |
$20.46
|
1 |
(after SN 004671) |
usually ships 10-13 days |
6 |
999-0016
|
Washer 1/4 flat plain finish |
$0.99
|
6 |
|
ships same day |
7 |
999-0502
|
Bolt M6-1 x 20mm hex head full thread zinc |
$0.99
|
6 |
|
ships same day |
8 |
175-3366
|
Fitting |
$5.28
|
1 |
|
usually ships 10-13 days |
9 |
175-0698
|
HOSE, VACUUM, 0.16ID X 006.0L (Tennant Industrial) |
$19.17
|
1 |
|
usually ships 10-13 days |
10 |
175-0711
|
SWITCH, VACUUM, DUAL LEVEL (Tennant Industrial) |
$267.89
|
1 |
|
usually ships 1-5 days |
11 |
175-0712
|
HOSE, EXHAUST, VACFAN, 2.0ID, 47.0L (Tennant Industrial) |
$76.85
|
2 |
|
usually ships 1-5 days |
12 |
997-2003
|
Hose clamp |
$2.66
|
2 |
|
ships same day |
13 |
175-0713
|
GASKET, MTG, FAN, .31TH, NEO, ADH (Tennant Industrial) |
$30.84
|
1 |
|
usually ships 1-5 days |
14 |
175-2367
|
Steel plated washer |
$3.96
|
6 |
|
usually ships 1-5 days |
15 |
999-0784
|
Screw M8-1.25 x 16mm hex head stainless steel |
$1.74
|
6 |
|
ships same day |