| # | Part | Description | Price | Req | Notes | Availability |
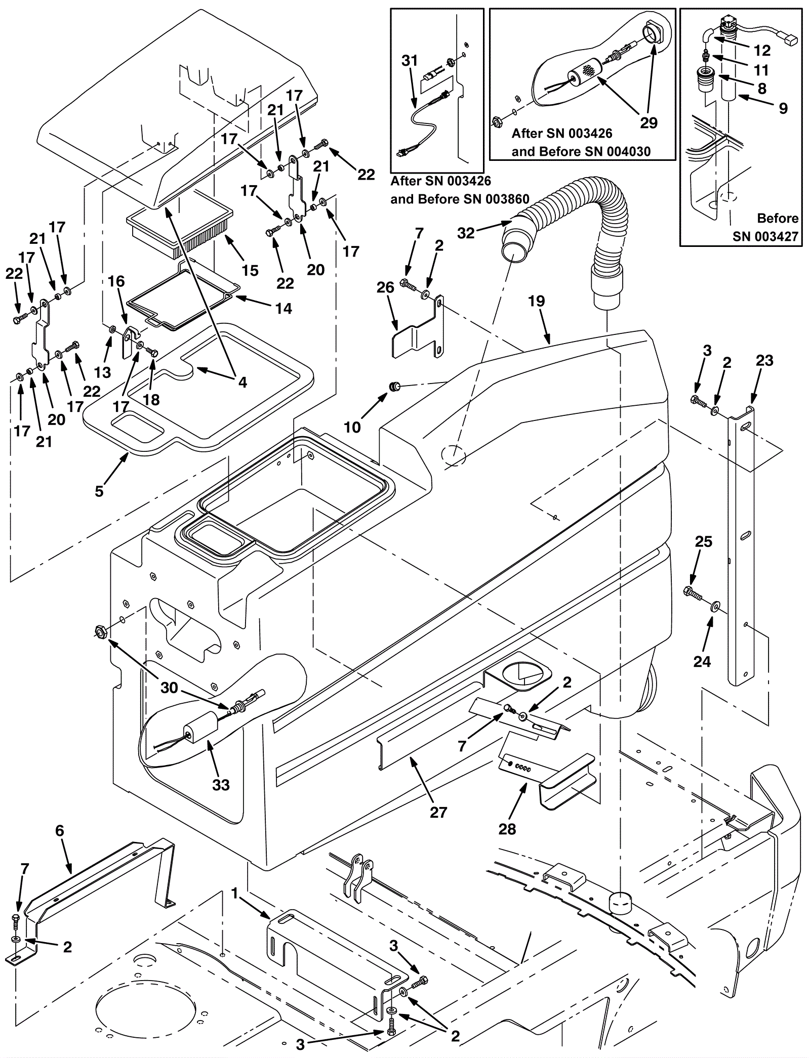
1 |
275-9287
|
Tank mounting bracket (iron gray) (Tennant Industrial) |
$52.18
|
1 |
|
usually ships 10-13 days |
2 |
999-9097
|
Washer M8 flat stainless steel |
$0.99
|
14 |
|
ships same day |
3 |
999-0499
|
Bolt M8-1.25 x 20mm hex head full thread stainless steel |
$1.85
|
6 |
|
ships same day |
4a |
175-0693
|
COVER KIT, RECVY, W/ GASKET (Tennant Industrial) |
$943.86
|
1 |
(before SN 007000) (includes 5) |
usually ships 1-5 days |
4b |
275-9311
|
Recovery cover kit with gasket (teal) (Tennant Industrial) |
$578.62
|
1 |
(after SN 006999) (includes 5) |
usually ships 1-5 days |
5 |
175-0694
|
GASKET, URE, .50, 12.65W 18.89L, ADH (Tennant Industrial) |
$131.53
|
1 |
|
usually ships 10-13 days |
6 |
275-9312
|
Harness bracket (iron gray) (Tennant Industrial) |
$83.35
|
1 |
|
usually ships 1-5 days |
7 |
999-0499
|
Bolt M8-1.25 x 20mm hex head full thread stainless steel |
$1.85
|
6 |
|
ships same day |
8 |
175-3365
|
2 inch tube assembly |
$42.90
|
1 |
(before SN 003427) |
usually ships 10-13 days |
9 |
175-0696
|
Press switch assembly 4 inch |
$166.98
|
1 |
(before SN 003427) |
usually ships 1-5 days |
10 |
275-8343
|
PLUG, HOLE, RND, 0.75D .03-.08, BLK PYE (Tennant Industrial |
$5.67
|
1 |
|
usually ships 1-5 days |
11 |
175-0697
|
Plastic fitting |
$18.48
|
1 |
(before SN 003427) |
usually ships 1-5 days |
12 |
175-0698
|
HOSE, VACUUM, 0.16ID X 006.0L (Tennant Industrial) |
$19.17
|
2 |
(before SN 003427) |
usually ships 10-13 days |
13 |
175-0699
|
SPACER, LATCH, FLTR (Tennant Industrial) |
$16.67
|
1 |
|
usually ships 10-13 days |
14 |
175-0700
|
BRACKET WLDT, RETAINER, FLTR (Tennant Industrial) |
$118.86
|
1 |
|
usually ships 10-13 days |
15a |
175-3363
|
Fan filter |
$53.13
|
1 |
|
usually ships 10-13 days |
15b |
991-9110
|
Filter |
$13.55
|
1 |
(NON-OEM) |
ships same day |
16 |
175-0701
|
BRACKET, RETAINING, FLTR (Tennant Industrial) |
$43.51
|
1 |
|
usually ships 10-13 days |
17 |
999-9097
|
Washer M8 flat stainless steel |
$0.99
|
9 |
|
ships same day |
18 |
999-0784
|
Screw M8-1.25 x 16mm hex head stainless steel |
$1.74
|
1 |
|
ships same day |
19a |
275-7969
|
Recovery tank replacement kit (Tennant Industrial) |
$5,402.91
|
1 |
(before SN 007000) |
usually ships 1-5 days |
19b |
275-7970
|
Recovery tank replacement kit (teal) (Tennant Industrial) |
$4,112.66
|
1 |
(after SN 006999) |
usually ships 1-5 days |
20 |
175-0703
|
BAR (Tennant Industrial) |
$52.18
|
2 |
|
usually ships 10-13 days |
21 |
175-0550
|
Sleeve |
$5.02
|
4 |
|
ships same day |
22 |
999-0499
|
Bolt M8-1.25 x 20mm hex head full thread stainless steel |
$1.85
|
4 |
|
ships same day |
23 |
175-0677
|
CHANNEL, .19, 2.5W 1.0 29.3L, H&S (Tennant Industrial) |
$170.37
|
1 |
|
usually ships 1-5 days |
24 |
999-0355
|
Washer 3/8 x 7/8 SAE flat stainless steel |
$0.99
|
2 |
|
ships same day |
25 |
999-0246
|
Bolt M10-1.5 x 35mm hex head full thread |
$1.28
|
2 |
|
ships same day |
26 |
275-9315
|
Retaining bracket (iron gray) (Tennant Industrial) |
$35.51
|
1 |
|
usually ships 1-5 days |
27 |
175-0705
|
BRACKET WLDT, TANK (Tennant Industrial) |
$206.87
|
1 |
|
usually ships 1-5 days |
28 |
175-0706
|
BRACKET WLDT, TANK (Tennant Industrial) |
$170.70
|
1 |
|
usually ships 1-5 days |
29 |
175-9555
|
Switch guard solution strainer (Tennant Industrial) |
$34.17
|
1 |
(after SN 003426 and before SN 004030) |
usually ships 10-13 days |
30a |
175-2262
|
Magnetic float sensor |
$95.02
|
1 |
(after SN 003426 and before SN 003860) |
usually ships 18-24 days |
30b |
991-3037
|
Magnetic float sensor |
$95.02
|
1 |
(after SN 003426 and before SN 003860) |
ships same day |
30c |
175-9554
|
Float switch |
$85.47
|
1 |
(after SN 003859) |
ships same day |
31 |
275-8344
|
HARNESS, SENSOR, JUMPER (Tennant Industrial) |
$95.52
|
1 |
(after SN 003426 and before SN 003860) |
usually ships 10-13 days |
32 |
175-0751
|
HOSE, VACUUM, 091.0L (Tennant Industrial) |
$168.70
|
1 |
|
usually ships 10-13 days |
33 |
275-4664
|
Float switch protector bracket |
$23.54
|
1 |
(after SN 004029) |
usually ships 10-13 days |