| # | Part | Description | Price | Req | Notes | Availability |
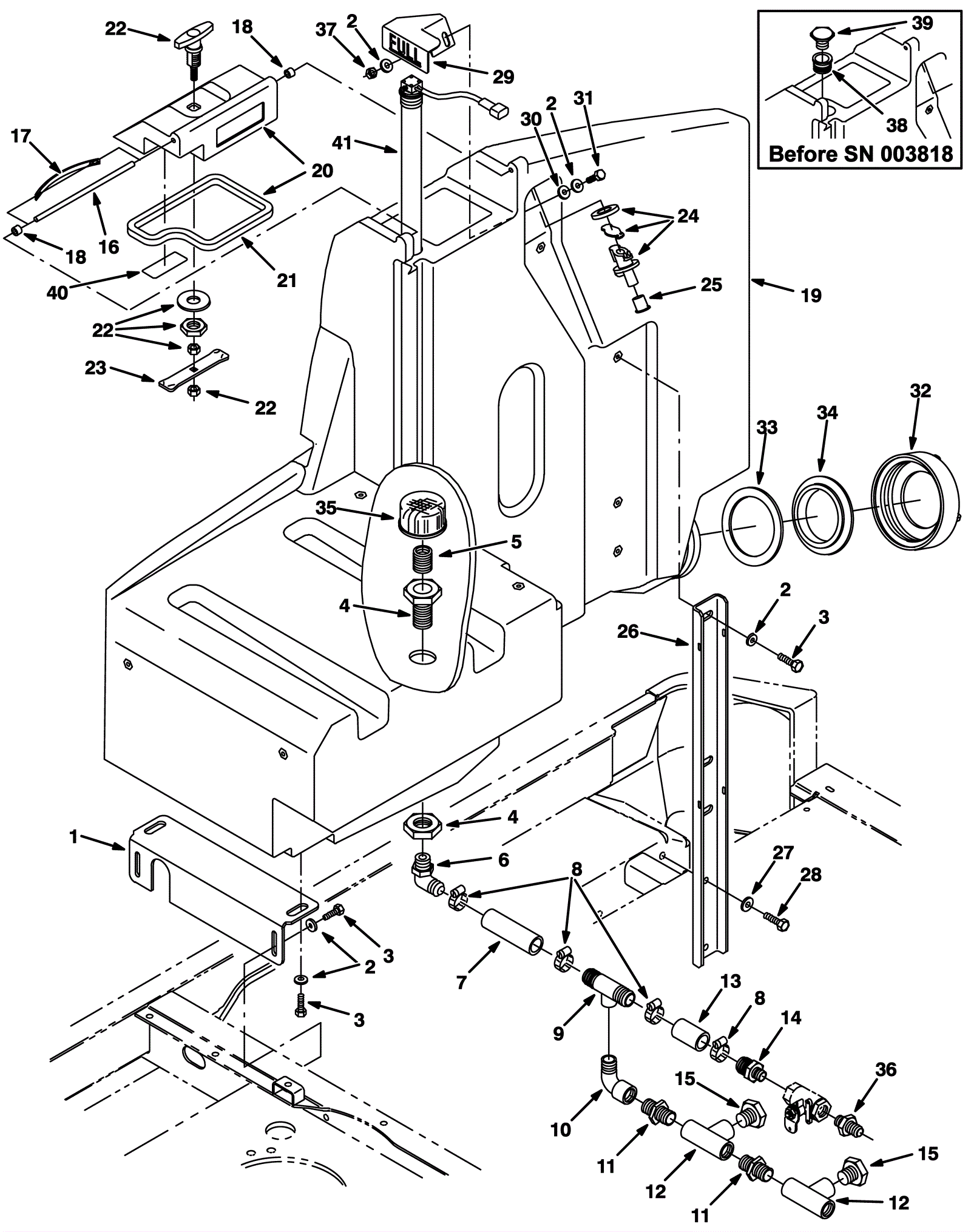
1 |
275-9287
|
Tank mounting bracket (iron gray) (Tennant Industrial) |
$52.18
|
1 |
|
usually ships 10-13 days |
2 |
999-9097
|
Washer M8 flat stainless steel |
$0.99
|
9 |
|
ships same day |
3 |
999-0499
|
Bolt M8-1.25 x 20mm hex head full thread stainless steel |
$1.85
|
7 |
|
ships same day |
4 |
175-0657
|
FITTING, PLSTC, PF16/PF16, BH (Tennant Industrial) |
$100.85
|
1 |
|
usually ships 1-5 days |
5 |
175-0658
|
Strain plastic fitting |
$22.22
|
1 |
|
usually ships 1-5 days |
6 |
175-0659
|
FITTING, PLSTC, E90, BM16/PM16 (Tennant Industrial) |
$31.34
|
1 |
|
usually ships 1-5 days |
7 |
175-0660
|
HOSE, PVC, BRD, 1.00ID 1.38OD 003.5L,CLR (Tennant Industria |
$24.00
|
1 |
|
usually ships 1-5 days |
8 |
175-2254
|
Hose clamp |
$5.50
|
4 |
|
ships same day |
9 |
175-0661
|
FITTING, PLSTC, TEE, BM16/PF12/BM16, BR (Tennant Industrial |
$15.67
|
1 |
|
usually ships 1-5 days |
10 |
175-0662
|
90 degree plastic fitting |
$6.06
|
1 |
|
ships same day |
11 |
175-0663
|
FITTING, PLSTC, STR, PM12/PM12 1.60L (Tennant Industrial) |
$9.84
|
2 |
|
usually ships 1-5 days |
12 |
175-0664
|
Plastic tee fitting |
$18.48
|
2 |
|
usually ships 1-5 days |
13 |
175-0665
|
HOSE, PVC, BRD, 1.00ID 1.38OD 002.3L,CLR (Tennant Industria |
$24.84
|
1 |
|
usually ships 1-5 days |
14 |
175-0666
|
FITTING, PLSTC, STR, BM16/PM12 (Tennant Industrial) |
$15.67
|
1 |
|
usually ships 1-5 days |
15 |
175-2247
|
Plastic fitting |
$10.01
|
2 |
|
ships same day |
16 |
175-0667
|
PIN, HINGE, COVER (Tennant Industrial) |
$32.01
|
1 |
|
usually ships 1-5 days |
17 |
175-0668
|
SPRING, COVER (Tennant Industrial) |
$45.84
|
1 |
|
usually ships 1-5 days |
18 |
175-0669
|
CAP, VINYL, 0.26D, 0.38L RED (Tennant Industrial) |
$14.00
|
2 |
|
usually ships 1-5 days |
19a |
275-7963
|
Solution tank replacement kit (Tennant Industrial) |
$4,249.85
|
1 |
(before SN 007000) |
usually ships 1-5 days |
19b |
275-7964
|
Solution tank replacement kit (teal) (Tennant Industrial) |
$2,118.42
|
1 |
(after SN 006999) |
usually ships 1-5 days |
20a |
275-9290
|
Solution cover kit with gasket (Tennant Industrial) |
$393.25
|
1 |
(before SN 007000) (includes 21a) |
usually ships 1-5 days |
20b |
275-9291
|
Solution cover kit with gasket (teal) (Tennant Industrial) |
$425.09
|
1 |
(after SN 006999) (includes 21a) |
usually ships 1-5 days |
21a |
175-0670
|
GASKET, CELR URE, .50, 05.94W 08.88L,ADH (Tennant Industria |
$39.01
|
1 |
|
usually ships 10-13 days |
21b |
175-0672
|
COVER, TANK, SOLTN (Tennant Industrial) |
$893.01
|
1 |
|
usually ships 1-5 days |
22 |
175-0673
|
HANDLE (Tennant Industrial) |
$147.03
|
1 |
|
usually ships 1-5 days |
23 |
175-0674
|
BAR (Tennant Industrial) |
$48.01
|
1 |
|
usually ships 1-5 days |
24 |
175-0675
|
Valve check kit |
$132.44
|
1 |
|
usually ships 1-5 days |
25 |
175-0676
|
Cap plug |
$26.07
|
1 |
|
usually ships 1-5 days |
26a |
175-0677
|
CHANNEL, .19, 2.5W 1.0 29.3L, H&S (Tennant Industrial) |
$170.37
|
1 |
(before SN 007000) |
usually ships 1-5 days |
26b |
275-9292
|
Channel (Tennant Industrial) |
$57.11
|
1 |
(after SN 006999) |
usually ships 1-5 days |
27 |
999-0355
|
Washer 3/8 x 7/8 SAE flat stainless steel |
$0.99
|
2 |
|
ships same day |
28 |
999-0246
|
Bolt M10-1.5 x 35mm hex head full thread |
$1.28
|
2 |
|
ships same day |
29 |
175-0678
|
BRACKET [FULL] (Tennant Industrial) |
$87.02
|
1 |
|
usually ships 1-5 days |
30 |
175-2896
|
Washer 5/16 |
$4.49
|
1 |
|
usually ships 10-13 days |
31 |
999-0785
|
Screw M8-1.25 x 30mm hex head stainless steel |
$2.24
|
1 |
|
ships same day |
32 |
175-3384
|
Tank cap |
$44.00
|
1 |
|
usually ships 10-13 days |
33 |
275-4663
|
Gasket |
$9.79
|
1 |
|
usually ships 10-13 days |
34 |
175-3414
|
Tank cover |
$37.40
|
1 |
|
usually ships 10-13 days |
35 |
175-3408
|
Solution filter |
$18.92
|
1 |
|
usually ships 10-13 days |
36 |
175-0680
|
Strain plastic fitting |
$8.25
|
1 |
|
ships same day |
37 |
999-0496
|
Nut M8-1.25 nylon insert lock stainless steel |
$1.34
|
1 |
|
ships same day |
38 |
175-0681
|
Level sensing grommet |
$6.49
|
1 |
(before SN 003818) |
usually ships 10-13 days |
39 |
175-0682
|
Plastic plug fitting |
$7.37
|
1 |
(before SN 003818) |
usually ships 1-5 days |
40 |
175-5222
|
Attention users decal (FaST) |
$5.83
|
1 |
(after SN 003817) |
usually ships 10-13 days |
41 |
275-8326
|
SWITCH KIT, PRESS, W/34INCH TUBE, REPLMT (Tennant Industria |
$331.23
|
1 |
(after SN 003817) |
usually ships 1-5 days |