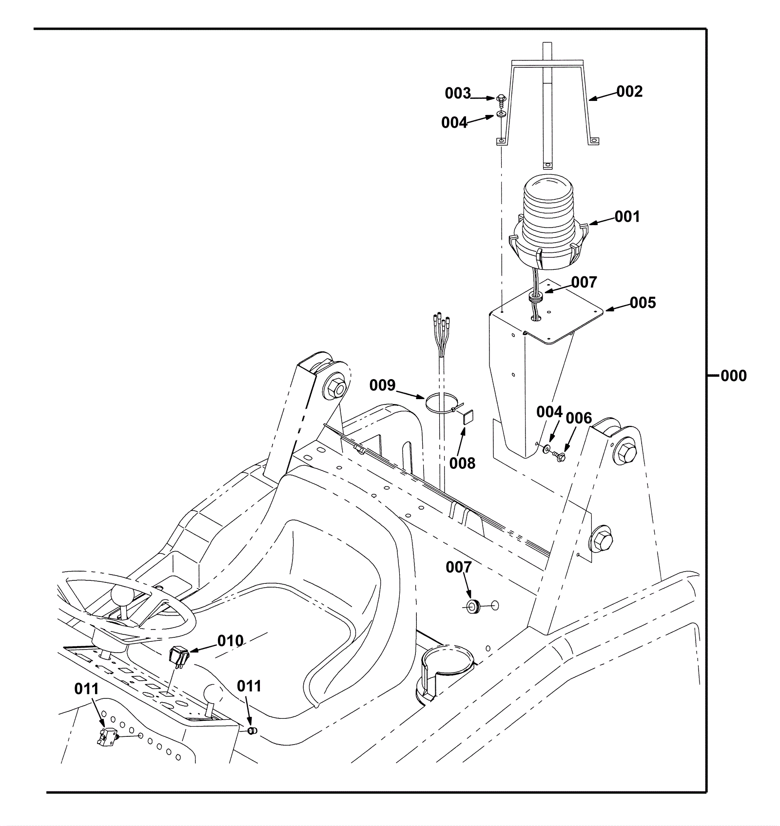
| # | Part | Description | Price | Req | Notes | Availability |
000 |
275-0589
|
LIGHT KIT, FLSH, PED, CI [6200] (Tennant Industrial) |
$1,094.39
|
1 |
includes 001a-011 |
usually ships 1-5 days |
001a |
275-0590
|
LIGHT ASSY, FLSH, 12VDC, AMB, RWK 82198 (Tennant Industrial |
$379.41
|
1 |
includes 001b-001c |
usually ships 1-5 days |
001b |
175-5427
|
Flashing light amber lens |
$57.31
|
1 |
|
usually ships 1-5 days |
001c |
275-0587
|
Lamp 12VDC 2.1A |
$19.69
|
1 |
|
usually ships 1-5 days |
002 |
175-5420
|
Revolving/flashing light guard weldment |
$167.97
|
1 |
|
usually ships 1-5 days |
003 |
175-0536
|
Bolt M6-1 x 20mm hex head thread forming |
$4.49
|
4 |
|
ships same day |
004 |
999-0123
|
Washer 1/4 SAE flat zinc plated |
$0.99
|
6 |
|
ships same day |
005 |
275-0588
|
ANGLE, MTG, LIGHT (Tennant Industrial) |
$202.21
|
1 |
|
usually ships 1-5 days |
006 |
999-1383
|
Screw M6-1 x 16mm hex head stainless steel |
$3.96
|
2 |
|
ships same day |
007 |
175-5419
|
Grommet 5/8 |
$3.30
|
2 |
|
usually ships 1-5 days |
008 |
175-3233
|
Cable tie mount |
$4.62
|
1 |
|
usually ships 1-5 days |
009 |
175-2162
|
Nylon wire tie |
$3.30
|
1 |
|
usually ships 10-13 days |
010 |
175-0569
|
Rocker switch |
$54.12
|
1 |
|
usually ships 1-5 days |
011 |
175-0842
|
15amp circuit breaker |
$16.61
|
1 |
|
ships same day |
N/S |
175-5428
|
Flashing light red lens |
$84.37
|
1 |
|
usually ships 1-5 days |
N/S |
175-5429
|
Flashing light blue lens |
$77.77
|
1 |
|
usually ships 1-5 days |