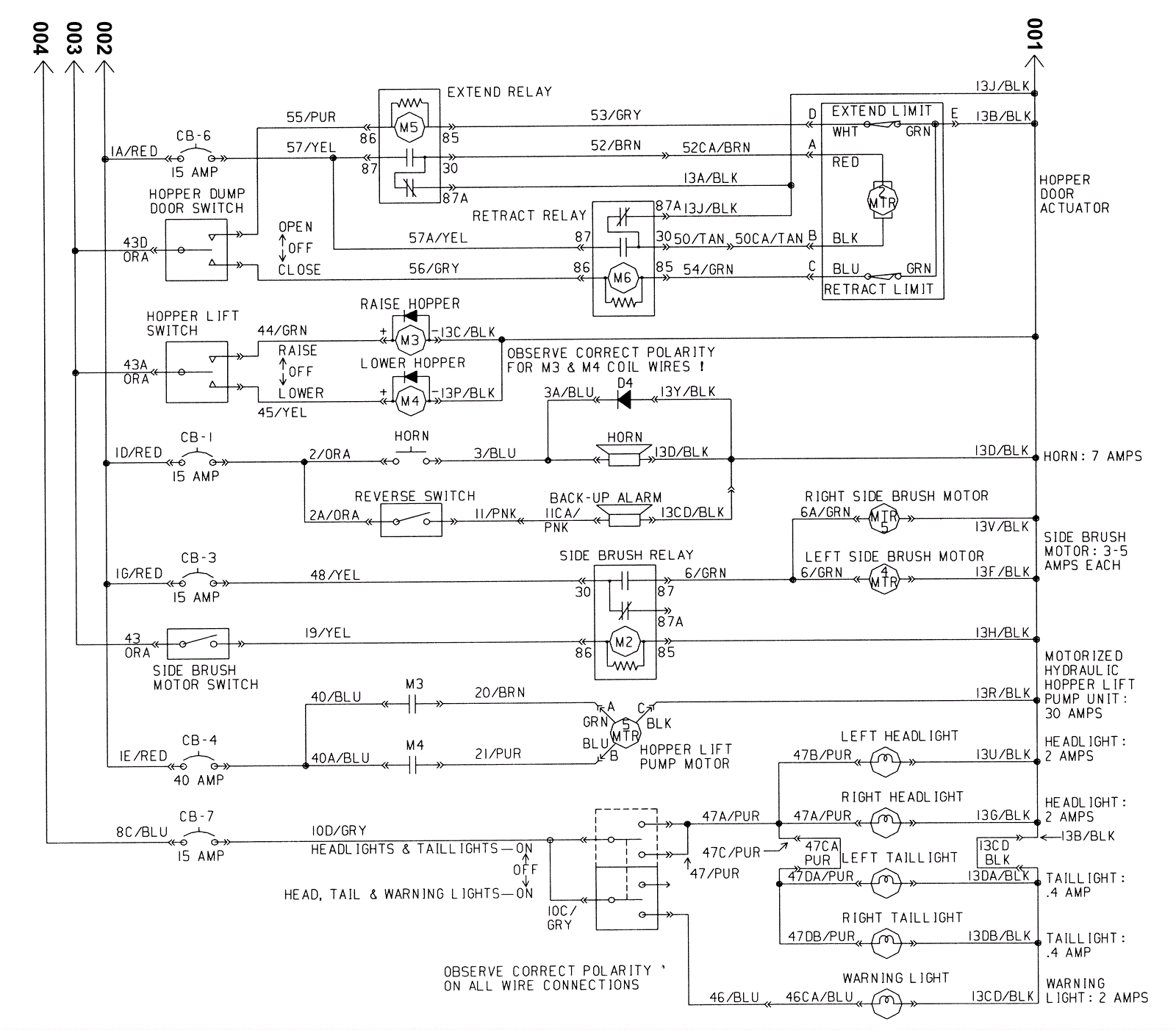
Electrical Schematic - LPG - 2
Click to enlarge