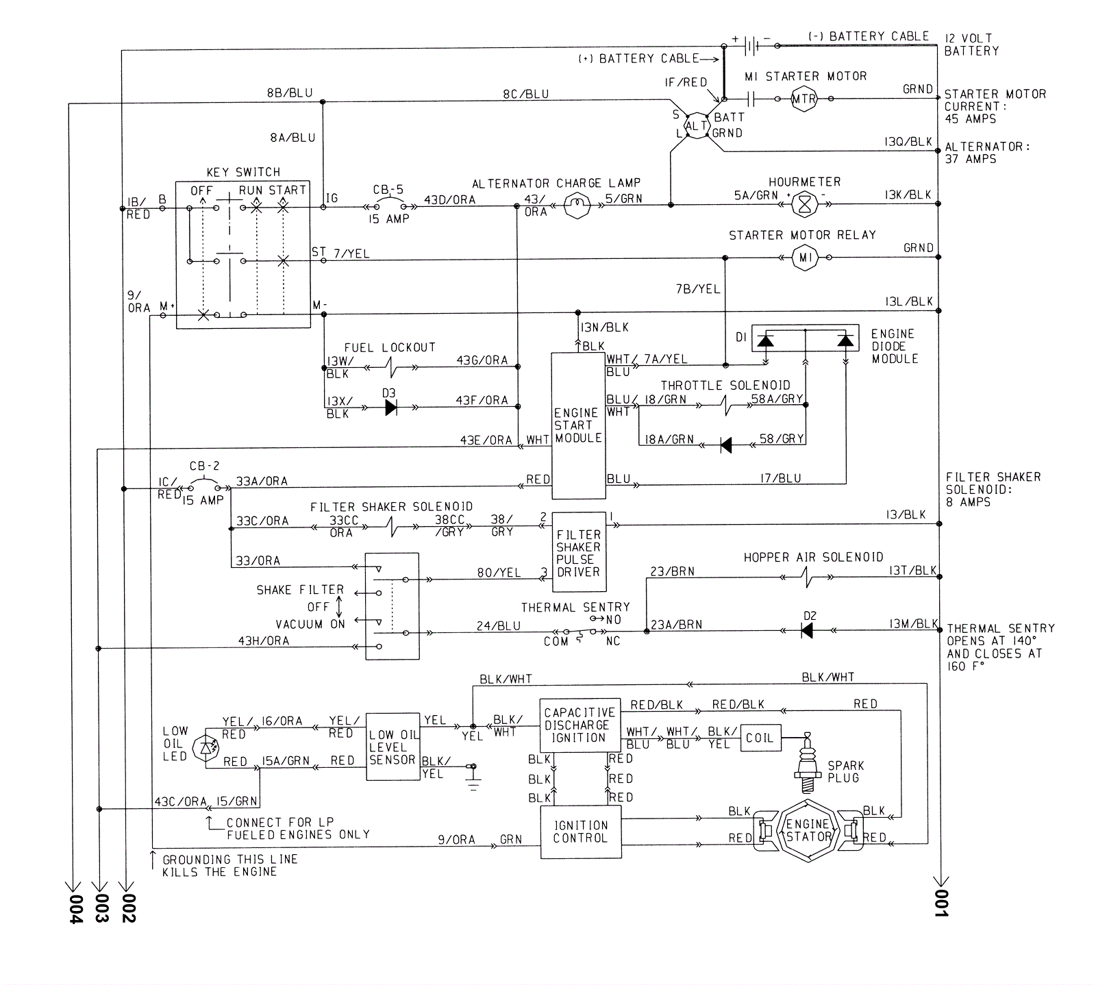
Electrical Schematic - LPG - 1
Click to enlarge