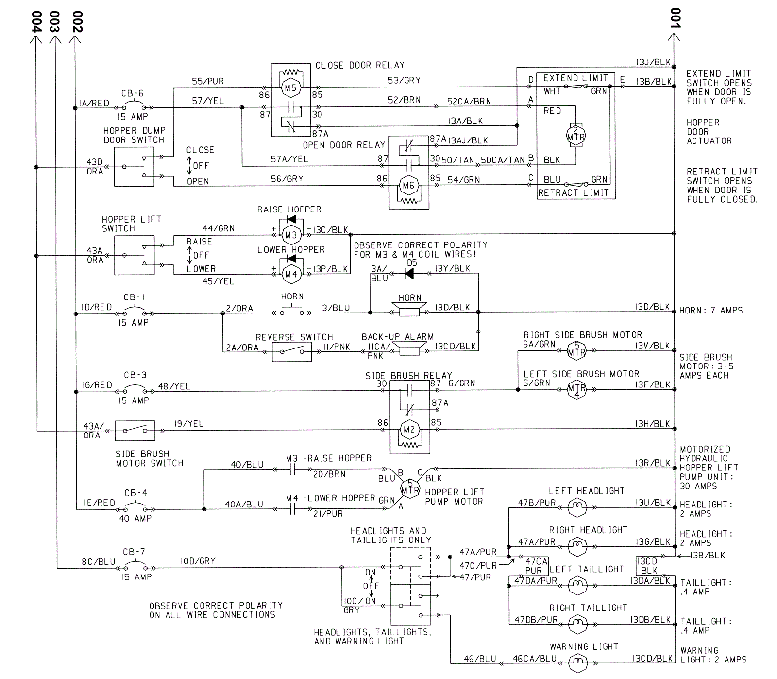
Electrical Schematic - Gas - 2
Click to enlarge