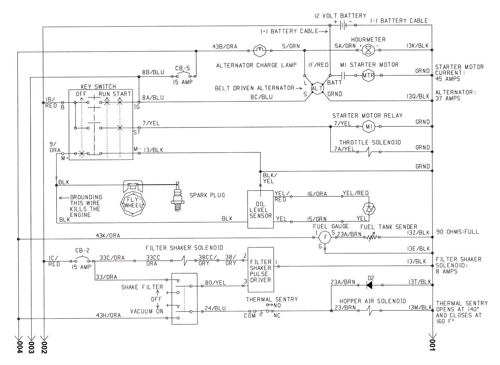
Electrical Schematic - Gas - 1
Click to enlarge