STRIVE RIDER
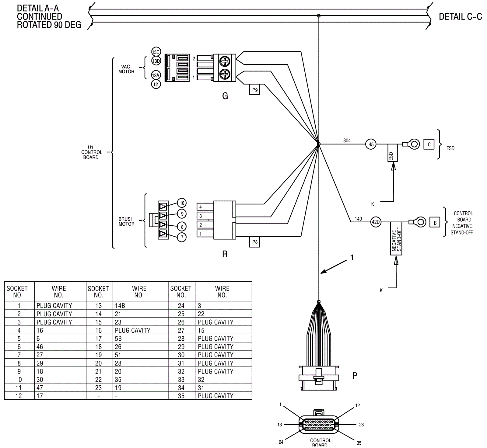
Wire Harness Diagram 3 - After SN 10389601
Click to enlarge
#
Part
Description
Price
Req
Notes
Availability
1
275-9669
Main harness
Call for price
1
(before SN 10389602)
usually ships 16-21 days