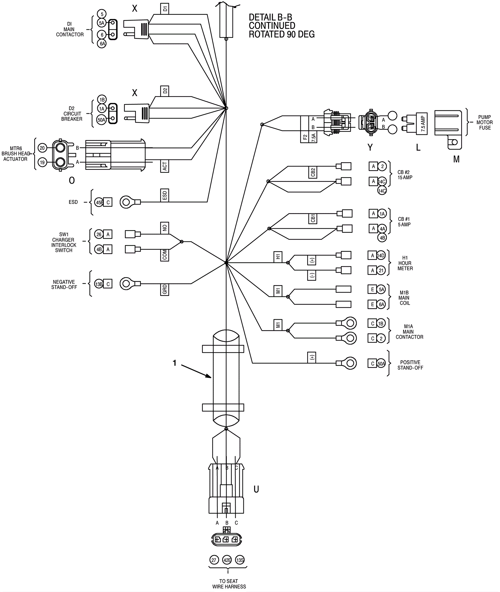
Wire Harness Diagram 2
Click to enlarge
#
Part
Description
Price
Req
Notes
Availability
MTR6b
991-1915
24V actuator
$268.42
1
(NON-OEM)
ships same day