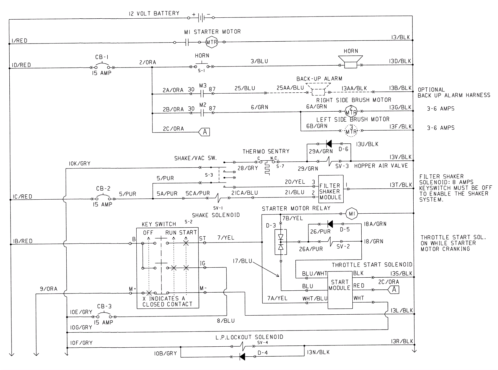
Electrical Diagram 1 - LPG
Click to enlarge