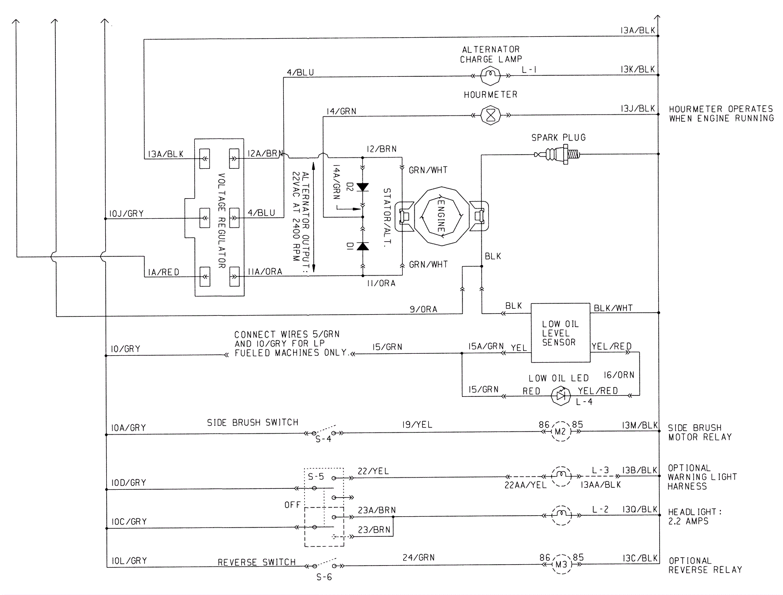
Electrical Diagram 2 - Gas
Click to enlarge