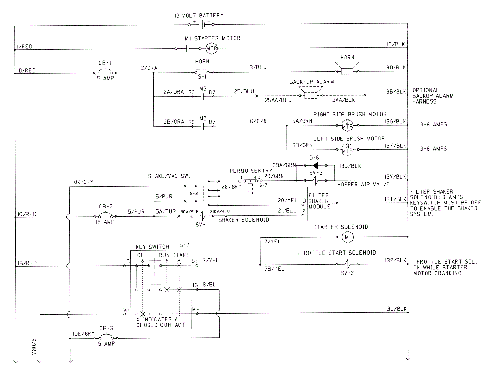
Electrical Diagram 1 - Gas
Click to enlarge