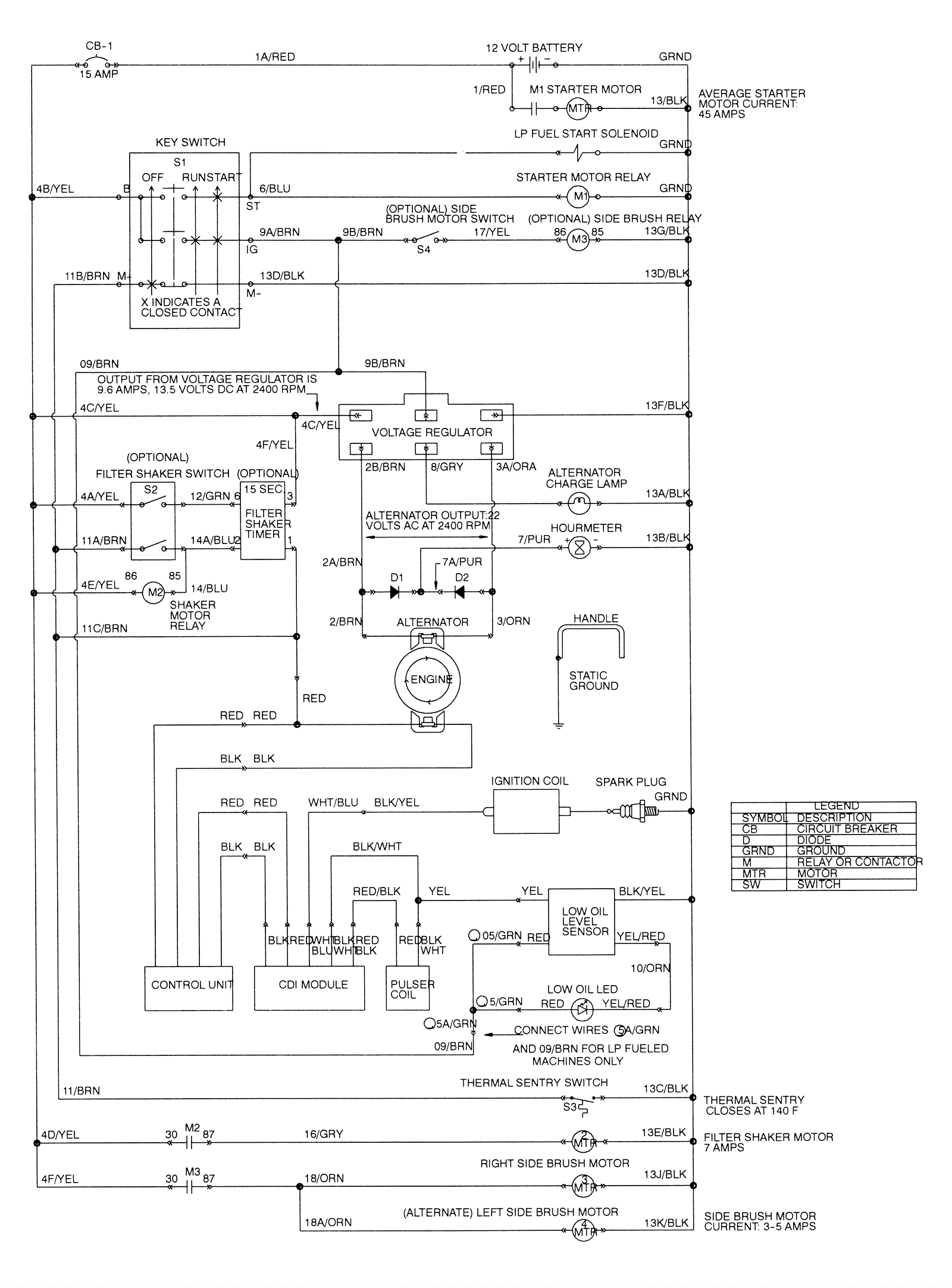
Electrical Schematic - LPG
Click to enlarge