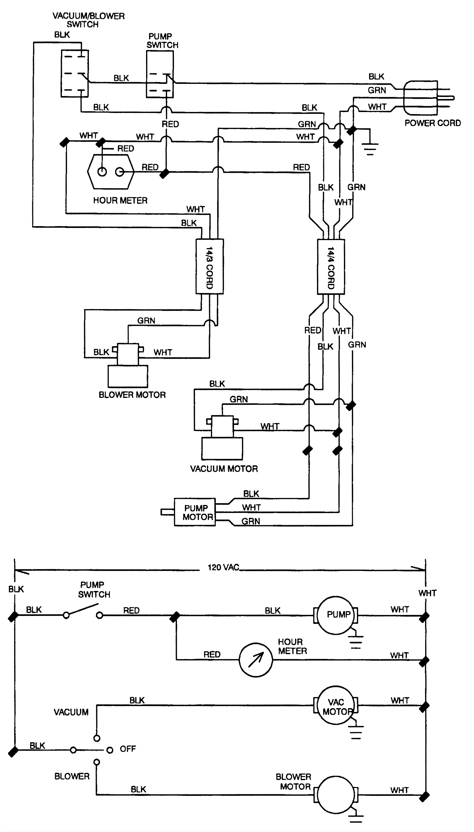
Wiring and Ladder Diagram
Click to enlarge