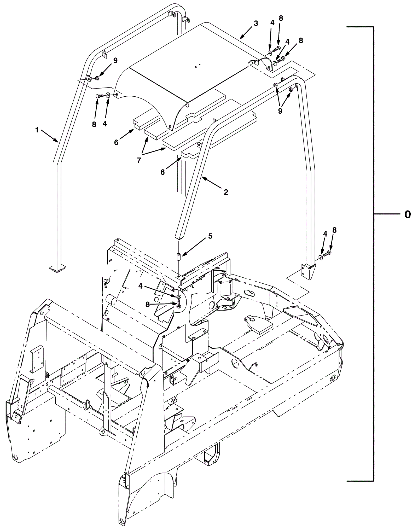
| # | Part | Description | Price | Req | Notes | Availability |
0 |
675-8695
|
OHG KIT [8200/8210] (Tennant Industrial) |
$3,510.34
|
1 |
(includes 1-9) |
usually ships 10-13 days |
1 |
675-6586
|
TUBE WLDT, LEG, OHG, RH [8200] (Tennant Industrial) |
$1,196.89
|
1 |
|
usually ships 10-13 days |
2 |
675-6651
|
TUBE WLDT, LEG, OHG, LH [8200] (Tennant Industrial) |
$1,233.80
|
1 |
|
usually ships 10-13 days |
3 |
175-9715
|
Top guard (OBSOLETE) |
Call for price
|
1 |
|
usually ships 10-13 days |
4 |
999-0032
|
Washer 3/8 USS flat plain finish |
$2.42
|
21 |
|
ships same day |
5 |
575-3453
|
TUBE, 0.50ID 0.88OD 01.6L, STL, PL (Tennant Industrial) |
$38.41
|
1 |
|
usually ships 10-13 days |
6 |
575-0677
|
INSULATION, ACSTC, 1.0, 25.7 X 03.4 NTCH (Tennant Industrial |
$19.87
|
2 |
|
usually ships 10-13 days |
7 |
575-1659
|
INSULATION, ACSTC, 1.0, 25.7 X 04.5 NTCH (Tennant Industrial |
$22.04
|
2 |
|
usually ships 10-13 days |
8 |
275-0033
|
Screw M10-1.5 x 30mm hex head 8.8 |
$5.28
|
13 |
|
usually ships 1-5 days |
9 |
999-1120
|
Nut M10-1.5 nylon insert lock stainless steel |
$3.92
|
8 |
|
ships same day |