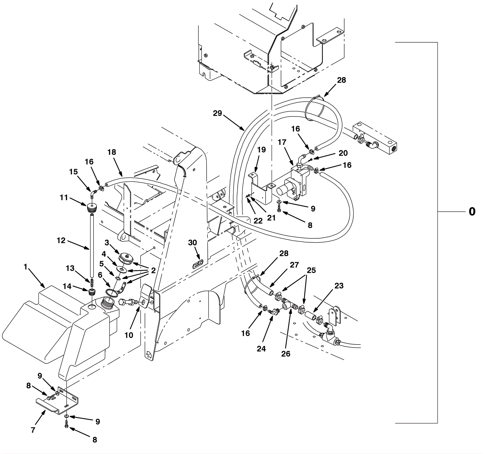
| # | Part | Description | Price | Req | Notes | Availability | 
          
            
            
                
                  
                  
                  
				       
				      0 | 
				      
                
                
                  
                
                
				675-7916
               | 
				      METERING KIT, DETGT [8200, 8210] (Tennant Industrial) | 
				      
                $1,626.58
                | 
				      1 | 
				       (includes 1-17, 18a, 19a, 20-29) (before SN 010000)  | 
				      usually ships 10-13 days | 
				      
               
               
               
                
               
             
            
                
                  
                  
                  
				       
				      1 | 
				      
                
                
                  
                
                
				675-2109
               | 
				      TANK, DETGT (Tennant Industrial) | 
				      
                $165.66
                | 
				      1 | 
				         | 
				      usually ships 10-13 days | 
				      
               
               
               
                
               
             
            
                
                  
                  
                  
				       
				      2 | 
				      
                
                
                  
                
                
				175-3391
               | 
				      Drain cap kit | 
				      
                $29.37
                | 
				      1 | 
				       (includes 3-6)  | 
				      usually ships 10-13 days | 
				      
               
               
               
                
               
             
            
                
                  
                  
                  
				       
				      3 | 
				      
                
                
                  
                
                
				175-3394
               | 
				      Drain tank cap 2.25 thread pye | 
				      
                $10.01
                | 
				      1 | 
				         | 
				      usually ships 10-13 days | 
				      
               
               
               
                
               
             
            
                
                  
                  
                  
				       
				      4 | 
				      
                
                
                  
                
                
				175-3393
               | 
				      Cap gasket | 
				      
                $5.50
                | 
				      1 | 
				         | 
				      usually ships 10-13 days | 
				      
               
               
               
                
               
             
            
                
                  
                  
                  
				       
				      5 | 
				      
                
                
                  
                
                
				175-3395
               | 
				      3/4 ID retaining extension ring stainless steel | 
				      
                $6.49
                | 
				      1 | 
				         | 
				      usually ships 10-13 days | 
				      
               
               
               
                
               
             
            
                
                  
                  
                  
				       
				      6 | 
				      
                
                
                  
                
                
				175-3392
               | 
				      Strap | 
				      
                $10.34
                | 
				      1 | 
				         | 
				      usually ships 10-13 days | 
				      
               
               
               
                
               
             
            
                
                  
                  
                  
				       
				      7 | 
				      
                
                
                  
                
                
				175-9682
               | 
				      Detergent tank bracket (OBSOLETE) | 
				      
                Call for price
                | 
				      1 | 
				         | 
				      usually ships 10-13 days | 
				      
               
               
               
                
               
             
            
                
                  
                  
                  
				       
				      8 | 
				      
                
                
                  
                
                999-0499
				
               | 
				      Bolt M8-1.25 x 20mm hex head full thread stainless steel | 
				      
                $1.85
                | 
				      6 | 
				         | 
				      ships same day | 
				      
               
               
               
                
               
             
            
                
                  
                  
                  
				       
				      9 | 
				      
                
                
                  
                
                999-0355
				
               | 
				      Washer 3/8 x 7/8 SAE flat stainless steel | 
				      
                $0.99
                | 
				      6 | 
				         | 
				      ships same day | 
				      
               
               
               
                
               
             
            
                
                  
                  
                  
				       
				      10 | 
				      
                
                
                  
                
                
				175-9687
               | 
				      Tank hold down bracket (OBSOLETE) | 
				      
                Call for price
                | 
				      1 | 
				         | 
				      usually ships 10-13 days | 
				      
               
               
               
                
               
             
            
                
                  
                  
                  
				       
				      11 | 
				      
                
                
                  
                
                
				275-8702
               | 
				      GROMMET, PYE, 0.37ID, F/1.5H, .13 MATL  (Tennant Industrial) | 
				      
                $45.34
                | 
				      1 | 
				         | 
				      usually ships 10-13 days | 
				      
               
               
               
                
               
             
            
                
                  
                  
                  
				       
				      12 | 
				      
                
                
                  
                
                275-3317
				
               | 
				      PVC hose (Tennant Industrial) (OBSOLETE) | 
				      
                $9.47
                | 
				      1 | 
				         | 
				      usually ships 1-5 days | 
				      
               
               
               
                
               
             
            
                
                  
                  
                  
				       
				      13 | 
				      
                
                
                  
                
                
				275-8703
               | 
				      Straight plastic fitting  (Tennant Industrial) | 
				      
                $6.67
                | 
				      1 | 
				         | 
				      usually ships 10-13 days | 
				      
               
               
               
                
               
             
            
                
                  
                  
                  
				       
				      14 | 
				      
                
                
                  
                
                275-8704
				
               | 
				      SCREEN, PUMP  (Tennant Industrial) | 
				      
                $22.67
                | 
				      1 | 
				         | 
				      usually ships 1-5 days | 
				      
               
               
               
                
               
             
            
                
                  
                  
                  
				       
				      15 | 
				      
                
                
                  
                
                
				175-8716
               | 
				      FITTING, PLSTC, E90, BM06/BM06  (Tennant Industrial) | 
				      
                $6.67
                | 
				      1 | 
				         | 
				      usually ships 10-13 days | 
				      
               
               
               
                
               
             
            
                
                  
                  
                  
				       
				      16 | 
				      
                
                
                  
                
                
				175-3594
               | 
				      Hose clamp | 
				      
                $5.28
                | 
				      4 | 
				         | 
				      usually ships 10-13 days | 
				      
               
               
               
                
               
             
            
                
                  
                  
                  
				       
				      17 | 
				      
                
                
                  
                
                375-0925
				
               | 
				      14V detergent pump (Tennant Industrial) | 
				      
                $1,307.59
                | 
				      1 | 
				         | 
				      usually ships 1-5 days | 
				      
               
               
               
                
               
             
            
                
                  
                  
                  
				       
				      18a | 
				      
                
                
                  
                
                275-7845
				
               | 
				      8 foot clear PVC hose (Tennant Industrial) | 
				      
                $52.68
                | 
				      1 | 
				       (before SN 010000)  | 
				      usually ships 1-5 days | 
				      
               
               
               
                
               
             
            
                
                  
                  
                  
				       
				      18b | 
				      
                
                
                  
                
                275-7845
				
               | 
				      8 foot clear PVC hose (Tennant Industrial) | 
				      
                $52.68
                | 
				      2 | 
				       (after SN 009999)  | 
				      usually ships 1-5 days | 
				      
               
               
               
                
               
             
            
                
                  
                  
                  
				       
				      19a | 
				      
                
                
                  
                
                
				175-9706
               | 
				      Detergent pump bracket (OBSOLETE) | 
				      
                Call for price
                | 
				      1 | 
				       (before SN 010000)  | 
				      usually ships 10-13 days | 
				      
               
               
               
                
               
             
            
                
                  
                  
                  
				       
				      19b | 
				      
                
                
                  
                
                
				175-9708
               | 
				      Pump bracket (OBSOLETE) | 
				      
                Call for price
                | 
				      1 | 
				       (after SN 009999)  | 
				      usually ships 10-13 days | 
				      
               
               
               
                
               
             
            
                
                  
                  
                  
				       
				      20 | 
				      
                
                
                  
                
                999-9113
				
               | 
				      Screw M4-.7 x 16mm pan head phillips stainless steel | 
				      
                $0.99
                | 
				      2 | 
				         | 
				      ships same day | 
				      
               
               
               
                
               
             
            
                
                  
                  
                  
				       
				      21 | 
				      
                
                
                  
                
                999-0266
				
               | 
				      Washer #8 SAE flat stainless steel | 
				      
                $0.99
                | 
				      4 | 
				         | 
				      ships same day | 
				      
               
               
               
                
               
             
            
                
                  
                  
                  
				       
				      22 | 
				      
                
                
                  
                
                999-0954
				
               | 
				      Nut M4-.7 nylon insert lock stainless steel | 
				      
                $0.99
                | 
				      2 | 
				         | 
				      ships same day | 
				      
               
               
               
                
               
             
            
                
                  
                  
                  
				       
				      23 | 
				      
                
                
                  
                
                
				475-8532
               | 
				      HOSE, PVC, BRD, 1.00ID 1.31OD 004.5L,CLR (Tennant Industrial | 
				      
                $4.60
                | 
				      1 | 
				         | 
				      usually ships 10-13 days | 
				      
               
               
               
                
               
             
            
                
                  
                  
                  
				       
				      24 | 
				      
                
                
                  
                
                
				175-3595
               | 
				      Plastic fitting | 
				      
                $8.14
                | 
				      1 | 
				         | 
				      usually ships 10-13 days | 
				      
               
               
               
                
               
             
            
                
                  
                  
                  
				       
				      25 | 
				      
                
                
                  
                
                175-2254
				
               | 
				      Hose clamp | 
				      
                $5.50
                | 
				      2 | 
				         | 
				      ships same day | 
				      
               
               
               
                
               
             
            
                
                  
                  
                  
				       
				      26 | 
				      
                
                
                  
                
                175-0661
				
               | 
				      FITTING, PLSTC, TEE, BM16/PF12/BM16, BR  (Tennant Industrial | 
				      
                $15.67
                | 
				      1 | 
				         | 
				      usually ships 1-5 days | 
				      
               
               
               
                
               
             
            
                
                  
                  
                  
				       
				      27 | 
				      
                
                
                  
                
                
				575-3584
               | 
				      HOSE, PVC, WIR, 1.OOID 1.32OD 024.5L (Tennant Industrial) | 
				      
                $39.84
                | 
				      2 | 
				         | 
				      usually ships 10-13 days | 
				      
               
               
               
                
               
             
            
                
                  
                  
                  
				       
				      28 | 
				      
                
                
                  
                
                
				175-2162
               | 
				      Nylon wire tie | 
				      
                $3.30
                | 
				      1 | 
				         | 
				      usually ships 10-13 days | 
				      
               
               
               
                
               
             
            
                
                  
                  
                  
				       
				      29 | 
				      
                
                
                  
                
                275-8237
				
               | 
				      HOSE, AFMKT, PVC, BRD, 0.38ID, 02FT, CLR  (Tennant Industria | 
				      
                $37.01
                | 
				      1 | 
				       (before SN 010000)  | 
				      usually ships 1-5 days | 
				      
               
               
               
                
               
             
            
                
                  
                  
                  
				       
				      30 | 
				      
                
                
                  
                
                
				475-3279
               | 
				      LABEL, LOGO, 02.8L TL/ OFF-WHT [ES] | 
				      
                $50.60
                | 
				      2 | 
				         | 
				      usually ships 10-13 days |