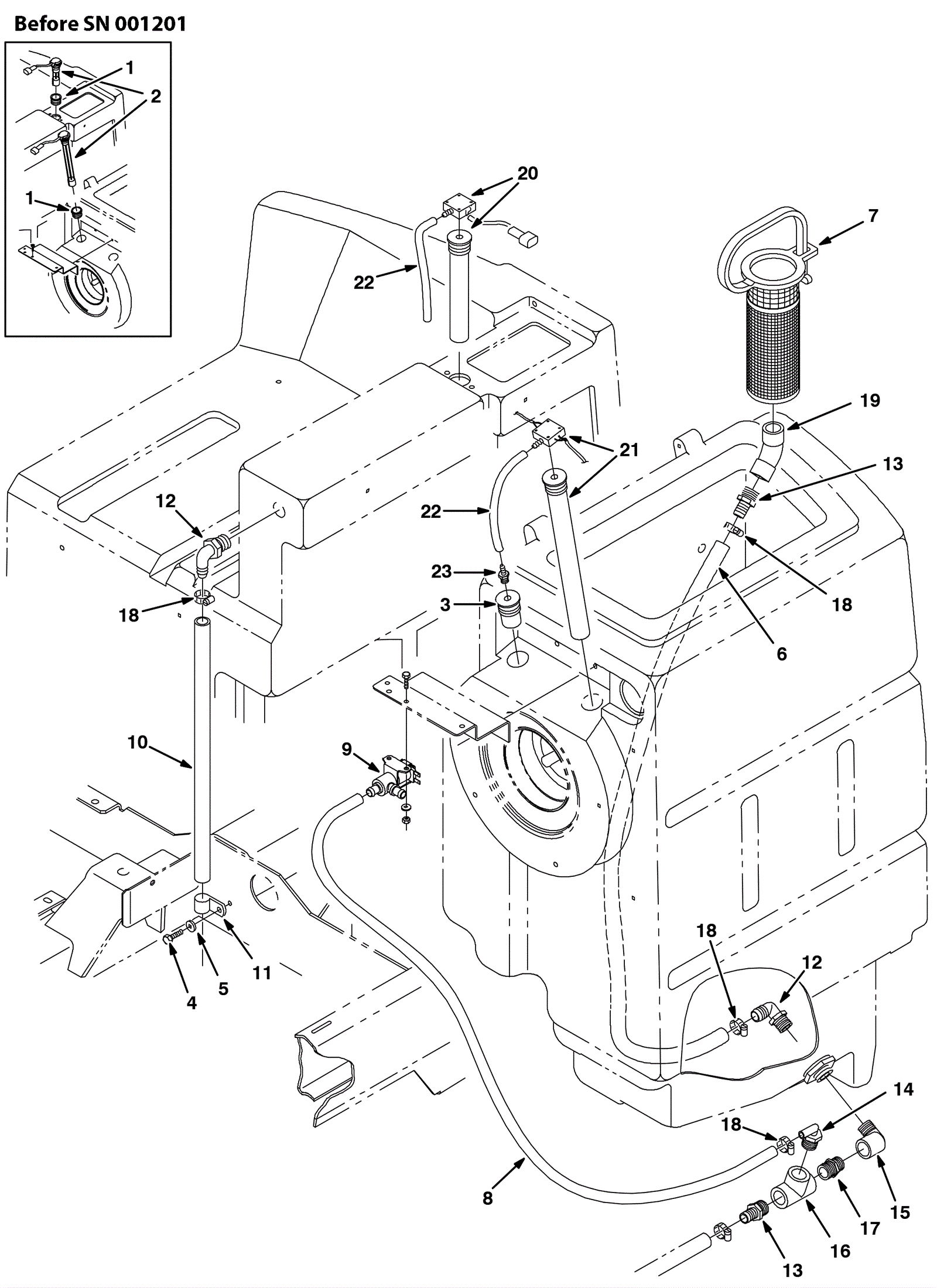
| # | Part | Description | Price | Req | Notes | Availability |
1 |
175-0681
|
Level sensing grommet |
$6.49
|
2 |
(before SN 001201) |
usually ships 10-13 days |
2 |
675-4951
|
SWITCH KIT, PRESS, ES LEVEL, CI [8200] (Tennant Industrial) |
$388.44
|
1 |
(before SN 001201) |
usually ships 10-13 days |
3 |
175-3365
|
2 inch tube assembly |
$42.90
|
1 |
(Sn 001201-001453) |
usually ships 10-13 days |
4 |
999-0784
|
Screw M8-1.25 x 16mm hex head stainless steel |
$1.74
|
1 |
|
ships same day |
5 |
999-0355
|
Washer 3/8 x 7/8 SAE flat stainless steel |
$0.99
|
1 |
|
ships same day |
6 |
575-3306
|
HOSE, PVC, WIR, 0.75ID 0.94OD 030.0L (Tennant Industrial) |
$46.09
|
1 |
|
usually ships 10-13 days |
7 |
175-9675
|
STRAINER, SOLTN, 40MESH, CYL, 3.5D 07.5L (Tennant Industria |
$204.37
|
1 |
|
usually ships 10-13 days |
8 |
175-9585
|
Clear vinyl hose (OBSOLETE) |
Call for price
|
1 |
|
usually ships 10-13 days |
9 |
275-5711
|
VALVE, WATER, SOLENOID, 12VDC BM10/BM10 (Tennant Industrial |
$494.60
|
1 |
|
usually ships 1-5 days |
10 |
275-2587
|
Hose 2 feet (clear) (Tennant Industrial) |
$19.50
|
1 |
|
usually ships 1-5 days |
11 |
175-3179
|
P clamp |
$5.28
|
1 |
|
usually ships 10-13 days |
12 |
175-9679
|
90 degree plastic elbow |
$6.49
|
2 |
|
usually ships 10-13 days |
13 |
175-0680
|
Strain plastic fitting |
$8.25
|
2 |
|
ships same day |
14 |
175-9670
|
90 degree plastic elbow |
$11.00
|
1 |
|
usually ships 1-5 days |
15 |
175-0662
|
90 degree plastic fitting |
$6.06
|
1 |
|
ships same day |
16 |
175-0664
|
Plastic tee fitting |
$18.48
|
1 |
|
usually ships 1-5 days |
17 |
175-0663
|
FITTING, PLSTC, STR, PM12/PM12 1.60L (Tennant Industrial) |
$9.84
|
1 |
|
usually ships 1-5 days |
18 |
175-0199
|
Hose clamp |
$7.15
|
4 |
|
usually ships 10-13 days |
19 |
175-9668
|
45 degree elbow plastic fitting |
$22.77
|
1 |
|
usually ships 1-5 days |
20 |
175-0696
|
Press switch assembly 4 inch |
$166.98
|
1 |
(SN 001201-001453) |
usually ships 1-5 days |
21 |
475-3845
|
SWITCH KIT, PRESS, W/14INCH TUBE, REPLMT |
$148.67
|
1 |
(SN 001201-001453) |
usually ships 10-13 days |
22 |
175-0698
|
HOSE, VACUUM, 0.16ID X 006.0L (Tennant Industrial) |
$19.17
|
2 |
(SN 001201-001453) |
usually ships 10-13 days |
23 |
175-3366
|
Fitting |
$5.28
|
1 |
(SN 001201-001453) |
usually ships 10-13 days |