| # | Part | Description | Price | Req | Notes | Availability |
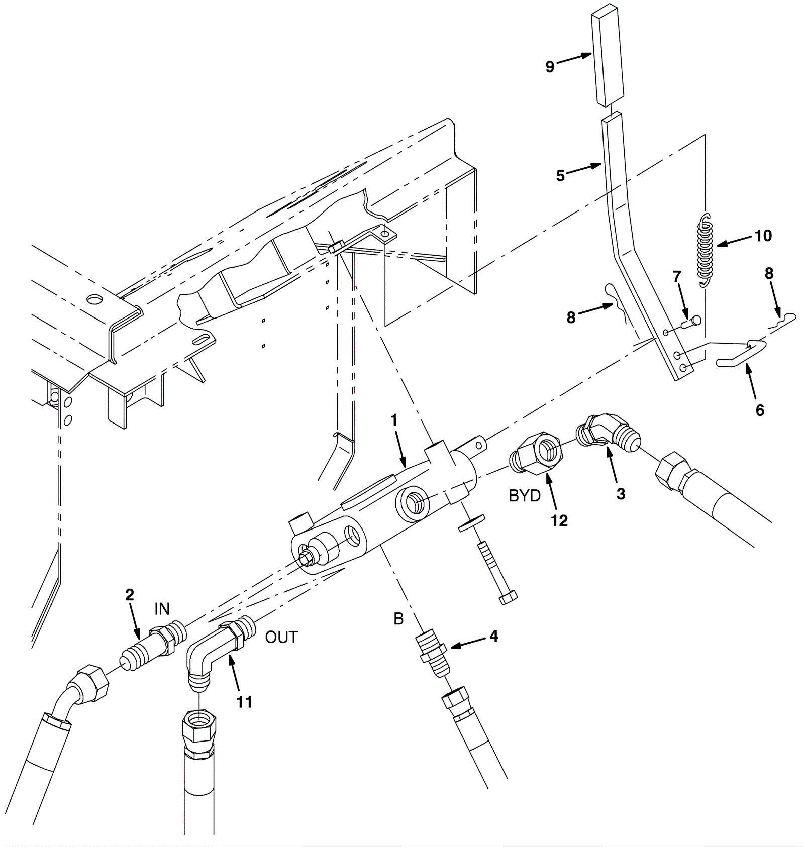
1 |
675-6326
|
VALVE, HYD, MNL, 1SPOOL 1000PSI 10GPM (Tennant Industrial) |
$640.86
|
1 |
|
usually ships 10-13 days |
2 |
575-0953
|
FITTING, HYD, STR, JM08/OM08, LONG (Tennant Industrial) |
$17.67
|
1 |
|
usually ships 10-13 days |
3 |
275-9620
|
FITTING, HYD, E45, JM08/OM08 (Tennant Industrial) |
$18.67
|
1 |
|
usually ships 1-5 days |
4 |
175-6968
|
FITTING, HYD, STR, JM04/OM06 (Tennant Industrial) |
$12.50
|
1 |
|
usually ships 1-5 days |
5 |
575-8274
|
HANDLE, CNTRL, VALVE (Tennant Industrial) |
$80.33
|
1 |
|
usually ships 10-13 days |
6 |
575-2579
|
LINK, HANDLE, VALVE (Tennant Industrial) |
$31.34
|
1 |
|
usually ships 10-13 days |
7 |
575-0017
|
PIN, CLEVIS, 05MMD X 020MML (Tennant Industrial) |
$32.84
|
1 |
|
usually ships 10-13 days |
8 |
175-7107
|
Cotter hair pin |
$3.30
|
2 |
|
usually ships 10-13 days |
9 |
175-6834
|
GRIP, VYL (Tennant Industrial) |
$9.84
|
1 |
|
usually ships 1-5 days |
10 |
575-0098
|
SPRING, EXTN, 0.38OD 0.05WIR 02.5L (Tennant Industrial) |
$11.17
|
1 |
|
usually ships 10-13 days |
11 |
375-0900
|
Hydraulic fitting (Tennant Industrial) |
$93.02
|
1 |
|
usually ships 1-5 days |
12 |
575-7221
|
VR, PLUG ASSY, VALVE, HYD [EN] (Tennant Industrial) |
$81.00
|
1 |
|
usually ships 10-13 days |