| # | Part | Description | Price | Req | Notes | Availability |
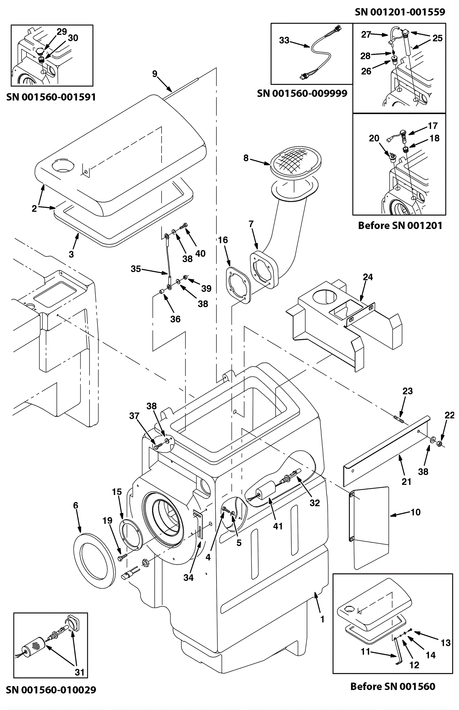
1a |
675-8387
|
TANK KIT, RECVY, REPLMT [8200/8210] (Tennant Industrial) |
$3,221.43
|
1 |
(before SN 001090) |
usually ships 10-13 days |
1b |
675-8096
|
TANK, RECVY (Tennant Industrial) |
$1,546.09
|
1 |
(after SN 001089) |
usually ships 10-13 days |
2 |
675-4687
|
COVER ASSY, TANK, RECVY, W/ SEAL (Tennant Industrial) |
$356.55
|
1 |
(includes item 3) |
usually ships 10-13 days |
3 |
575-9215
|
GASKET, COVER, TANK, RECVY (Tennant Industrial) |
$117.23
|
1 |
|
usually ships 10-13 days |
4 |
999-1312
|
Screw M6-1 x 20mm hex head stainless steel |
$0.99
|
2 |
|
ships same day |
5 |
999-0335
|
Washer 1/4 x 5/8 SAE flat stainless steel |
$0.99
|
2 |
|
ships same day |
6 |
575-2092
|
GASKET, NEO, .50, 06.50ID 08.50OD, ADH (Tennant Industrial) |
$33.34
|
1 |
|
usually ships 10-13 days |
7 |
675-0315
|
DUCT, TANK, RCVRY (Tennant Industrial) |
$222.04
|
1 |
|
usually ships 10-13 days |
8 |
675-0376
|
SCREEN, VACUUM, OVAL (Tennant Industrial) (OBSOLETE) |
$154.14
|
1 |
|
usually ships 10-13 days |
9 |
575-0512
|
BAR, RND, PLSTC, 0.31D 13.5L (Tennant Industrial) |
$17.67
|
1 |
|
usually ships 10-13 days |
10 |
575-9140
|
BRACKET, TANK, DEFLECTOR (Tennant Industrial) |
$328.99
|
1 |
|
usually ships 10-13 days |
11 |
575-4978
|
CABLE KIT, TANK, RECVY, CI [8200/8210] (Tennant Industrial) |
$52.61
|
1 |
(before SN 001560) |
usually ships 10-13 days |
12 |
175-0550
|
Sleeve |
$5.02
|
1 |
(before SN 001560) |
ships same day |
13 |
999-0501
|
Bolt M8-1.25 x 25mm hex head full thread stainless steel |
$2.64
|
1 |
(before SN 001560) |
ships same day |
14 |
999-0355
|
Washer 3/8 x 7/8 SAE flat stainless steel |
$0.99
|
1 |
(before SN 001560) |
ships same day |
15 |
575-1658
|
RING, RETAINING [SNORKEL DUCT] (Tennant Industrial) |
$27.01
|
1 |
|
usually ships 10-13 days |
16 |
575-0009
|
GASKET, DUCT [SNORKEL] (Tennant Industrial) |
$14.00
|
1 |
|
usually ships 10-13 days |
17 |
675-3330
|
SWITCH KIT, PRESS, W/O ES, CI [8200] (Tennant Industrial) |
$372.91
|
1 |
(before SN 001201) |
usually ships 10-13 days |
18 |
175-0681
|
Level sensing grommet |
$6.49
|
1 |
(before SN 001201) |
usually ships 10-13 days |
19 |
275-1474
|
Screw M8-1.25 x 110mm hex head (Tennant Industrial) |
$8.17
|
4 |
|
usually ships 10-13 days |
20a |
175-4189
|
Expandable plug |
$50.93
|
1 |
(before SN 001201) |
ships same day |
20b |
991-3043
|
Expandable plug |
$22.44
|
1 |
(NON-OEM) |
usually ships 1-5 days |
21 |
575-4948
|
BRACKET, ANGLE, MTG, RECVY TANK (Tennant Industrial) |
$75.18
|
1 |
|
usually ships 10-13 days |
22 |
999-0496
|
Nut M8-1.25 nylon insert lock stainless steel |
$1.98
|
2 |
|
ships same day |
23 |
275-4517
|
ROD, THRD, 2 END, M08 X 1.3 01.4L (Tennant Industrial) |
$22.84
|
2 |
|
usually ships 1-5 days |
24 |
675-1937
|
BRACE, STIFFENER, RECVY TANK (Tennant Industrial) |
$444.09
|
1 |
(after SN 001089) |
usually ships 10-13 days |
25 |
175-3372
|
3 inch press switch assembly 8 inch tube |
$158.18
|
1 |
(SN 001201-001559) |
usually ships 10-13 days |
26 |
175-3365
|
2 inch tube assembly |
$42.90
|
1 |
(SN 001201-001559) |
usually ships 10-13 days |
27 |
175-0698
|
HOSE, VACUUM, 0.16ID X 006.0L (Tennant Industrial) |
$19.17
|
1 |
(SN 001201-001559) |
usually ships 10-13 days |
28 |
175-3366
|
Fitting |
$5.28
|
1 |
(SN 001201-001559) |
usually ships 10-13 days |
29 |
175-0682
|
Plastic plug fitting |
$7.37
|
2 |
(SN 001560-001591) |
usually ships 1-5 days |
30 |
175-0681
|
Level sensing grommet |
$6.49
|
2 |
(SN 001560-001591) |
usually ships 10-13 days |
31 |
175-9555
|
Switch guard solution strainer (Tennant Industrial) |
$34.17
|
1 |
(SN 001560-010029) |
usually ships 10-13 days |
32 |
175-2262
|
Magnetic float sensor |
$95.02
|
1 |
(after SN 001559) |
usually ships 18-24 days |
33 |
275-8344
|
HARNESS, SENSOR, JUMPER (Tennant Industrial) |
$95.52
|
1 |
(SN 001560-009999) |
usually ships 10-13 days |
34 |
575-0579
|
PLATE, ALIGN, SWITCH, LEVEL, LIQ (Tennant Industrial) |
$9.52
|
1 |
(after SN 001559) |
usually ships 10-13 days |
35 |
275-0833
|
Cable |
$20.13
|
1 |
(after SN 001559) |
usually ships 1-5 days |
36 |
175-0632
|
Sleeve bushing |
$5.28
|
1 |
(after SN 001559) |
usually ships 1-5 days |
37 |
999-0501
|
Bolt M8-1.25 x 25mm hex head full thread stainless steel |
$2.64
|
1 |
(after SN 001559) |
ships same day |
38 |
999-0355
|
Washer 3/8 x 7/8 SAE flat stainless steel |
$0.99
|
5 |
(after SN 001559) |
ships same day |
39 |
999-1308
|
Nut M6-1 hex stainless steel |
$0.99
|
1 |
(after SN 001559) |
ships same day |
40 |
999-0499
|
Bolt M8-1.25 x 20mm hex head full thread stainless steel |
$1.85
|
1 |
(after SN 001559) |
ships same day |
41 |
275-4664
|
Float switch protector bracket |
$23.54
|
1 |
(after SN 010029) |
usually ships 10-13 days |