| # | Part | Description | Price | Req | Notes | Availability |
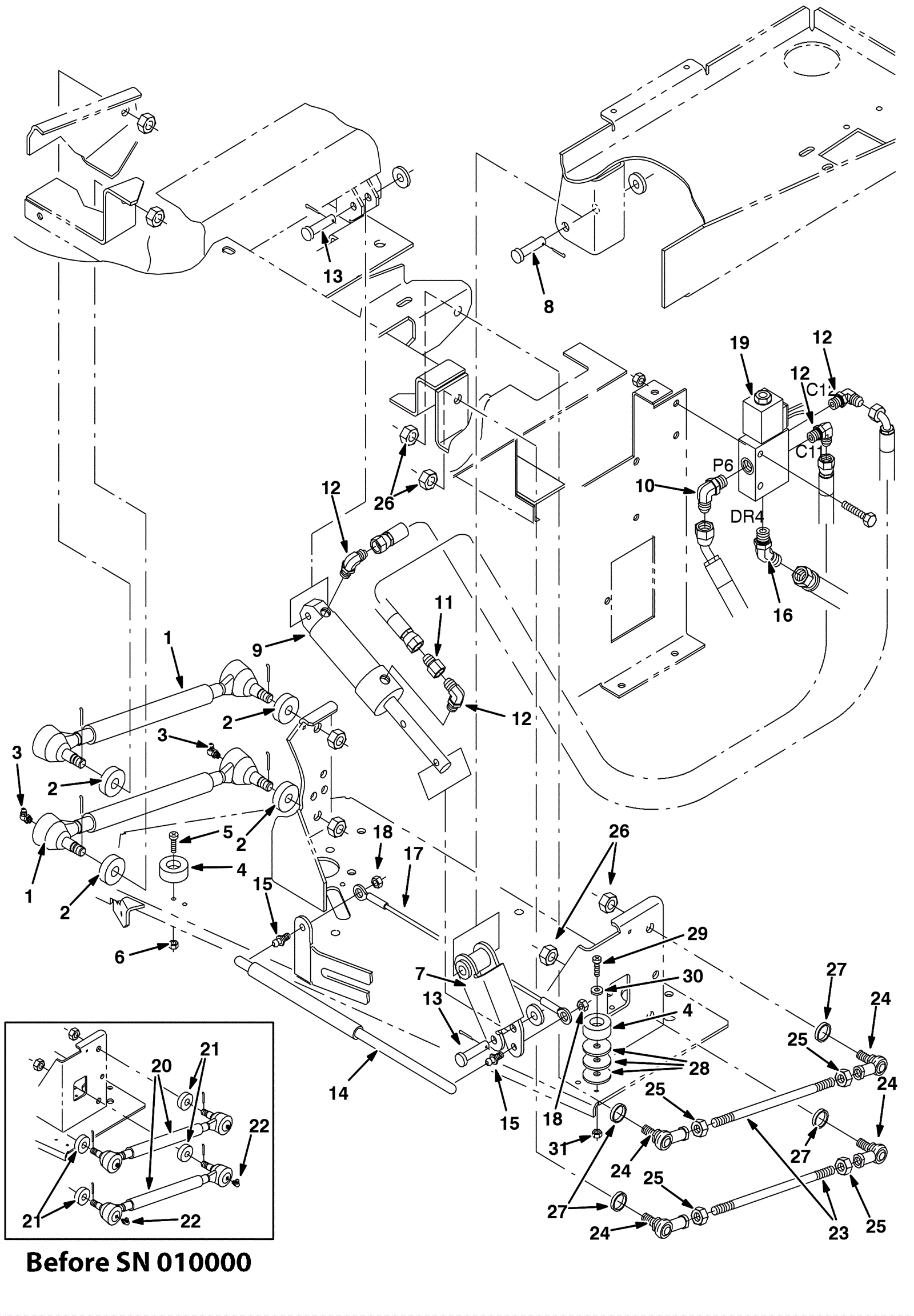
1 |
675-3417
|
LINK KIT, ROD-END, 14.40, CI (Tennant Industrial) |
$405.41
|
2 |
|
usually ships 10-13 days |
2 |
275-2563
|
Rod-end link assembly (Tennant Industrial) |
$207.21
|
4 |
|
usually ships 1-5 days |
3 |
275-8601
|
FITTING, GREASE, E90 PM04 .75L (Tennant Industrial) |
$9.84
|
2 |
|
usually ships 1-5 days |
4 |
175-0745
|
BUMPER, RBR, 1.5D 0.63 0.31H (Tennant Industrial) |
$12.17
|
2 |
|
usually ships 1-5 days |
5 |
999-1671
|
Screw M5-.8 x 20mm pan head phillips stainless steel |
$0.99
|
1 |
|
ships same day |
6 |
999-0740
|
Nut M5-.8 hex stainless steel |
$0.99
|
1 |
|
ships same day |
7 |
575-6229
|
ARM WLDT, LIFT, SCB HEAD (Tennant Industrial) |
$98.52
|
1 |
|
usually ships 10-13 days |
8 |
175-2591
|
Clevis pin |
$5.50
|
1 |
|
usually ships 1-5 days |
9 |
275-6034
|
Cylindrical head (Tennant Industrial) |
$635.13
|
1 |
|
usually ships 10-13 days |
10 |
175-7214
|
Hydraulic fitting |
$14.63
|
1 |
|
usually ships 1-5 days |
11 |
275-0378
|
FITTING, HYD, RST, JF04/JM04, .047 (Tennant Industrial) |
$54.34
|
1 |
|
usually ships 1-5 days |
12 |
175-6919
|
Elbow fitting |
$15.40
|
4 |
|
usually ships 10-13 days |
13 |
275-8195
|
Clevis pin |
$6.49
|
2 |
|
ships same day |
14 |
175-0765
|
Gas spring, 56lb, 6.3 stroke (Tennant Industrial) |
$170.70
|
1 |
|
usually ships 10-13 days |
15 |
175-0761
|
Gas spring ball stud |
$8.80
|
2 |
|
usually ships 10-13 days |
16 |
375-0678
|
Hydraulic fitting (Tennant Industrial) |
$34.51
|
1 |
|
usually ships 1-5 days |
17 |
175-0766
|
CABLE, GLV .13D 015.5L .50EYE /.50EYE (Tennant Industrial) |
$53.51
|
1 |
|
usually ships 1-5 days |
18 |
175-0762
|
NUT, RETAINER, .31-18 (Tennant Industrial) |
$25.01
|
2 |
|
usually ships 1-5 days |
19 |
675-5574
|
VALVE, CNTRL, HYD, SOLENOID, 12VDC 06GPM (Tennant Industrial |
$869.51
|
1 |
|
usually ships 10-13 days |
20 |
675-3417
|
LINK KIT, ROD-END, 14.40, CI (Tennant Industrial) |
$405.41
|
2 |
(before SN 010000) |
usually ships 10-13 days |
21 |
275-2563
|
Rod-end link assembly (Tennant Industrial) |
$207.21
|
4 |
(before SN 010000) |
usually ships 1-5 days |
22 |
275-8601
|
FITTING, GREASE, E90 PM04 .75L (Tennant Industrial) |
$9.84
|
2 |
(before SN 010000) |
usually ships 1-5 days |
23 |
675-2002
|
ROD, THRD, 2 END, M10 X 1.5 12.2L (Tennant Industrial) |
$371.24
|
2 |
(after SN 009999) |
usually ships 10-13 days |
24 |
175-0779
|
ROD-END, M10 X 1.5RH FEM M10 X 1.5STUD (Tennant Industrial) |
$79.35
|
4 |
(after SN 009999) |
usually ships 10-13 days |
25 |
999-1625
|
Nut M10-1.5 hex jam stainless steel |
$1.99
|
4 |
(after SN 009999) |
ships same day |
26 |
275-0332
|
NUT, HEX, STD, M10 X 1.50, SS |
$5.28
|
4 |
(after SN 009999) |
ships same day |
27 |
575-6470
|
TUBE, 0.43ID 0.50OD 00.2L, ALM (Tennant Industrial) |
$105.02
|
4 |
(after SN 009999) |
usually ships 10-13 days |
28 |
275-5384
|
Flat washer (Tennant Industrial) |
$9.50
|
3 |
(after SN 009999) |
usually ships 10-13 days |
29 |
175-9662
|
Screw M6-1 x 35mm hex head stainless steel |
$4.36
|
1 |
(after SN 009999) |
usually ships 1-5 days |
30 |
999-0335
|
Washer 1/4 x 5/8 SAE flat stainless steel |
$0.99
|
1 |
(after SN 009999) |
ships same day |
31 |
999-0497
|
Nut M6-1 nylon insert lock stainless steel |
$0.99
|
1 |
(after SN 009999) |
ships same day |