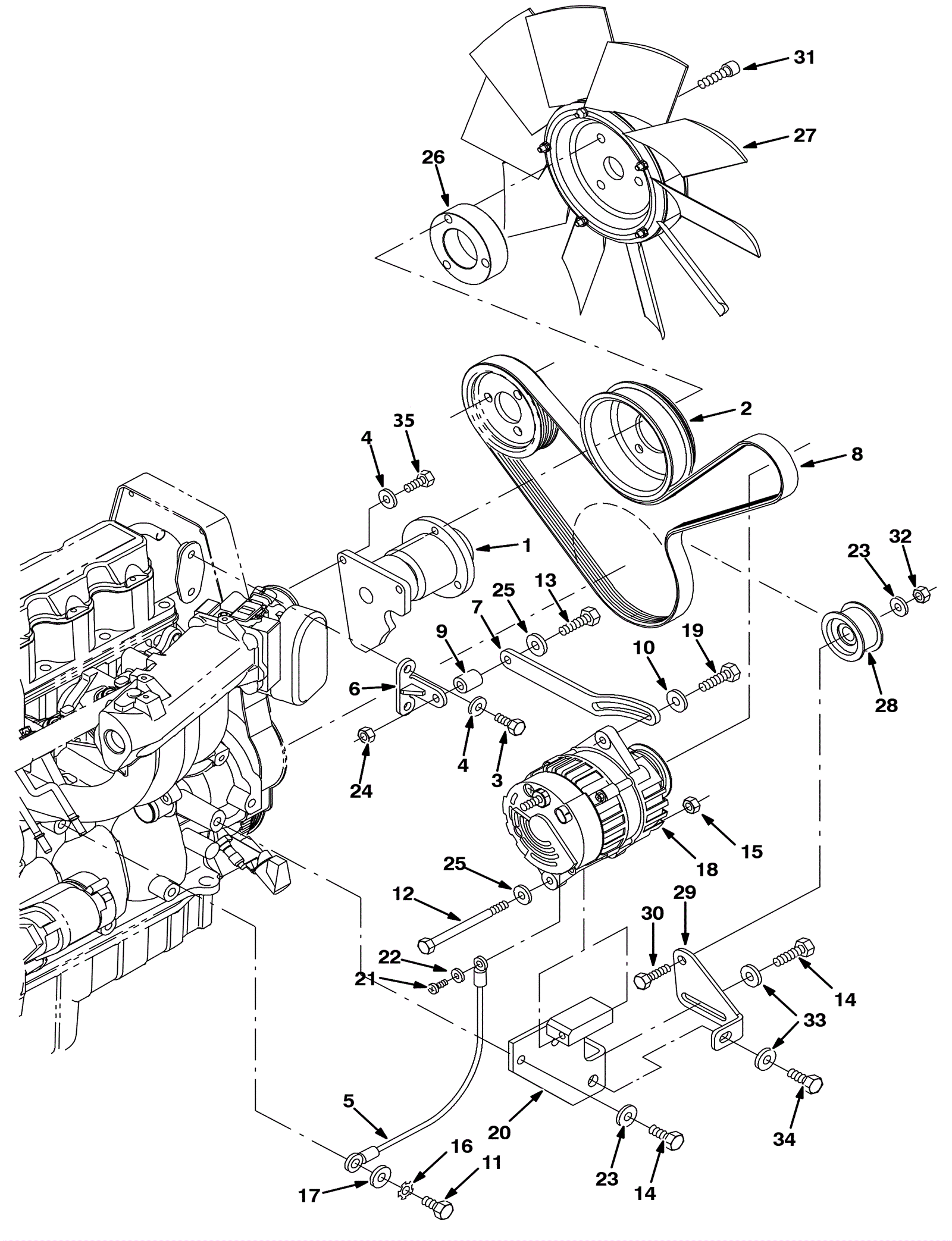
| # | Part | Description | Price | Req | Notes | Availability |
1 |
275-6668
|
Fan base assembly (TENNANT INDUSTRIAL) |
$2,934.75
|
1 |
|
usually ships 1-5 days |
2 |
675-6876
|
PULLEY, FAN, STL (Tennant Industrial) |
$1,595.02
|
1 |
|
usually ships 10-13 days |
4 |
275-6670
|
Washer flat (TENNANT INDUSTRIAL) |
$29.84
|
6 |
|
usually ships 1-5 days |
5 |
275-6665
|
Ground wire (TENNANT INDUSTRIAL) |
$56.34
|
1 |
|
usually ships 1-5 days |
6 |
275-6671
|
Anchor bracket (TENNANT INDUSTRIAL) |
$128.53
|
1 |
|
usually ships 1-5 days |
7 |
275-6672
|
Adjustment strap (TENNANT INDUSTRIAL) |
$246.72
|
1 |
|
usually ships 1-5 days |
8 |
575-8920
|
BELT, RIBBED, 52.6L [K6] (Tennant Industrial) (OBSOLETE) |
$152.47
|
1 |
|
usually ships 10-13 days |
9 |
575-1743
|
TUBE, 0.38ID 0.75OD 01.3L, STL (Tennant Industrial) |
$26.51
|
1 |
|
usually ships 10-13 days |
10 |
999-1407
|
Washer 5/16 belleville |
$3.04
|
1 |
|
ships same day |
11 |
275-0302
|
Screw M10-1.5 x 16 hex head |
$4.22
|
1 |
|
usually ships 1-5 days |
12 |
275-2115
|
SCREW, HEX, .31-18 X 4.50, G5 (Tennant Industrial) |
$7.17
|
1 |
|
usually ships 1-5 days |
13 |
175-3163
|
Screw M8-1.25 x 60mm hex head |
$4.49
|
1 |
|
usually ships 10-13 days |
14 |
175-6774
|
Screw M10-1 1/2 x 20 hex |
$4.49
|
4 |
|
usually ships 1-5 days |
15 |
999-0211
|
Nut 5/16-18 hex nylon insert lock zinc plated |
$0.99
|
1 |
|
ships same day |
16 |
275-6673
|
Washer (TENNANT INDUSTRIAL) |
$4.67
|
1 |
|
usually ships 1-5 days |
17 |
275-6674
|
Washer flat (TENNANT INDUSTRIAL) |
$17.00
|
3 |
|
usually ships 1-5 days |
18 |
275-6682
|
Alternator (TENNANT INDUSTRIAL) |
$550.61
|
1 |
|
usually ships 1-5 days |
19 |
999-0581
|
Bolt M8-1.25 x 25mm hex head full thread zinc |
$0.99
|
1 |
|
ships same day |
20 |
675-1233
|
BRACKET WLDT, ALTERNATOR [8200] (Tennant Industrial) |
$235.97
|
1 |
|
usually ships 10-13 days |
21 |
175-0691
|
SCREW, HEX, 10-24 X 0.50, SS (Tennant Industrial) |
$5.67
|
1 |
|
usually ships 1-5 days |
22 |
999-0006
|
Washer 3/16 flat zinc plated |
$0.99
|
1 |
|
ships same day |
23 |
999-0120
|
Washer 3/8 SAE flat |
$0.99
|
2 |
|
ships same day |
24 |
999-0471
|
Nut M8-1.25 nylon insert lock zinc plated |
$0.99
|
1 |
|
ships same day |
25 |
999-0549
|
Washer 5/16 x 3/4 SAE flat stainless steel |
$0.99
|
2 |
|
ships same day |
26 |
675-0967
|
SPACER, FAN (Tennant Industrial) |
$257.55
|
1 |
|
usually ships 10-13 days |
27 |
675-4581
|
FAN, COOLING, 15.5D, 10 BLADE, 2.9D BC (Tennant Industrial) |
$616.90
|
1 |
|
usually ships 10-13 days |
28 |
575-6643
|
PULLEY, IDLER, TENS, BELT (Tennant Industrial) |
$77.68
|
1 |
|
usually ships 10-13 days |
29 |
575-2191
|
BRACKET, IDLER (Tennant Industrial) |
$33.07
|
1 |
|
usually ships 10-13 days |
30 |
475-0331
|
SCREW, HEX, .38-16 X 1.50, G5 |
$3.96
|
1 |
|
usually ships 10-13 days |
31 |
475-8765
|
SCREW, SOC, .38-16 X 2.00, AL (Tennant Industrial) |
$5.67
|
3 |
|
usually ships 10-13 days |
32 |
999-0324
|
Nut 3/8-16 nylon insert lock jam zinc plated |
$0.99
|
1 |
|
ships same day |
33 |
999-0032
|
Washer 3/8 USS flat plain finish |
$2.42
|
3 |
|
ships same day |
34 |
475-8987
|
SCREW, HEX, M10 X 1.50 X 60, FL (Tennant Industrial) |
$7.17
|
3 |
|
usually ships 10-13 days |
35 |
475-9673
|
SCREW, SOC, M8 X 1.25 X 20, 12.9 (Tennant Industrial) |
$13.36
|
2 |
(after SN 019999) |
usually ships 10-13 days |