| # | Part | Description | Price | Req | Notes | Availability |
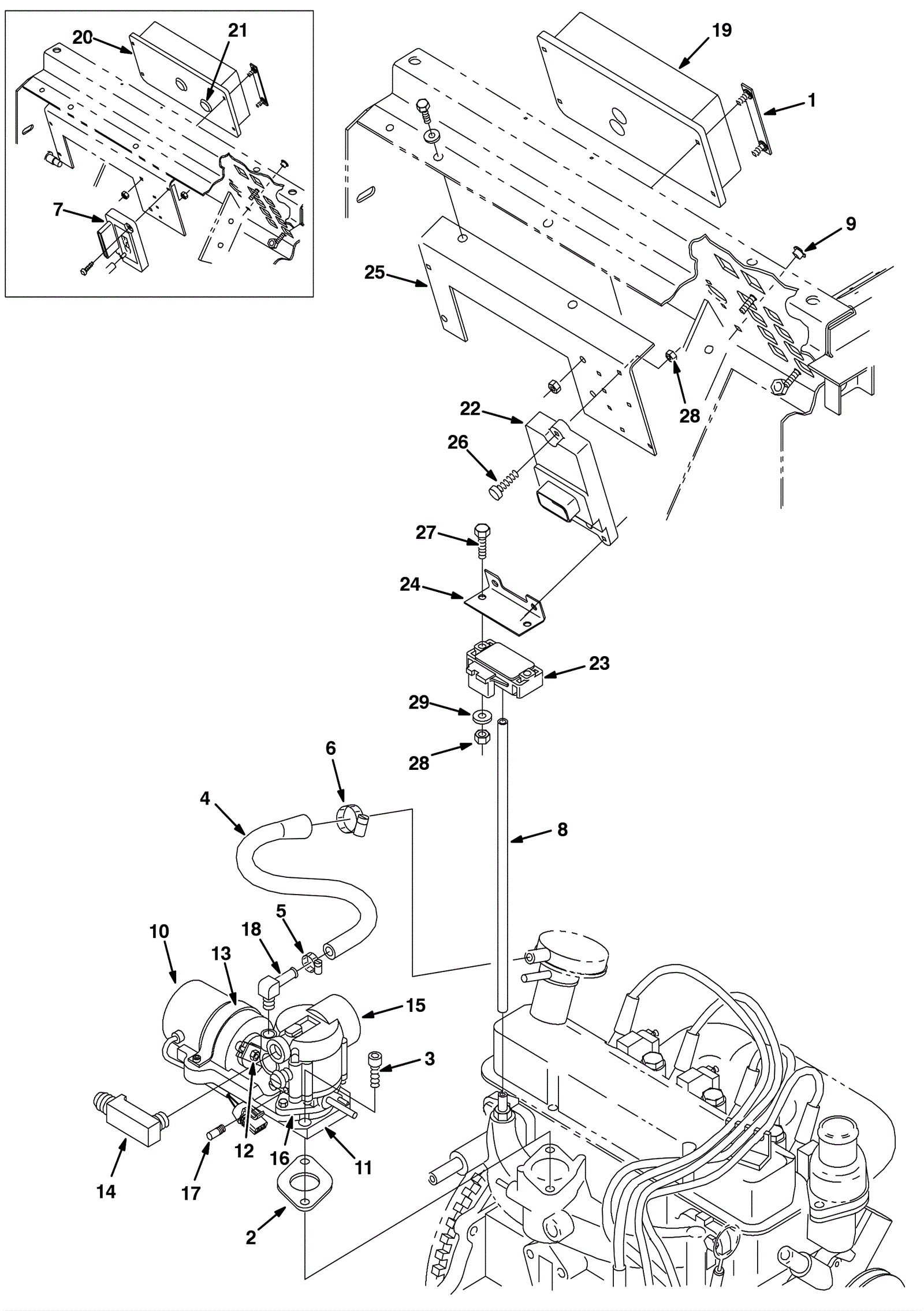
1 |
375-3823
|
Plate (Tennant Industrial) |
$40.51
|
2 |
|
usually ships 10-13 days |
2 |
375-3824
|
Carb gasket (Tennant Industrial) |
$7.33
|
1 |
|
usually ships 10-13 days |
3 |
999-1320
|
Screw M6-1 x 20mm socket head stainless steel |
$0.99
|
1 |
|
ships same day |
4 |
375-3826
|
Solution hose (Tennant Industrial) |
$43.75
|
1 |
|
usually ships 10-13 days |
5 |
175-3594
|
Hose clamp |
$5.28
|
1 |
|
usually ships 10-13 days |
6 |
175-0199
|
Hose clamp |
$7.15
|
1 |
|
usually ships 10-13 days |
7 |
375-3835
|
Ignition control (Tennant Industrial) |
$2,842.34
|
1 |
(before SN 001390) |
usually ships 10-13 days |
8 |
375-0754
|
Vacuum hose (Tennant Industrial) |
$27.34
|
1 |
|
usually ships 10-13 days |
9a |
175-2359
|
Plug |
$4.49
|
1 |
|
usually ships 1-5 days |
9b |
375-3780
|
Governor assembly ford 1.3 LPG (Tennant Industrial) |
$5,193.70
|
1 |
(includes 9c-19) |
usually ships 10-13 days |
9c |
375-3781
|
Governor LPG (Tennant Industrial) |
$4,073.46
|
1 |
(includes 10-14) |
usually ships 10-13 days |
10 |
375-3827
|
Actuator (Tennant Industrial) (OBSOLETE) |
$1,899.96
|
1 |
|
usually ships 10-13 days |
11 |
N/A
|
Not available |
Call for price
|
1 |
(bracket) |
usually ships 3-26 days |
12 |
375-3828
|
Linkage kit (Tennant Industrial) |
$687.30
|
1 |
|
usually ships 10-13 days |
13 |
375-3829
|
Actuator strap (Tennant Industrial) |
$52.51
|
1 |
|
usually ships 10-13 days |
14 |
375-3777
|
E90 fitting (Tennant Industrial) |
$259.35
|
1 |
|
usually ships 10-13 days |
15a |
375-3778
|
Carburetor with gasket (Tennant Industrial) |
$569.97
|
1 |
(includes 15b-18) |
usually ships 10-13 days |
15b |
675-4708
|
CARB KIT, REPAIR (Tennant Industrial) |
$560.95
|
1 |
|
usually ships 10-13 days |
16 |
375-3824
|
Carb gasket (Tennant Industrial) |
$7.33
|
1 |
|
usually ships 10-13 days |
17 |
375-3779
|
Carb fitting (Tennant Industrial) |
$11.00
|
1 |
|
usually ships 10-13 days |
18 |
375-3545
|
Fitting (Tennant Industrial) |
$136.03
|
1 |
|
usually ships 10-13 days |
19 |
375-3830
|
Control kit (Tennant Industrial) |
$2,619.69
|
1 |
(SN 001450-009999) |
usually ships 10-13 days |
20 |
375-3830
|
Control kit (Tennant Industrial) |
$2,619.69
|
1 |
(includes 21) (before SN 001450) |
usually ships 10-13 days |
21a |
375-3809
|
Control box plug kit (tennant industrial) |
$23.71
|
2 |
(before SN 001450) |
usually ships 10-13 days |
21b |
375-3835
|
Ignition control (Tennant Industrial) |
$2,842.34
|
1 |
(includes 21c-29) (SN 001390-009999) |
usually ships 10-13 days |
21c |
675-8821
|
VR, MODULE KIT, CNTRL, IGNITION (Tennant Industrial) |
$4,392.90
|
1 |
(includes 22-23b) (SN 001390-009999) |
ships same day |
22 |
375-3831
|
Control module (Tennant Industrial) |
$2,870.23
|
1 |
(SN 001390-009999) |
usually ships 10-13 days |
23a |
375-3833
|
Sensor (Tennant Industrial) |
$467.10
|
1 |
(SN 001390-009999) |
usually ships 10-13 days |
23b |
675-6172
|
VR, HARNESS, WIRE, JUMPER (Tennant Industrial) |
$1,007.01
|
1 |
(SN 001390-009999) |
usually ships 10-13 days |
24 |
375-3832
|
Sensor bracket (Tennant Industrial) |
$36.01
|
1 |
(SN 001390-009999) |
usually ships 10-13 days |
25 |
575-4871
|
PLATE, CONTROLBOX (Tennant Industrial) |
$130.19
|
1 |
(SN 001390-009999) |
usually ships 10-13 days |
26 |
175-3219
|
SCREW, PAN, PHL, M6 X 1.00 X 25, 4.8 (Tennant Industrial) |
$5.50
|
3 |
(SN 001390-009999) |
usually ships 1-5 days |
27 |
175-6758
|
Screw M6-1 x 30mm hex head |
$4.36
|
2 |
(SN 001390-009999) |
ships same day |
28 |
999-0469
|
Nut M6-1 nylon insert lock zinc plated |
$1.32
|
5 |
(SN 001390-009999) |
ships same day |
29 |
999-0006
|
Washer 3/16 flat zinc plated |
$0.99
|
2 |
(SN 001390-009999) |
ships same day |