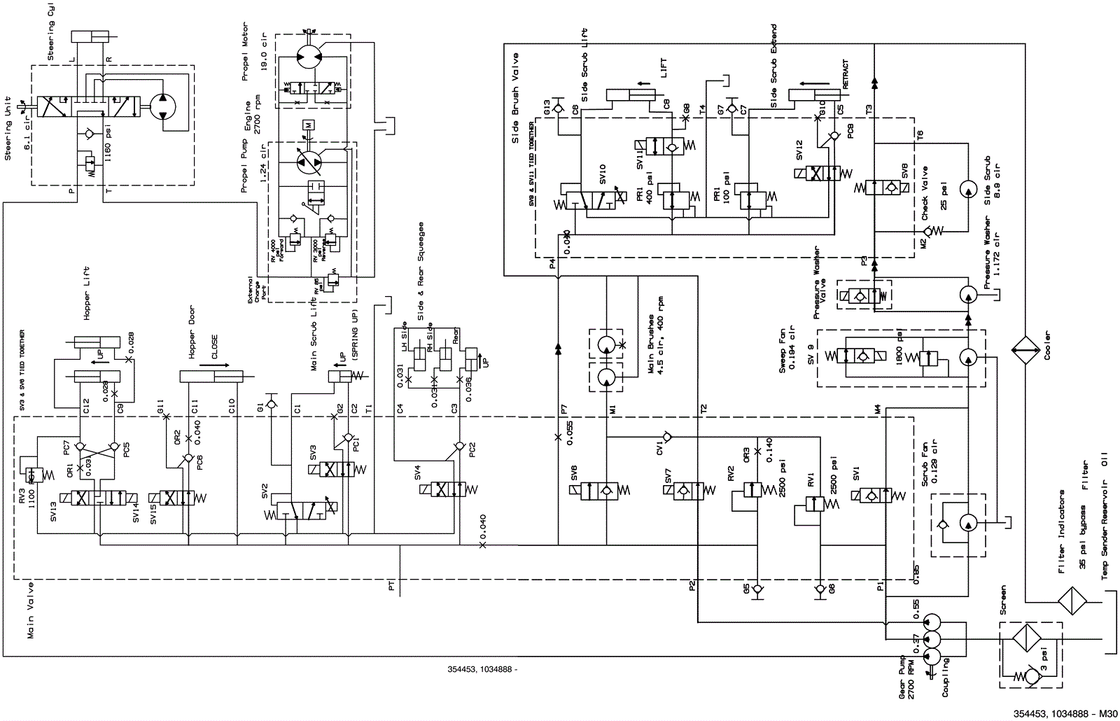
Hydraulic Schematic Assembly (000000-001462)
Click to enlarge