| # | Part | Description | Price | Req | Notes | Availability |
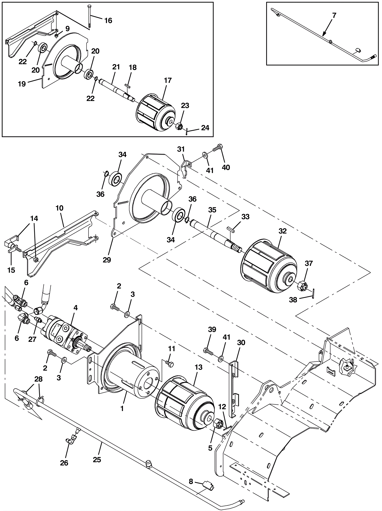
1 |
275-9425
|
HOUSING WLDT, BRUSH, DRIVE (Tennant Industrial) |
$314.23
|
|
|
usually ships 1-5 days |
2 |
999-0784
|
Screw M8-1.25 x 16mm hex head stainless steel |
$1.74
|
|
|
ships same day |
3 |
999-0024
|
Washer 5/16 flat stainless steel |
$1.34
|
|
|
ships same day |
4a |
N/A
|
Not available |
Call for price
|
|
|
usually ships 3-26 days |
4b |
375-0773
|
Hydraulic gear motor (Tennant Industrial) |
$972.03
|
|
(includes 5) |
usually ships 10-13 days |
5 |
275-4066
|
NUT, HEX, SLTD, .75-16 (Tennant Industrial) |
$13.17
|
|
|
usually ships 1-5 days |
6 |
175-7165
|
FITTING, HYD, E90, JM08/OM08 (Tennant Industrial) |
$16.34
|
|
|
usually ships 1-5 days |
7 |
375-0778
|
Case drain tube kit (Tennant Industrial) |
$192.21
|
|
|
usually ships 1-5 days |
8 |
275-9429
|
CLAMP, HYD, 0.50D (Tennant Industrial) |
$13.84
|
|
|
usually ships 1-5 days |
9 |
999-0496
|
Nut M8-1.25 nylon insert lock stainless steel |
$1.34
|
|
|
ships same day |
10 |
275-9430
|
Brush door weldment (Tennant Industrial) |
$121.19
|
|
|
usually ships 1-5 days |
11 |
275-9428
|
SCREW, HEX, .38-16 X 0.75, NL (Tennant Industrial) |
$5.33
|
|
|
usually ships 1-5 days |
12 |
175-4986
|
Cotter pin |
$3.30
|
|
|
usually ships 10-13 days |
13a |
275-9432
|
PLUG WLDT, DRIVE, BRUSH (Tennant Industrial) |
$396.41
|
|
|
usually ships 10-13 days |
13b |
375-0774
|
Brush drive plug weldment (Tennant Industrial) |
$245.05
|
|
|
usually ships 1-5 days |
14 |
175-4985
|
Latch |
$35.86
|
|
|
usually ships 10-13 days |
15 |
275-9433
|
PAWL, STR (Tennant Industrial) |
$9.84
|
|
|
usually ships 10-13 days |
16a |
275-9434
|
SCREW, HEX, M8 X 1.25 X 130, 8.8 (Tennant Industrial) |
$5.67
|
|
|
usually ships 10-13 days |
16b |
275-9435
|
Replacement brush idler assembly (Tennant Industrial) |
$1,417.12
|
|
(includes 17-24) |
usually ships 1-5 days |
17 |
275-5174
|
PLUG WLDT, DRIVE, BRUSH (Tennant Industrial) |
$296.39
|
|
|
usually ships 10-13 days |
18 |
275-0397
|
Square keyway |
$4.49
|
|
|
usually ships 10-13 days |
19 |
275-9436
|
DOOR WLDT, BRUSH, IDLER (Tennant Industrial) |
$396.41
|
|
|
usually ships 10-13 days |
20 |
175-3293
|
Ball bearing |
$18.92
|
|
|
usually ships 10-13 days |
21 |
275-9437
|
SHAFT, BRUSH, IDLER (Tennant Industrial) |
$460.76
|
|
|
usually ships 10-13 days |
22 |
175-3294
|
Retaining ring |
$3.30
|
|
|
ships same day |
23 |
275-9431
|
NUT, HEX, SLTD, M20 X 2.5, 8 (Tennant Industrial) |
$15.67
|
|
|
usually ships 10-13 days |
24 |
175-4986
|
Cotter pin |
$3.30
|
|
|
usually ships 10-13 days |
25 |
375-0779
|
Brush return tube (Tennant Industrial) |
$263.39
|
|
|
usually ships 1-5 days |
26 |
275-9441
|
FITTING, HYD, E90, JF04/JM04 (Tennant Industrial) |
$13.84
|
|
|
usually ships 1-5 days |
27 |
175-8098
|
FITTING, HYD, STR, JM04/OM04 (Tennant Industrial) |
$9.84
|
|
|
usually ships 1-5 days |
28 |
175-2162
|
Nylon wire tie |
$3.30
|
|
|
usually ships 10-13 days |
29 |
375-0775
|
Brush idler door weldment (Tennant Industrial) |
$332.40
|
|
|
usually ships 1-5 days |
30 |
375-0776
|
Support bracket (Tennant Industrial) |
$62.18
|
|
|
usually ships 1-5 days |
31 |
375-0780
|
Right hand retainer bracket (Tennant Industrial) |
$29.51
|
|
|
usually ships 1-5 days |
32 |
275-5174
|
PLUG WLDT, DRIVE, BRUSH (Tennant Industrial) |
$296.39
|
|
|
usually ships 10-13 days |
33 |
275-0397
|
Square keyway |
$4.49
|
|
|
usually ships 10-13 days |
34 |
175-3293
|
Ball bearing |
$18.92
|
|
|
usually ships 10-13 days |
35 |
275-9437
|
SHAFT, BRUSH, IDLER (Tennant Industrial) |
$460.76
|
|
|
usually ships 10-13 days |
36 |
175-3294
|
Retaining ring |
$3.30
|
|
|
ships same day |
37 |
275-9431
|
NUT, HEX, SLTD, M20 X 2.5, 8 (Tennant Industrial) |
$15.67
|
|
|
usually ships 10-13 days |
38 |
175-4986
|
Cotter pin |
$3.30
|
|
|
usually ships 10-13 days |
39 |
999-0501
|
Bolt M8-1.25 x 25mm hex head full thread stainless steel |
$2.64
|
|
|
ships same day |
40 |
999-0499
|
Bolt M8-1.25 x 20mm hex head full thread stainless steel |
$1.85
|
|
|
ships same day |
41 |
999-0024
|
Washer 5/16 flat stainless steel |
$1.34
|
|
|
ships same day |