| # | Part | Description | Price | Req | Notes | Availability |
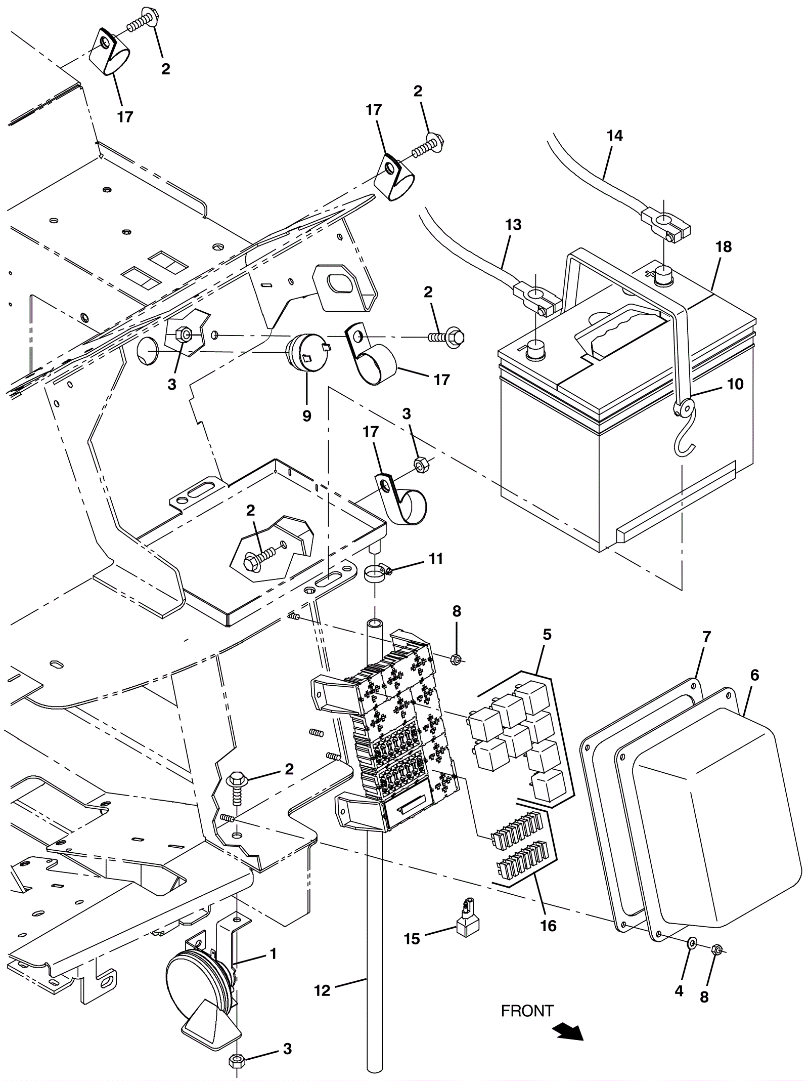
1 |
775-0114
|
12VDC horn |
$124.73
|
1 |
|
usually ships 1-5 days |
2 |
275-9575
|
SCREW, HEX, M8 X 1.25 X 25, 9.8, SEMS (Tennant Industrial) |
$4.17
|
5 |
|
ships same day |
3 |
999-0471
|
Nut M8-1.25 nylon insert lock zinc plated |
$0.99
|
1 |
|
ships same day |
4 |
999-0006
|
Washer 3/16 flat zinc plated |
$0.99
|
4 |
|
ships same day |
5 |
275-0285
|
Relay 12VDC 40A SPDT N/O |
$17.71
|
8 |
|
usually ships 10-13 days |
6 |
375-0656
|
Fuse block cover (Tennant Industrial) |
$178.87
|
1 |
|
usually ships 1-5 days |
7 |
375-0657
|
Gasket (Tennant Industrial) |
$19.67
|
1 |
|
usually ships 1-5 days |
8 |
175-2894
|
Nut M5-.8 hex nylon locking |
$3.30
|
8 |
|
usually ships 10-13 days |
9 |
375-0658
|
Warning alarm (Tennant Industrial) |
$89.18
|
1 |
|
usually ships 1-5 days |
10 |
175-9437
|
Rubber tie down strap |
$14.30
|
1 |
|
usually ships 1-5 days |
11 |
175-6081
|
Hose clamp |
$4.84
|
1 |
|
ships same day |
12 |
375-0119
|
Clear PVC hose |
$28.49
|
1 |
|
ships same day |
13a |
375-0659
|
Battery cable (Tennant Industrial) |
$114.36
|
1 |
|
usually ships 1-5 days |
13b |
375-0660
|
Battery cable (Tennant Industrial) |
$133.36
|
1 |
|
usually ships 1-5 days |
14a |
375-0661
|
Battery cable (Tennant Industrial) |
$114.36
|
1 |
|
usually ships 1-5 days |
14b |
375-0662
|
Battery cable (Tennant Industrial) |
$130.19
|
1 |
|
usually ships 1-5 days |
15 |
175-2216
|
Diode plug |
$14.19
|
1 |
|
usually ships 10-13 days |
16 |
275-6738
|
15amp fuse (TENNANT INDUSTRIAL) |
$6.67
|
14 |
|
usually ships 1-5 days |
17 |
175-5314
|
P clamp (Tennant Industrial) |
$6.67
|
4 |
|
usually ships 10-13 days |
18 |
999-0471
|
Nut M8-1.25 nylon insert lock zinc plated |
$0.99
|
2 |
|
ships same day |
19 |
162-0002
|
12V 185Ah wet battery (SNSR) |
$511.50
|
1 |
|
ships same day |