| # | Part | Description | Price | Req | Notes | Availability |
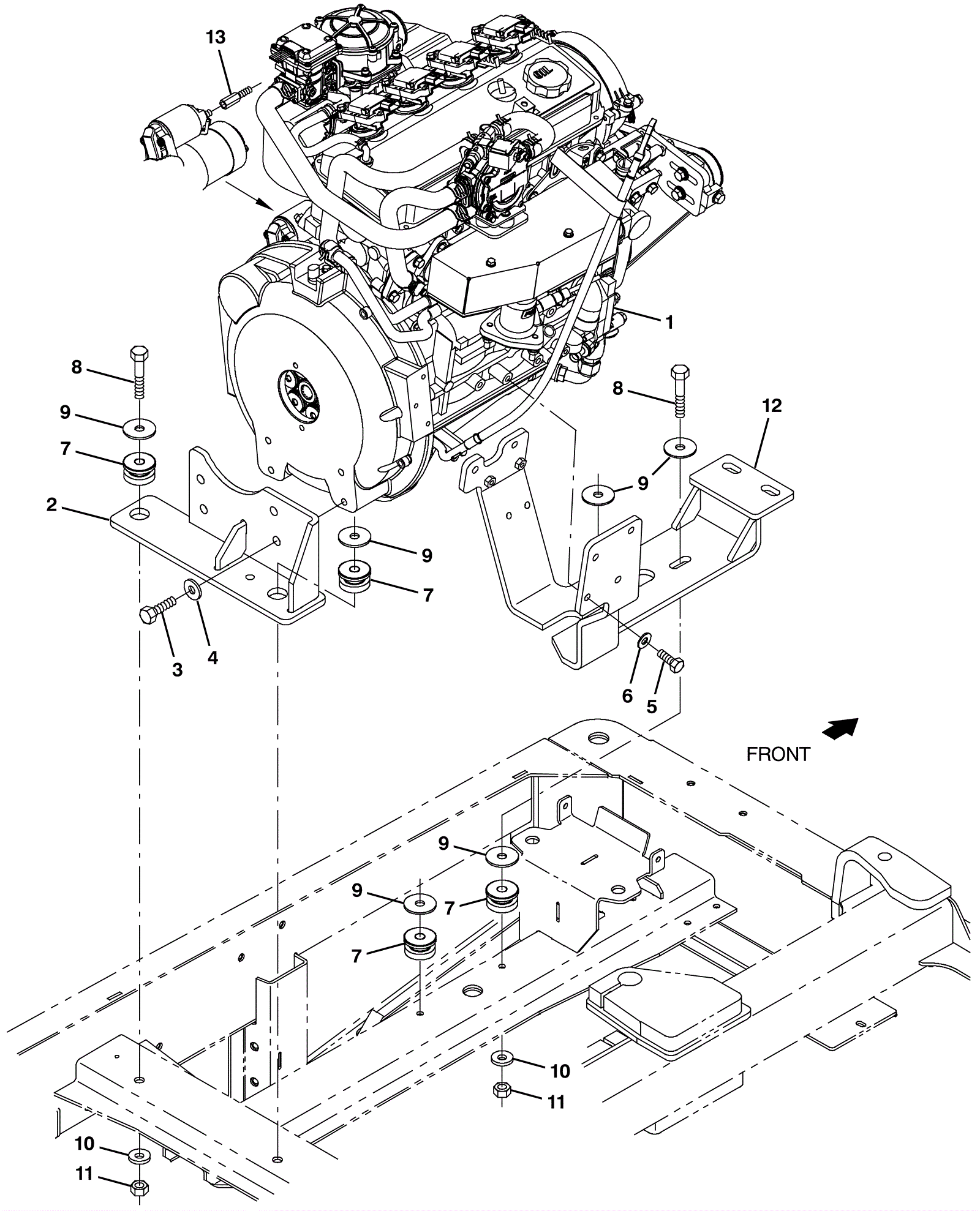
1a |
375-0580
|
LPG engine (Tennant Industrial) (OBSOLETE) |
Call for price
|
1 |
(includes 1c) (see Engine Breakdown) |
usually ships 1-5 days |
1b |
375-0576
|
Long engine block (Tennant Industrial) |
$14,423.55
|
1 |
(includes 1c) (see Engine Breakdown) |
usually ships 1-5 days |
1c |
375-3626
|
Spin on oil filter (Tennant Industrial) |
$49.51
|
1 |
|
usually ships 10-13 days |
1d |
991-3064
|
Spin-on oil filter |
$18.50
|
1 |
(NON-OEM) |
usually ships 10-15 days |
2 |
375-0577
|
Rear bracket weldment (Tennant Industrial) |
$112.86
|
1 |
|
usually ships 1-5 days |
3 |
999-0504
|
Bolt M12-1.75 x 35mm hex hd stainless steel full thread |
$4.82
|
4 |
|
ships same day |
4 |
999-0114
|
Washer 1/2 SAE flat |
$0.99
|
4 |
|
ships same day |
5 |
275-2819
|
SCREW, HEX, M10 X 1.25 X 25, 8.8 (Tennant Industrial) |
$4.00
|
6 |
|
usually ships 1-5 days |
6 |
999-0120
|
Washer 3/8 SAE flat |
$0.99
|
6 |
|
ships same day |
7 |
175-6823
|
ISOLATOR, VIB, .50D (Tennant Industrial) |
$59.68
|
4 |
|
usually ships 1-5 days |
8 |
175-6824
|
Screw M12-1 3/4 x 60mm hex |
$5.28
|
4 |
|
usually ships 1-5 days |
9 |
175-3470
|
Washer .53b 1.88d .12 steel plated |
$5.28
|
4 |
|
usually ships 10-13 days |
10 |
999-0187
|
Washer 1/2 flat plain finish |
$0.99
|
3 |
|
ships same day |
11 |
999-0519
|
Nut M12-1.75 nylon insert lock stainless steel |
$3.85
|
3 |
|
ships same day |
12 |
375-0578
|
Engine bracket weldment (Tennant Industrial) |
$240.55
|
1 |
|
usually ships 1-5 days |
13 |
375-0579
|
Stand-off M8 x M8 hex head metal |
$42.34
|
1 |
|
usually ships 1-5 days |