| # | Part | Description | Price | Req | Notes | Availability |
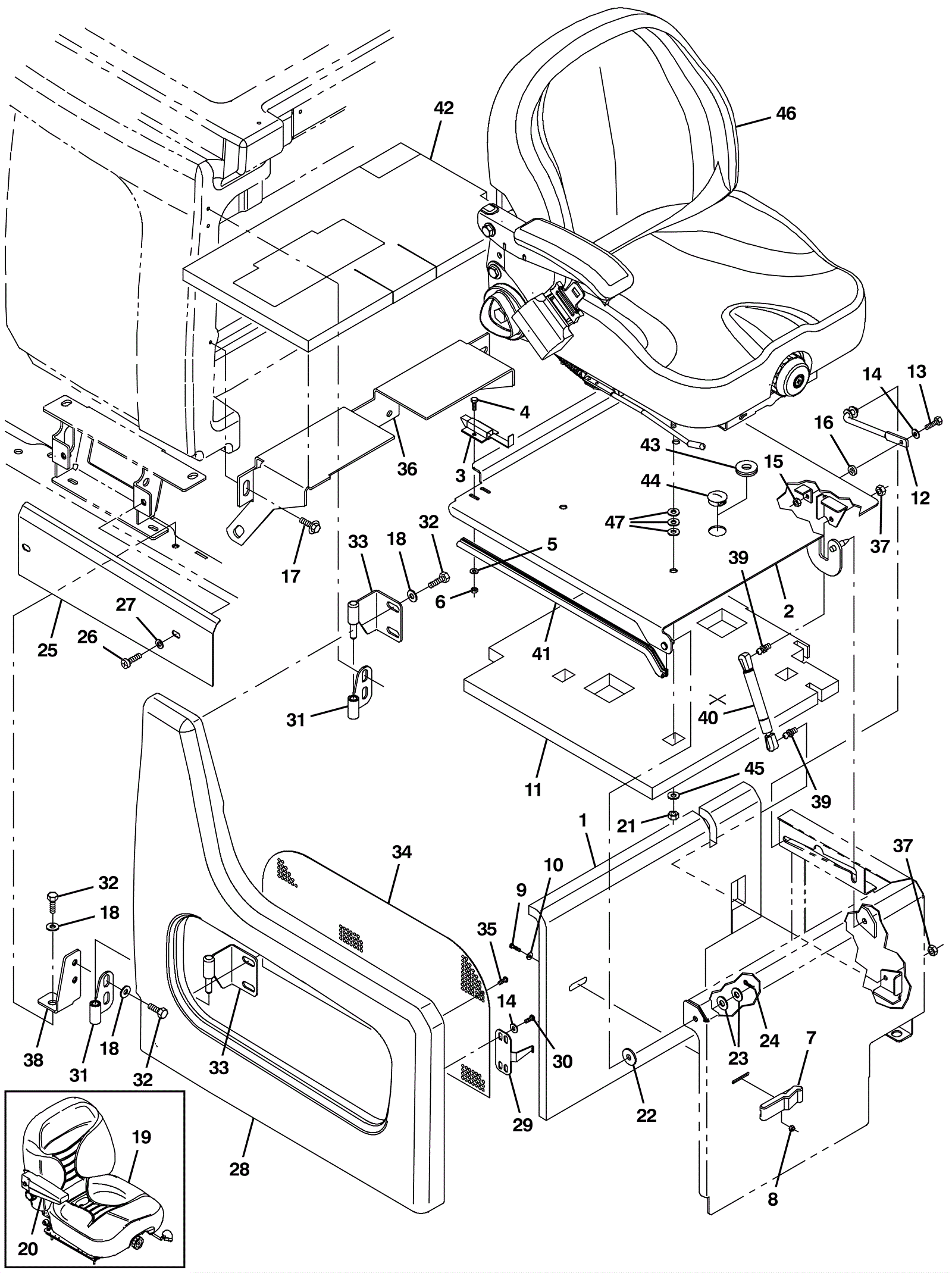
1 |
375-0397
|
Flame retardant insulation (Tennant Industrial) |
$132.19
|
1 |
|
usually ships 1-5 days |
2 |
375-0398
|
Seat plate weldment (Tennant Industrial) |
$360.24
|
1 |
|
usually ships 1-5 days |
3 |
275-7586
|
Latch (Tennant Industrial) |
$28.01
|
1 |
|
usually ships 1-5 days |
4 |
999-0901
|
Screw M5-.8 x 16mm pan head phillips stainless steel |
$0.99
|
2 |
|
ships same day |
5 |
999-0006
|
Washer 3/16 flat zinc plated |
$0.99
|
2 |
|
ships same day |
6 |
175-2894
|
Nut M5-.8 hex nylon locking |
$3.30
|
2 |
|
usually ships 10-13 days |
7a |
175-3369
|
Hood latch |
$35.09
|
1 |
|
usually ships 10-13 days |
7b |
991-8561
|
Rubber draw latch with keeper |
$29.57
|
1 |
|
usually ships 18-24 days |
8 |
999-0954
|
Nut M4-.7 nylon insert lock stainless steel |
$0.99
|
4 |
|
ships same day |
9 |
375-0399
|
Screw M4 -.7 x 20, 4.8 pan phillips (Tennant Industrial) |
$4.17
|
4 |
|
usually ships 1-5 days |
10 |
999-0377
|
Washer 6 SAE flat plain finish |
$0.99
|
2 |
|
ships same day |
11 |
375-0400
|
Flame retardant insulation (Tennant Industrial) |
$127.19
|
1 |
|
usually ships 10-13 days |
12 |
175-3181
|
Safety support arm |
$58.85
|
1 |
|
usually ships 10-13 days |
13 |
999-0518
|
Bolt M6-1 x 25mm hex head full thread zinc |
$0.99
|
1 |
|
ships same day |
14 |
999-0016
|
Washer 1/4 flat plain finish |
$0.99
|
4 |
|
ships same day |
15 |
999-0469
|
Nut M6-1 nylon insert lock zinc plated |
$1.32
|
1 |
|
ships same day |
16 |
175-7025
|
Spacer (Tennant Industrial) |
$5.33
|
1 |
|
usually ships 1-5 days |
17 |
275-4736
|
Screw M8-1.25 x 20mm hex washer head stainless steel SEMS |
$4.49
|
3 |
|
ships same day |
18 |
175-7920
|
Washer M8 flat stainless steel |
$4.49
|
9 |
|
ships same day |
19a |
275-7320
|
SEAT, SUSPENSION, W/1 ARM & SEATBELT (Tennant Industrial) |
$2,296.63
|
1 |
|
usually ships 1-5 days |
19b |
375-0401
|
Retractable seatbelt (Tennant Industrial) |
$347.74
|
1 |
(Deluxe Seat) |
usually ships 1-5 days |
19c |
275-9280
|
Seat switch |
$11.11
|
1 |
|
usually ships 10-13 days |
20 |
375-0402
|
Right hand armrest |
$175.34
|
1 |
|
usually ships 1-5 days |
21 |
999-0211
|
Nut 5/16-18 hex nylon insert lock zinc plated |
$0.99
|
4 |
|
ships same day |
22 |
375-0403
|
Flat washer (Tennant Industrial) |
$10.84
|
1 |
|
usually ships 1-5 days |
23 |
999-0032
|
Washer 3/8 USS flat plain finish |
$2.42
|
2 |
|
ships same day |
24 |
175-7107
|
Cotter hair pin |
$3.30
|
1 |
|
usually ships 10-13 days |
25 |
375-0404
|
Right hand lower cover (Tennant Industrial) |
$45.01
|
1 |
|
usually ships 1-5 days |
26 |
275-5691
|
Screw M8-1.25 x 25mm pan head (black) (Tennant Industrial) |
$5.67
|
2 |
|
usually ships 10-13 days |
27 |
999-0549
|
Washer 5/16 x 3/4 SAE flat stainless steel |
$0.99
|
2 |
|
ships same day |
28 |
375-0405
|
Right hand shroud (Tennant Industrial) |
$205.71
|
1 |
|
usually ships 1-5 days |
29 |
375-0406
|
Seat bracket (Tennant Industrial) |
$27.84
|
1 |
|
usually ships 1-5 days |
30 |
999-1225
|
Screw M5-.8 x 12mm pan head phillips zinc |
$0.99
|
2 |
|
ships same day |
31 |
375-0407
|
Right hand hinge weldment (Tennant Industrial) |
$71.68
|
2 |
|
usually ships 1-5 days |
32 |
999-1133
|
Bolt M8-1.25 x 20mm hex head full thread plain |
$0.99
|
8 |
|
ships same day |
33 |
375-0408
|
Right hand hinge weldment (Tennant Industrial) |
$113.69
|
2 |
|
usually ships 1-5 days |
34 |
375-0409
|
Left hand grill (Tennant Industrial) |
$86.52
|
1 |
|
usually ships 1-5 days |
35 |
175-2146
|
Screw 6-20 x 1/2 pan head |
$3.30
|
6 |
|
usually ships 10-13 days |
36 |
375-0410
|
Seat support bracket (Tennant Industrial) |
$120.19
|
1 |
|
usually ships 1-5 days |
37 |
999-0278
|
Nut 5/16-18 nylon insert lock jam zinc plated |
$0.99
|
2 |
|
ships same day |
38 |
375-0411
|
Right hand hinge bracket (Tennant Industrial) |
$25.17
|
1 |
|
usually ships 1-5 days |
39 |
175-0761
|
Gas spring ball stud |
$8.80
|
2 |
|
usually ships 10-13 days |
40 |
N/A
|
Not available |
Call for price
|
1 |
|
usually ships 3-26 days |
41 |
375-0412
|
Bulb seal (Tennant Industrial) |
$53.51
|
1 |
|
usually ships 1-5 days |
42 |
375-0413
|
Accoustic insulation (Tennant Industrial) |
$173.87
|
1 |
|
usually ships 1-5 days |
44 |
175-2147
|
Nylon plug (black) |
$4.49
|
1 |
|
usually ships 10-13 days |
45 |
999-0024
|
Washer 5/16 flat stainless steel |
$1.34
|
4 |
|
ships same day |
46 |
375-0414
|
Seat (Tennant Industrial) |
$1,869.37
|
1 |
(see Breakdowns) |
usually ships 1-5 days |