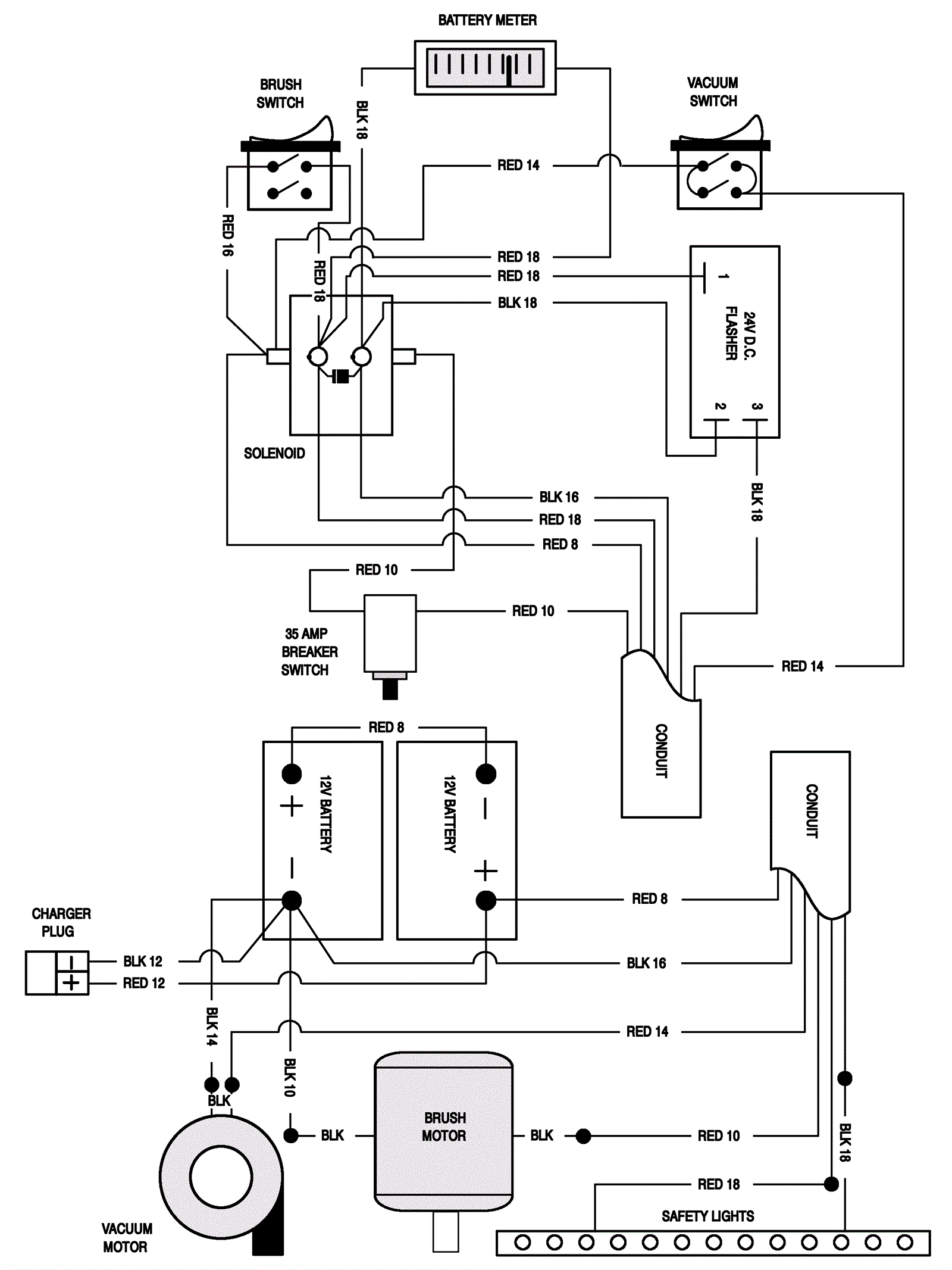
24 Volt Wiring Assembly
Click to enlarge