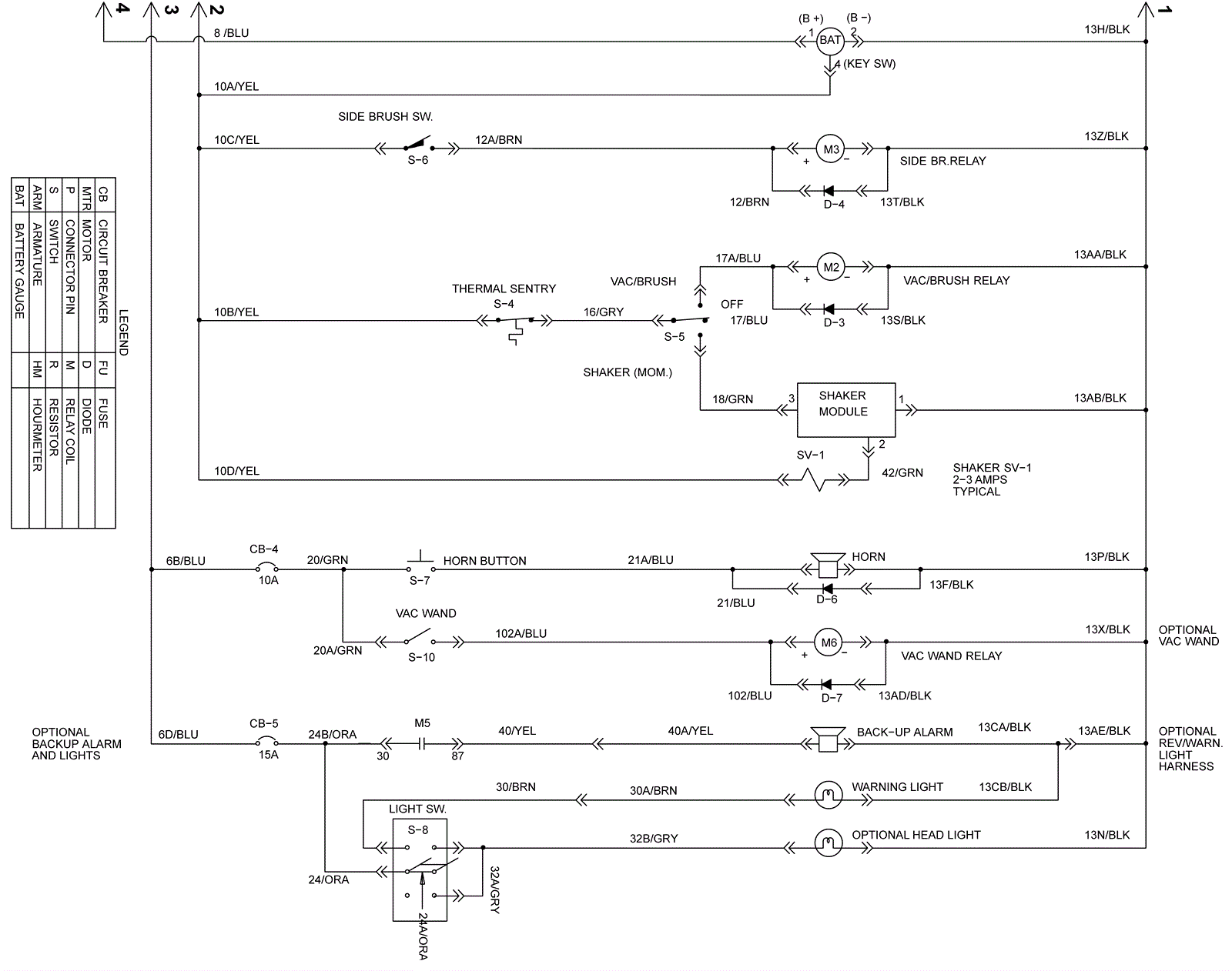
Heavy Duty Controller Electical Diagram - 2
Click to enlarge