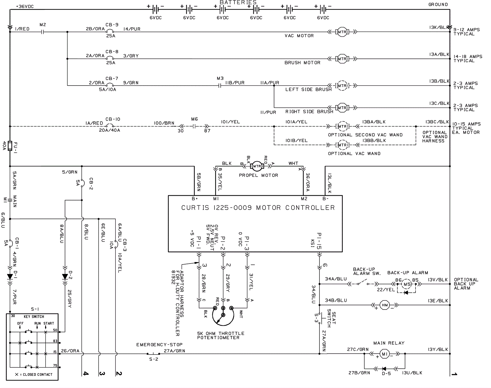
Heavy Duty Controller Electical Diagram - 1
Click to enlarge