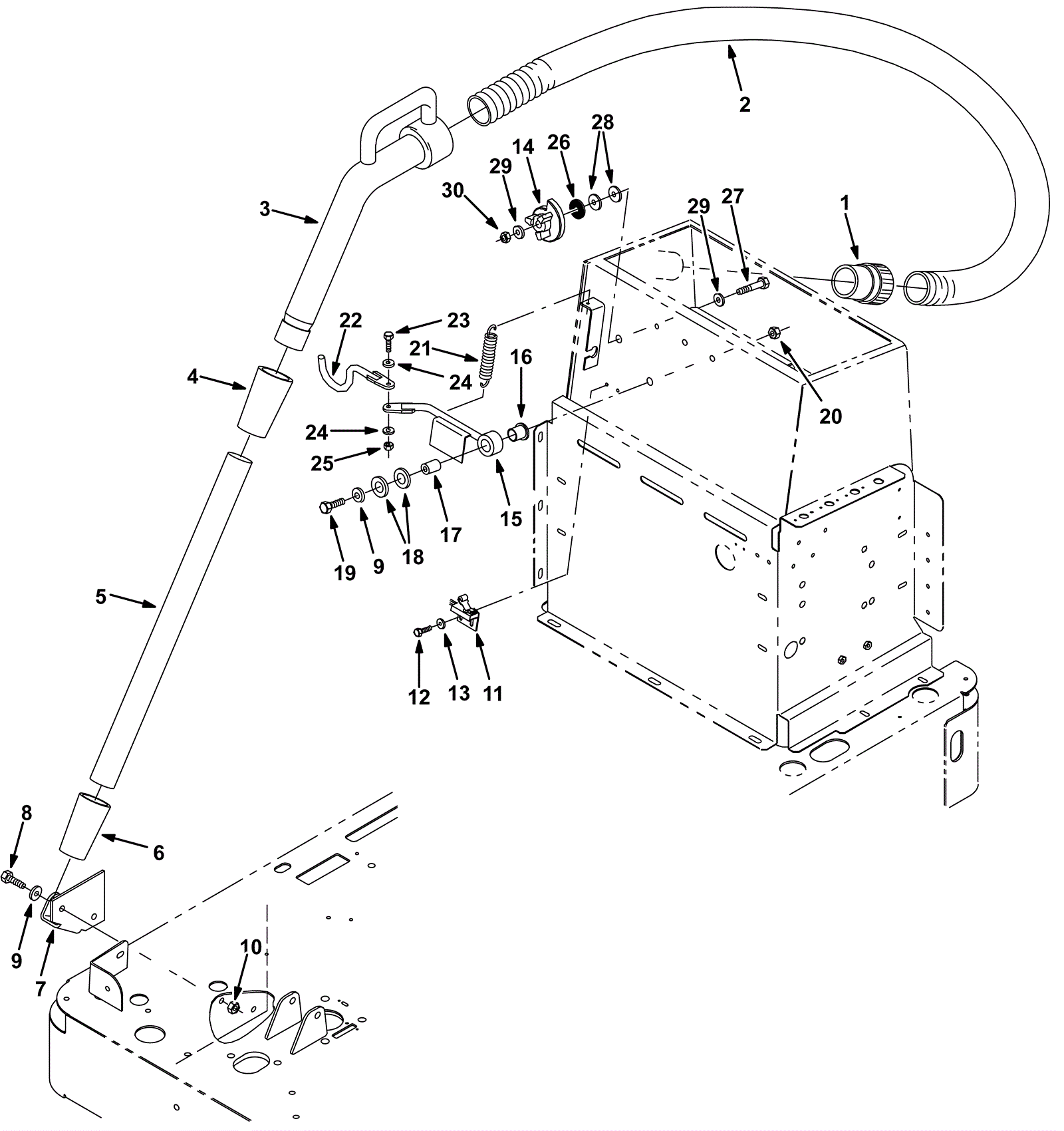
| # | Part | Description | Price | Req | Notes | Availability |
1 |
175-9306
|
Hose cuff |
$32.45
|
1 |
|
usually ships 10-13 days |
2 |
175-9417
|
Flex hose |
$44.44
|
1 |
|
usually ships 10-13 days |
3 |
175-9418
|
Vacuum hose nozzle |
$204.93
|
1 |
|
usually ships 10-13 days |
4 |
175-9419
|
Vacuum hose coupling |
$27.83
|
1 |
|
usually ships 10-13 days |
5 |
275-6028
|
24 inch vacuum wand |
$77.77
|
1 |
|
usually ships 10-13 days |
6 |
175-9409
|
Vacuum wand coupling |
$31.46
|
1 |
|
usually ships 10-13 days |
7 |
275-6953
|
Wand bracket |
$31.68
|
1 |
|
usually ships 1-5 days |
8 |
275-0025
|
Screw M10-1.5 x 25 hex head 8.8 |
$4.36
|
2 |
|
usually ships 10-13 days |
9 |
999-0032
|
Washer 3/8 USS flat plain finish |
$2.42
|
3 |
|
ships same day |
10 |
175-0791
|
Nut M10 x 1.5 hex flange |
$5.28
|
2 |
|
ships same day |
11 |
275-6954
|
Snap switch |
$133.43
|
1 |
|
usually ships 10-13 days |
12 |
175-0837
|
Bolt M5-.8 x 16mm hex head |
$3.30
|
2 |
|
usually ships 1-5 days |
13 |
999-0006
|
Washer 3/16 flat zinc plated |
$0.99
|
2 |
|
ships same day |
14 |
175-2183
|
Adjustment cam |
$9.02
|
1 |
|
ships same day |
15 |
275-6955
|
Handle rod |
$72.60
|
1 |
|
usually ships 10-13 days |
16 |
275-6956
|
Flange bearing |
$20.02
|
1 |
|
usually ships 10-13 days |
17 |
275-6957
|
Tube |
$34.76
|
1 |
|
usually ships 10-13 days |
18 |
275-7611
|
Thrust washer |
$10.67
|
2 |
|
usually ships 1-5 days |
19 |
175-3259
|
Screw M10-1.5 x 45mm hex head |
$5.28
|
1 |
|
usually ships 1-5 days |
20 |
999-9133
|
Nut M10-1.5 nut hex head stainless steel |
$1.25
|
1 |
|
usually ships 1-5 days |
21 |
275-0840
|
Tension spring |
$7.37
|
1 |
|
usually ships 10-13 days |
22 |
275-6958
|
Vacuum wand rod |
$68.31
|
1 |
|
usually ships 10-13 days |
23 |
999-0502
|
Bolt M6-1 x 20mm hex head full thread zinc |
$0.99
|
1 |
|
ships same day |
24 |
999-0123
|
Washer 1/4 SAE flat zinc plated |
$0.99
|
2 |
|
ships same day |
25 |
999-0469
|
Nut M6-1 nylon insert lock zinc plated |
$1.32
|
1 |
|
ships same day |
26 |
175-2309
|
Washer |
$5.28
|
1 |
|
ships same day |
27 |
999-0309
|
Bolt M8-1.25 x 50mm hex head part thread zinc |
$0.99
|
1 |
|
ships same day |
28 |
275-3218
|
Washer |
$5.28
|
2 |
|
usually ships 1-5 days |
29 |
999-0024
|
Washer 5/16 flat stainless steel |
$1.34
|
2 |
|
ships same day |
30 |
999-0471
|
Nut M8-1.25 nylon insert lock zinc plated |
$0.99
|
1 |
|
ships same day |