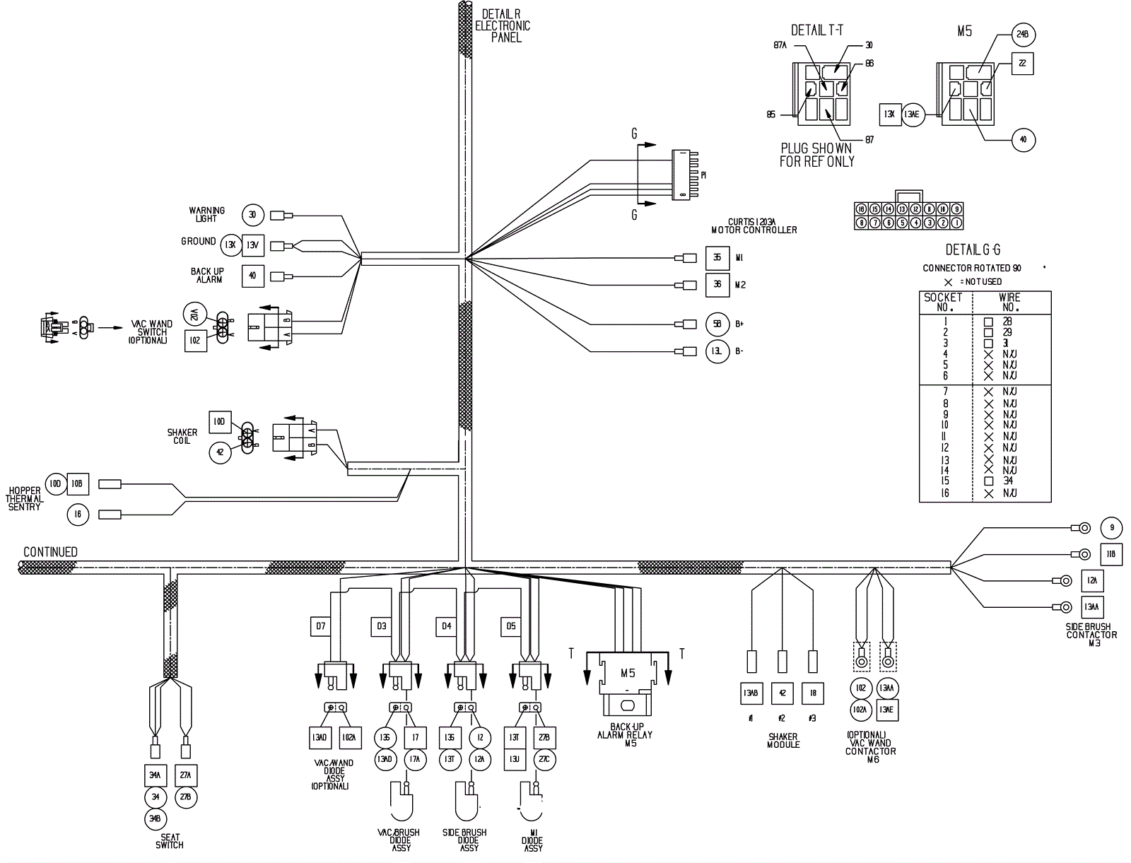
Wire Harnesses Assembly - Part 5
Click to enlarge