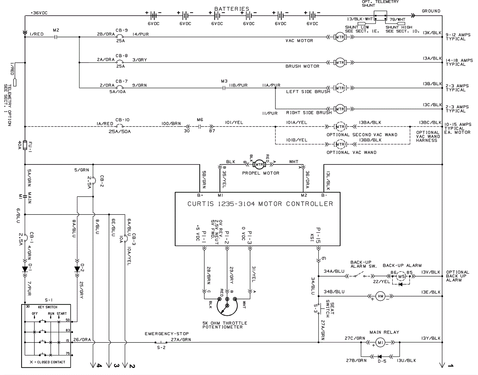
Electrical Diagram - After SN 005104 - 1
Click to enlarge