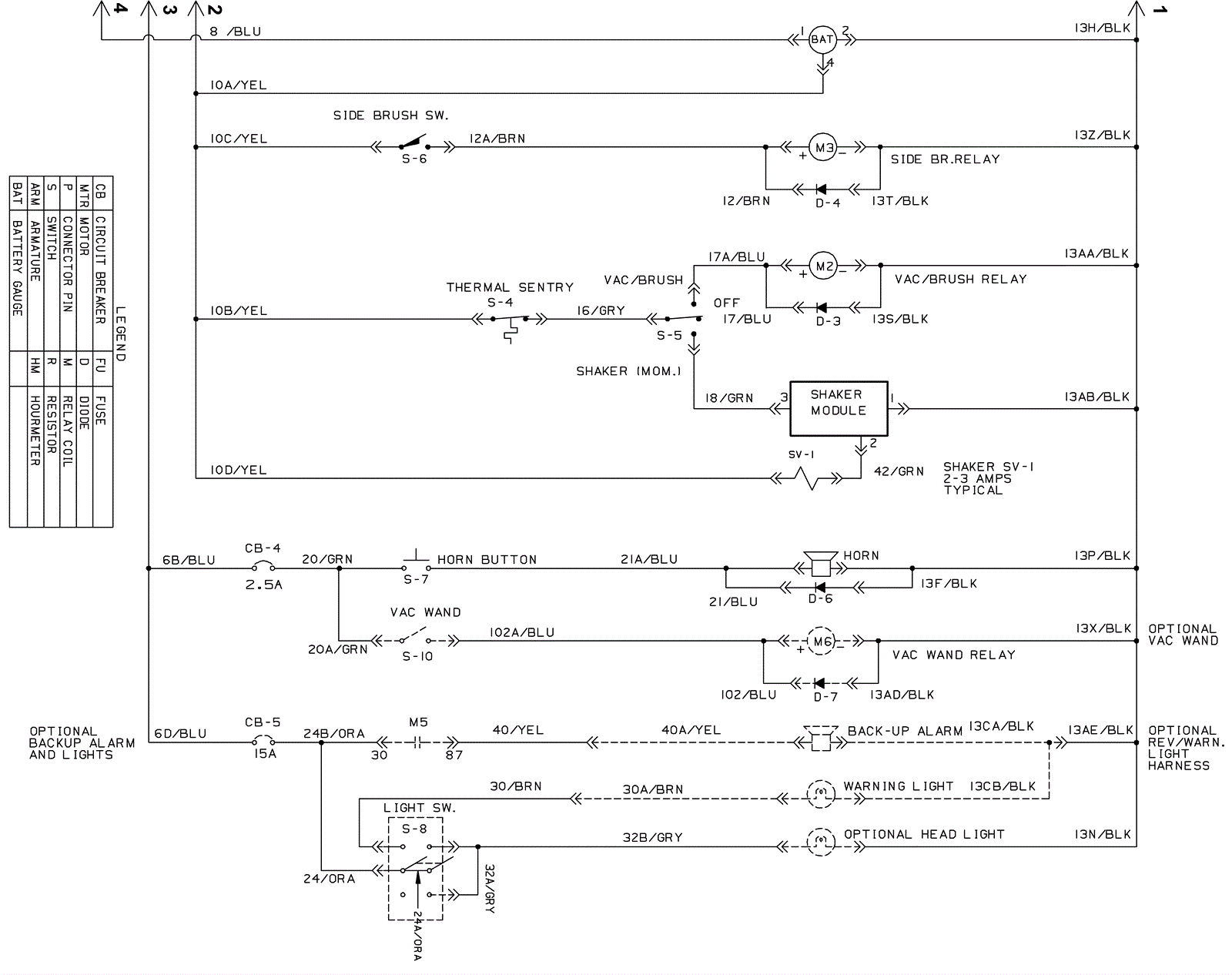
Electrical Diagram - Between SN 002015-005103 - 2
Click to enlarge