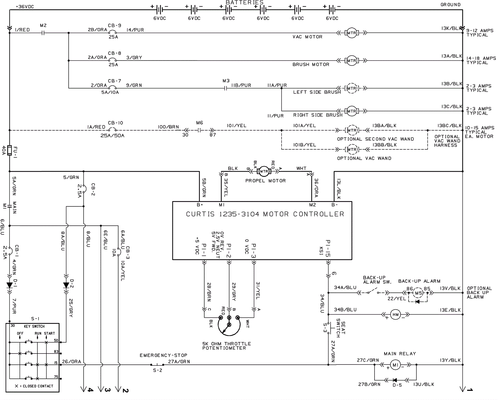
Electrical Diagram- Between SN 002015-005103 - 1
Click to enlarge