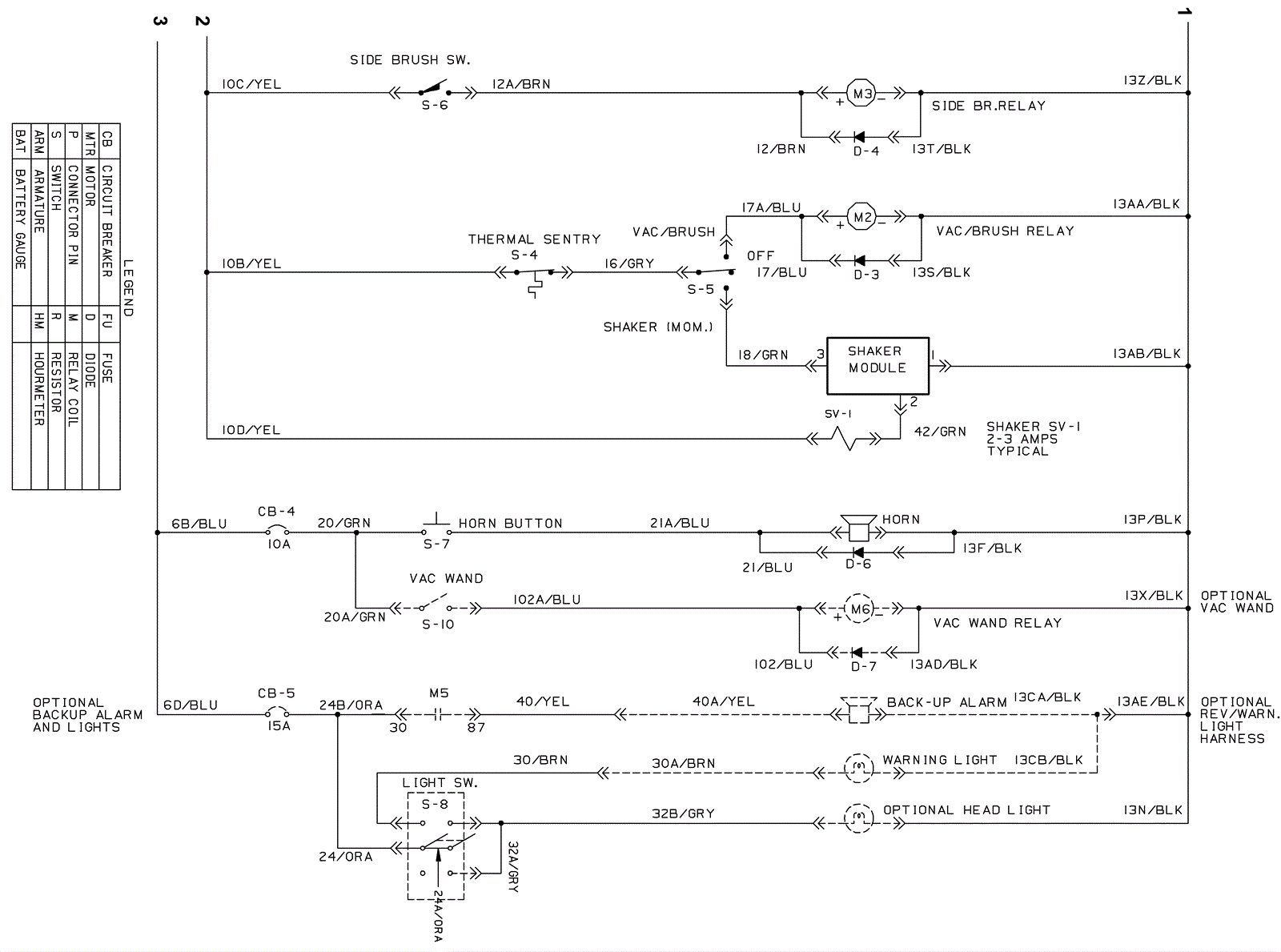
Electrical Diagram - Before SN 00214 - 2
Click to enlarge