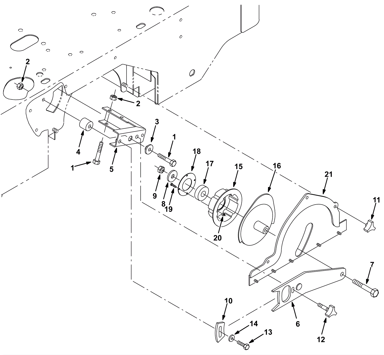
| # | Part | Description | Price | Req | Notes | Availability |
1 |
999-9081
|
Screw M10-1.5 x 65mm hex head stainless steel |
$2.99
|
3 |
|
ships same day |
2 |
999-9133
|
Nut M10-1.5 nut hex head stainless steel |
$1.25
|
3 |
|
usually ships 1-5 days |
3 |
175-3287
|
Flanged bushing |
$6.27
|
1 |
|
ships same day |
4 |
275-0460
|
Steel spacer |
$14.85
|
1 |
|
usually ships 1-5 days |
5 |
275-0834
|
Brush arm bracket |
$48.51
|
1 |
|
usually ships 1-5 days |
6 |
275-0835
|
Brush lift plate |
$63.03
|
1 |
|
usually ships 10-13 days |
7 |
275-0463
|
Screw M12-1.75 x 120mm hex head |
$8.25
|
1 |
|
ships same day |
8 |
275-0464
|
Washer 1/2 flat belleville |
$5.28
|
1 |
|
usually ships 10-13 days |
9 |
999-0519
|
Nut M12-1.75 nylon insert lock stainless steel |
$3.85
|
1 |
|
ships same day |
10 |
275-0465
|
Adjustment arm plate |
$14.19
|
1 |
|
usually ships 10-13 days |
11 |
175-2525
|
Knob |
$8.25
|
3 |
|
usually ships 10-13 days |
12 |
275-0466
|
Replacement knob |
$28.38
|
1 |
|
usually ships 10-13 days |
13 |
999-0581
|
Bolt M8-1.25 x 25mm hex head full thread zinc |
$0.99
|
1 |
|
ships same day |
14 |
999-0024
|
Washer 5/16 flat stainless steel |
$1.34
|
1 |
|
ships same day |
15 |
275-0467
|
Special drive brush plug |
$75.46
|
1 |
|
ships same day |
16 |
275-0468
|
Brush idler plug weldment |
$125.29
|
1 |
|
usually ships 10-13 days |
17 |
175-9072
|
Ball bearing |
$8.58
|
1 |
|
ships same day |
18 |
275-0469
|
Bearing retainer |
$16.06
|
1 |
|
ships same day |
19 |
175-0852
|
Bolt 5mm-.8 x 12 hex head |
$5.28
|
4 |
|
usually ships 10-13 days |
20 |
175-2894
|
Nut M5-.8 hex nylon locking |
$3.30
|
4 |
|
usually ships 10-13 days |
21 |
275-0470
|
Brush door weldment |
$81.84
|
1 |
|
usually ships 10-13 days |