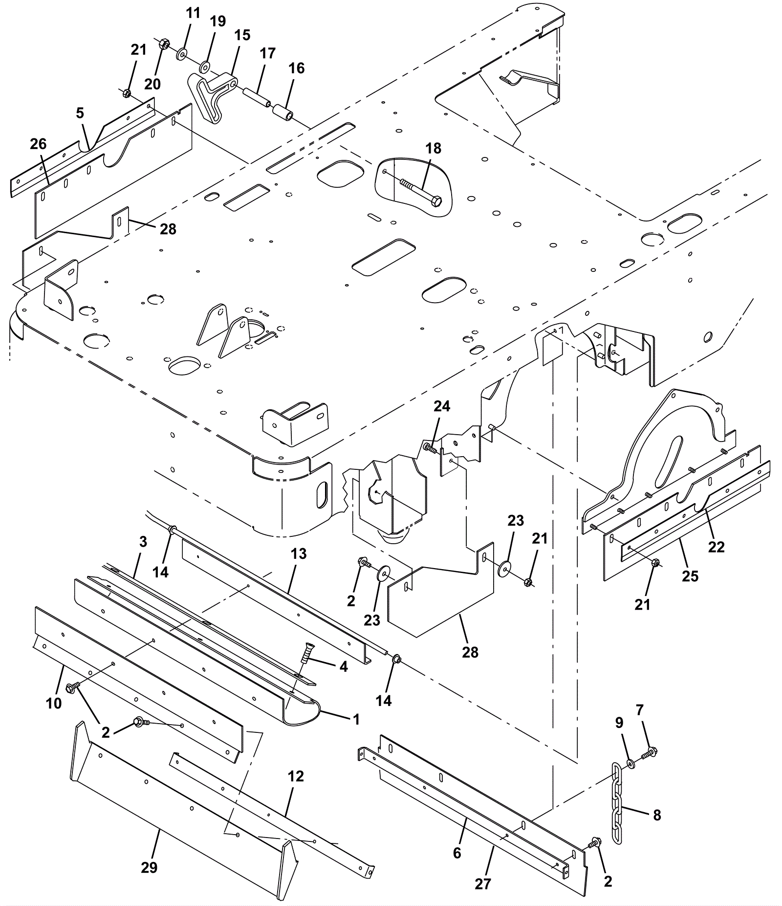
| # | Part | Description | Price | Req | Notes | Availability |
1 |
275-0813
|
Recirculation skirt |
$24.31
|
1 |
|
usually ships 10-13 days |
2 |
175-3166
|
Bolt M6-1 x 16mm hex head |
$5.28
|
14 |
|
usually ships 10-13 days |
3 |
275-0814
|
Retainer |
$28.71
|
1 |
|
usually ships 1-5 days |
4 |
999-1622
|
Screw M8-1.25 x 25mm flat head phillips stainless steel |
$1.69
|
3 |
|
ships same day |
5 |
275-0435
|
Recirculation flap retainer |
$23.54
|
1 |
|
usually ships 1-5 days |
6 |
275-0815
|
Recirculation flap retainer |
$26.84
|
1 |
|
usually ships 1-5 days |
7 |
999-0779
|
Screw M6-1 x 25mm hex head plain finish |
$0.99
|
1 |
|
ships same day |
8 |
175-5303
|
Coil link chain |
$8.25
|
1 |
|
usually ships 1-5 days |
9 |
999-0123
|
Washer 1/4 SAE flat zinc plated |
$0.99
|
1 |
|
ships same day |
10 |
275-0816
|
Recirculation support bracket |
$38.39
|
1 |
|
usually ships 1-5 days |
11 |
275-0817
|
Thrust bearing |
$6.27
|
1 |
|
usually ships 10-13 days |
12 |
275-0818
|
Retainer strip |
$29.81
|
1 |
|
usually ships 1-5 days |
13 |
275-0819
|
Recirculation support weldment |
$58.08
|
1 |
|
usually ships 1-5 days |
14 |
275-0820
|
Bearing |
$5.28
|
2 |
|
usually ships 1-5 days |
15 |
275-0441
|
Recirculation adjustment lever |
$10.01
|
1 |
|
usually ships 1-5 days |
16 |
275-6932
|
Sleeve |
$5.28
|
1 |
|
usually ships 1-5 days |
17 |
275-0821
|
Sleeve |
$12.98
|
1 |
|
usually ships 1-5 days |
18 |
275-0066
|
Screw M8-1.25 x 80mm hex head 8.8 |
$5.28
|
1 |
|
usually ships 1-5 days |
19 |
999-0024
|
Washer 5/16 flat stainless steel |
$1.34
|
1 |
|
ships same day |
20 |
999-0471
|
Nut M8-1.25 nylon insert lock zinc plated |
$0.99
|
1 |
|
ships same day |
21 |
999-0497
|
Nut M6-1 nylon insert lock stainless steel |
$0.99
|
12 |
|
ships same day |
22 |
275-0432
|
Recirculation flap retainer |
$28.82
|
1 |
|
usually ships 10-13 days |
23 |
999-0549
|
Washer 5/16 x 3/4 SAE flat stainless steel |
$0.99
|
4 |
|
ships same day |
24 |
999-1168
|
Screw M6-1 x 20mm pan head phillips stainless steel |
$1.01
|
2 |
|
ships same day |
25 |
275-0448
|
Left hand side skirt |
$21.23
|
1 |
|
usually ships 10-13 days |
26 |
275-0449
|
Right hand side skirt |
$21.56
|
1 |
|
usually ships 10-13 days |
27 |
275-0823
|
Recirculation skirt |
$21.56
|
1 |
|
usually ships 10-13 days |
28 |
275-0824
|
Side skirt |
$17.49
|
2 |
|
usually ships 10-13 days |
29 |
275-0825
|
Recirculation skirt |
$49.83
|
1 |
|
usually ships 10-13 days |
N/S |
275-0822
|
Skirt kit |
$139.15
|
1 |
(Skirt kit) (includes 25-29) |
usually ships 1-5 days |