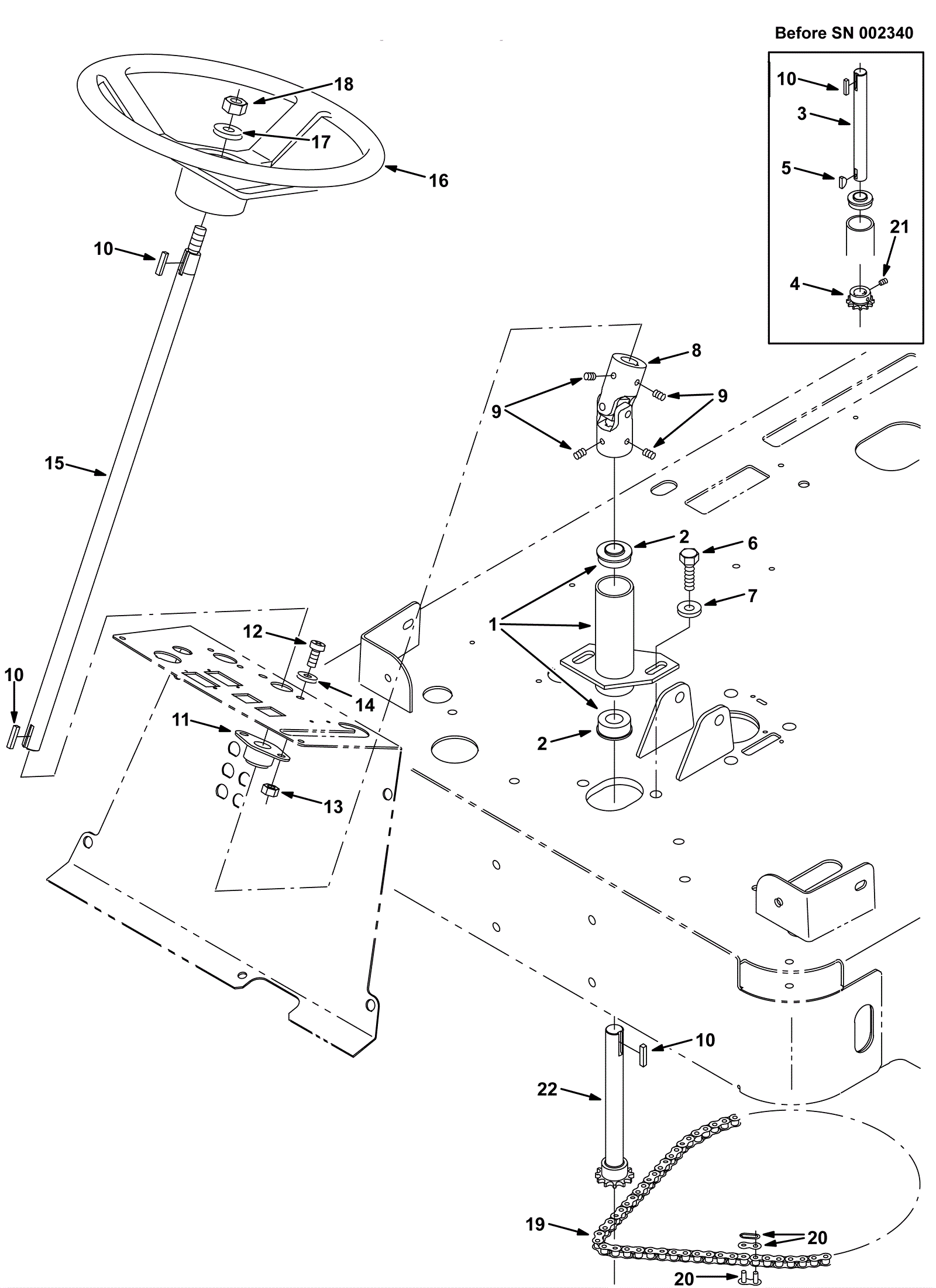
| # | Part | Description | Price | Req | Notes | Availability |
1 |
275-0669
|
Bearing housing assembly |
$104.61
|
1 |
(includes item 2) |
usually ships 1-5 days |
2 |
175-3195
|
Ball bearing |
$20.79
|
2 |
|
usually ships 10-13 days |
3 |
175-3196
|
Steering shaft |
$141.46
|
1 |
(before SN 002340) (replaced by 175-3196) |
usually ships 10-13 days |
4 |
175-3197
|
Sprocket |
$52.36
|
1 |
(before SN 002340) (replaced by 175-3196) |
usually ships 1-5 days |
5 |
175-3198
|
Woodruff key |
$4.49
|
1 |
(before SN 002340) |
usually ships 1-5 days |
6 |
275-0033
|
Screw M10-1.5 x 30mm hex head 8.8 |
$5.28
|
2 |
|
usually ships 1-5 days |
7 |
175-2305
|
Washer |
$5.28
|
2 |
|
ships same day |
8 |
275-5323
|
U joint |
$119.68
|
1 |
|
ships same day |
9 |
175-4926
|
Screw 5/16-18 x 3/8 set nylon lock |
$5.28
|
4 |
|
ships same day |
10 |
175-3200
|
Square keyway |
$4.49
|
4 |
|
ships same day |
11 |
175-3201
|
Flanged bearing |
$6.49
|
1 |
|
usually ships 10-13 days |
12 |
175-3202
|
Screw M8-1.25 x 20mm |
$4.49
|
2 |
|
usually ships 10-13 days |
13 |
999-0471
|
Nut M8-1.25 nylon insert lock zinc plated |
$0.99
|
2 |
|
ships same day |
14 |
999-0549
|
Washer 5/16 x 3/4 SAE flat stainless steel |
$0.99
|
2 |
|
ships same day |
15 |
175-3203
|
Upper steering shaft |
$231.22
|
1 |
|
usually ships 1-5 days |
16 |
275-4653
|
Steering wheel |
$163.46
|
1 |
|
usually ships 10-13 days |
17 |
999-0187
|
Washer 1/2 flat plain finish |
$0.99
|
1 |
|
ships same day |
18 |
999-0519
|
Nut M12-1.75 nylon insert lock stainless steel |
$3.85
|
1 |
|
ships same day |
19 |
275-0671
|
#35 roller chain |
$22.22
|
1 |
|
usually ships 10-13 days |
20 |
175-3207
|
Master link |
$5.28
|
1 |
|
usually ships 10-13 days |
21 |
175-9930
|
Screw 1/4-20 x 1/4 aluminum set |
$5.50
|
2 |
|
usually ships 1-5 days |
22 |
175-3196
|
Steering shaft |
$141.46
|
1 |
|
usually ships 10-13 days |