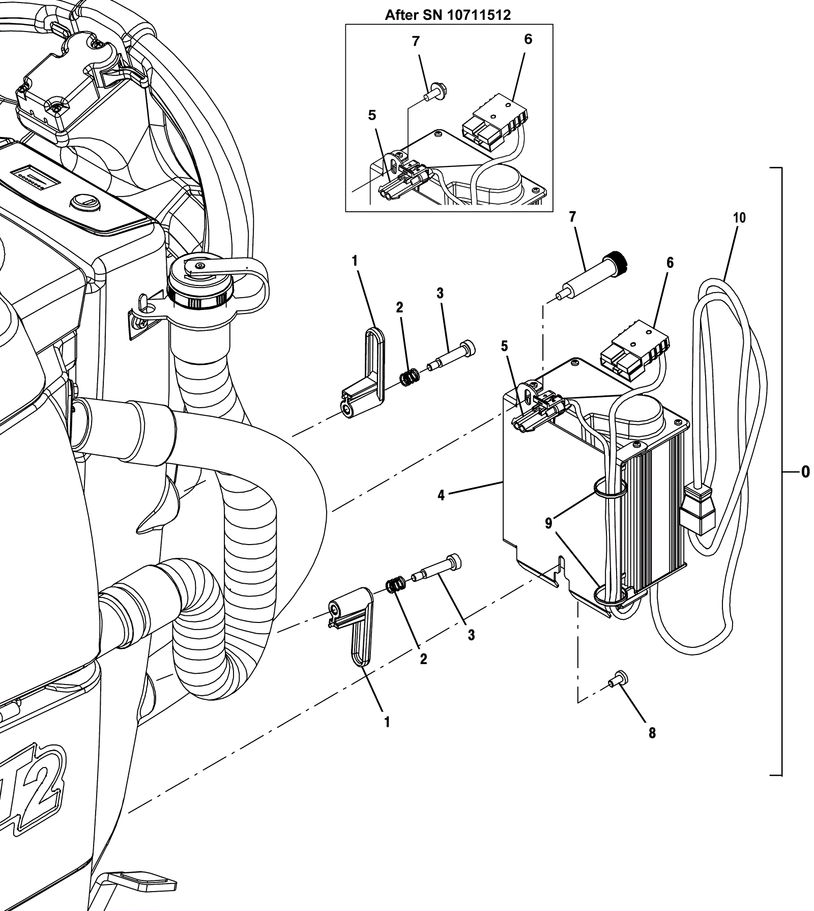
| # | Part | Description | Price | Req | Notes | Availability |
0 |
275-6482
|
24V onboard battery charger kit |
$757.79
|
1 |
(includes 1-10) |
usually ships 10-13 days |
1 |
175-7509
|
Cord hook |
$9.13
|
2 |
|
usually ships 10-13 days |
2 |
175-7507
|
Compression spring |
$4.49
|
2 |
|
ships same day |
3 |
175-9855
|
Bolt M6-.8 x 30mm shield |
$8.25
|
2 |
|
usually ships 10-13 days |
4 |
275-6482
|
24V onboard battery charger kit |
$757.79
|
1 |
|
usually ships 10-13 days |
5 |
275-6484
|
Cap connector |
$6.71
|
1 |
|
usually ships 1-5 days |
6 |
991-9284
|
50amp charger plug SB50 with pins (red) |
$6.47
|
1 |
|
ships same day |
7b |
999-1383
|
Screw M6-1 x 16mm hex head stainless steel |
$3.96
|
1 |
(after SN 10711512) |
ships same day |
8 |
999-1041
|
Screw M6-1 x 12mm pan head phillips stainless steel |
$0.99
|
1 |
|
ships same day |
9 |
175-7795
|
Cable tie |
$5.15
|
2 |
|
ships same day |
10a |
275-6488
|
16/3 power cord 8 foot |
$54.01
|
1 |
|
usually ships 10-13 days |
10b |
164-6477
|
Onboard charger extension cord |
$32.26
|
1 |
|
ships same day |