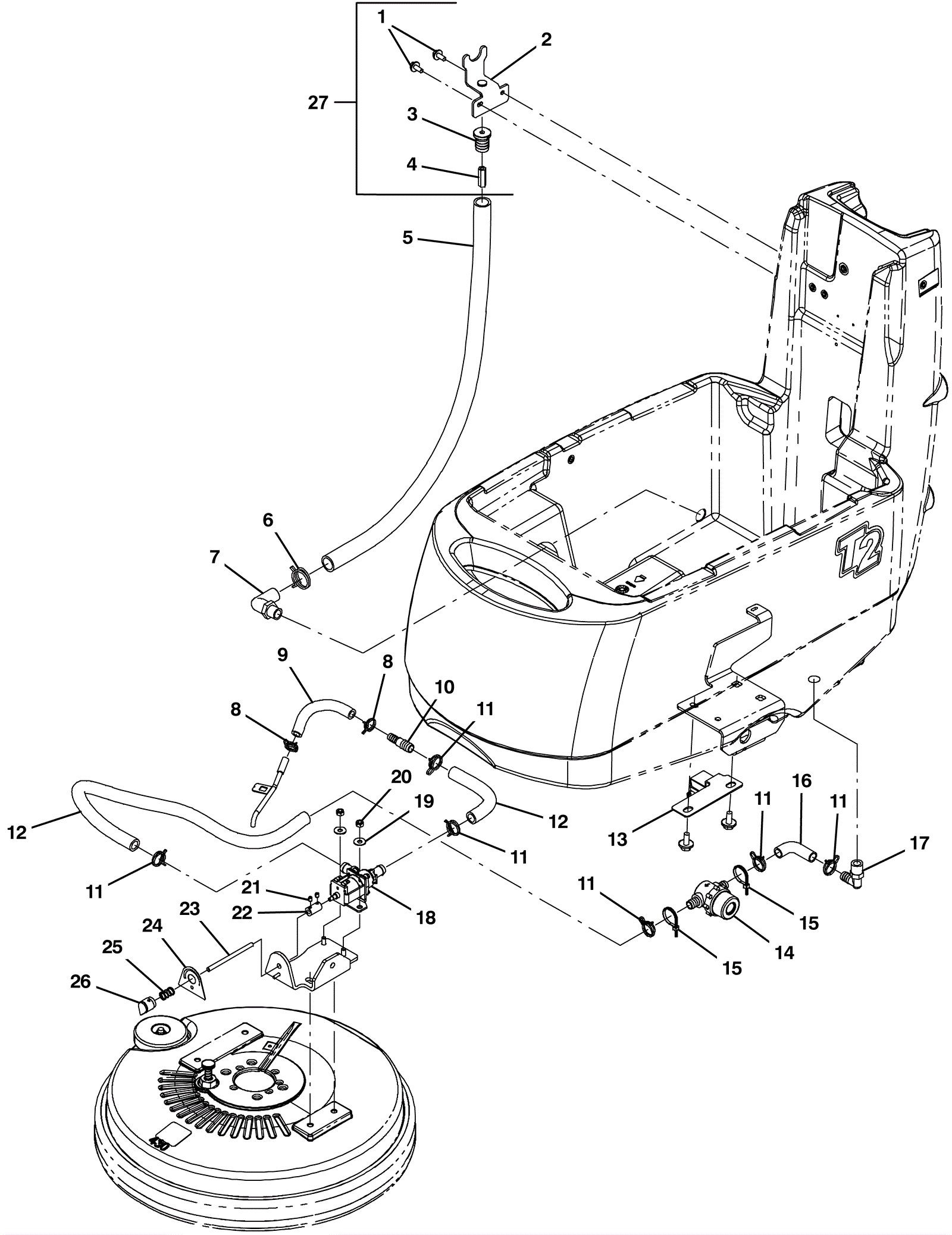
| # | Part | Description | Price | Req | Notes | Availability |
1 |
999-1383
|
Screw M6-1 x 16mm hex head stainless steel |
$3.96
|
3 |
|
ships same day |
2 |
N/A
|
Not available |
Call for price
|
1 |
(Squeegee hanger bracket) (only available in kit 275-6737) |
usually ships 3-26 days |
3 |
275-5871
|
Plastic fitting |
$4.49
|
1 |
|
usually ships 10-13 days |
4 |
275-5085
|
Nut M6-1 x 16 hex head stainless steel |
$3.30
|
1 |
|
ships same day |
5 |
275-6478
|
Solution tank drain hose |
$37.40
|
1 |
|
usually ships 10-13 days |
6 |
175-2678
|
Hose clamp |
$5.28
|
1 |
|
usually ships 10-13 days |
7 |
275-2228
|
90 degree elbow plastic fitting |
$9.84
|
1 |
|
usually ships 1-5 days |
8 |
175-3671
|
Hose clamp |
$5.28
|
2 |
|
usually ships 10-13 days |
9 |
175-8977
|
1 foot hose (OBSOLETE) |
$15.07
|
1 |
|
usually ships 10-13 days |
10 |
175-6956
|
Plastic strainer fitting |
$5.28
|
1 |
|
usually ships 10-13 days |
11 |
375-0291
|
Hose clamp |
$5.28
|
6 |
|
ships same day |
12 |
275-1537
|
45 inch vinyl tubing |
$39.71
|
1 |
|
ships same day |
13 |
275-6479
|
Filter mounting bracket |
$33.55
|
1 |
(before SN 10711515) |
usually ships 1-5 days |
14a |
275-6480
|
Inline filter |
$22.44
|
1 |
(includes 14b-14d) |
usually ships 10-13 days |
14b |
175-5867
|
Filter gasket |
$7.04
|
1 |
|
ships same day |
14c |
175-5866
|
Mesh filter screen |
$13.31
|
1 |
(OEM) |
ships same day |
14d |
991-8569
|
Mesh filter screen stainless steel |
$5.24
|
1 |
(NON-OEM) |
usually ships 18-24 days |
14e |
175-5868
|
Short clear filter bowl |
$19.80
|
1 |
(OEM) |
ships same day |
14f |
991-8575
|
Short bowl (clear) |
$14.50
|
1 |
(NON-OEM) |
ships same day |
15 |
175-7795
|
Cable tie |
$5.15
|
2 |
|
ships same day |
16 |
275-6481
|
PVC hose |
$14.19
|
1 |
|
usually ships 10-13 days |
17 |
175-3685
|
90 degree elbow fitting |
$6.49
|
1 |
|
ships same day |
18a |
175-7884
|
24V solution solenoid valve assembly |
$167.42
|
1 |
(includes 18b) |
usually ships 1-5 days |
18b |
175-8698
|
Solenoid valve rebuild kit (internal parts) |
$124.19
|
1 |
|
ships same day |
19 |
999-0335
|
Washer 1/4 x 5/8 SAE flat stainless steel |
$0.99
|
2 |
|
ships same day |
20 |
999-0497
|
Nut M6-1 nylon insert lock stainless steel |
$0.99
|
2 |
|
ships same day |
21 |
175-9317
|
Screw #10 set |
$4.49
|
2 |
|
usually ships 10-13 days |
22 |
175-9029
|
Coupling |
$34.43
|
1 |
|
usually ships 10-13 days |
23 |
275-6477
|
Water valve rod |
$17.16
|
1 |
|
usually ships 1-5 days |
24 |
175-7885
|
Solution flow operation decal |
$8.80
|
1 |
|
ships same day |
25 |
175-7931
|
Compression spring |
$5.28
|
1 |
|
ships same day |
26 |
175-9027
|
Solution control knob |
$17.71
|
1 |
|
usually ships 10-13 days |
27 |
275-6737
|
Squeegee hose bracket kit |
$64.68
|
1 |
(includes 1-4) |
usually ships 10-13 days |