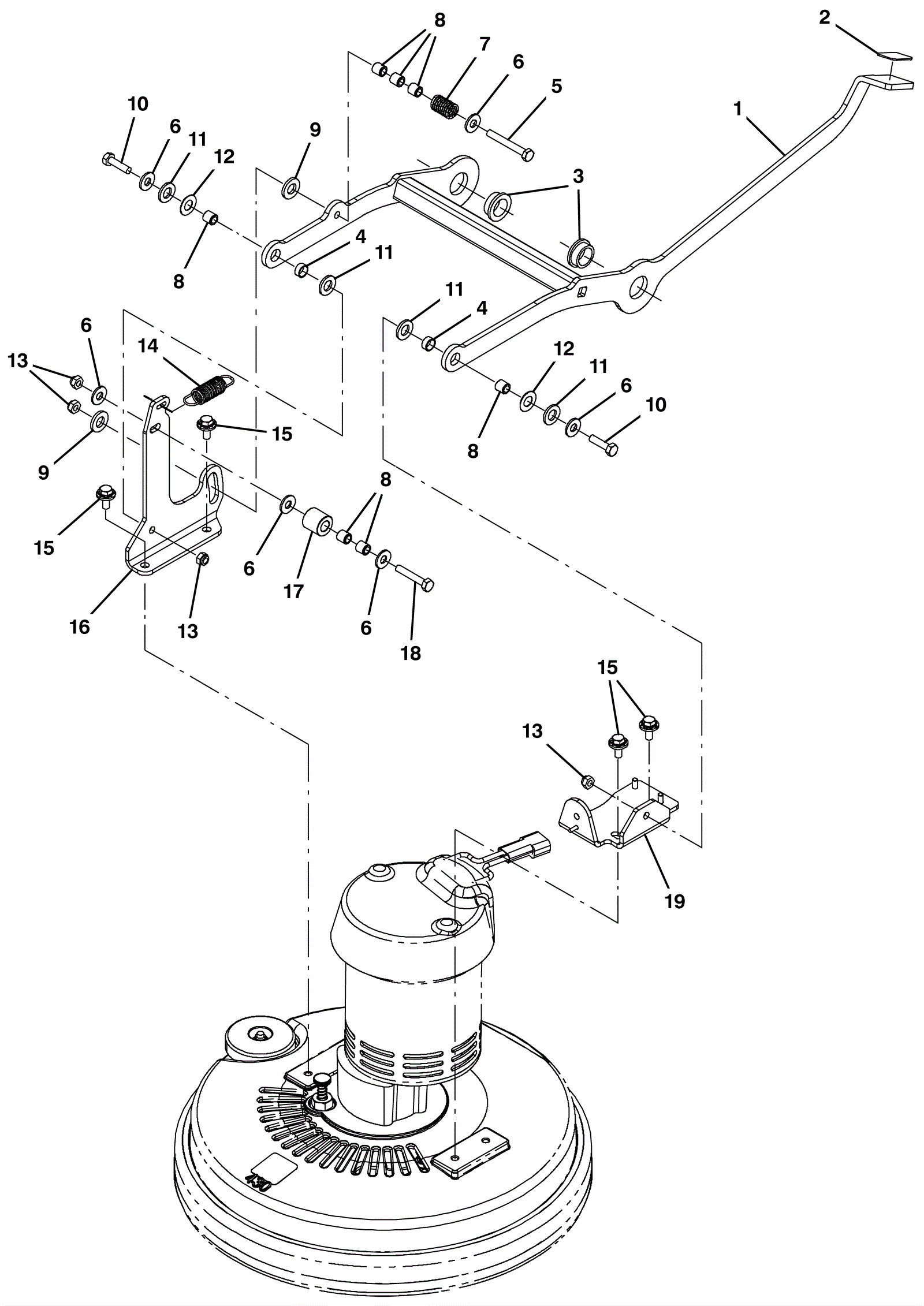
| # | Part | Description | Price | Req | Notes | Availability |
1 |
275-6448
|
Scrub head lift weldment |
$811.58
|
1 |
(includes 2-4) |
usually ships 10-13 days |
2 |
175-7904
|
Adhesive non-slip pad |
$5.28
|
1 |
|
usually ships 10-13 days |
3 |
275-6449
|
Flanged bushing |
$24.09
|
2 |
|
usually ships 1-5 days |
4 |
175-4720
|
Bearing |
$10.67
|
2 |
|
usually ships 10-13 days |
5 |
999-1155
|
Screw M8-1.25 x 60mm hex head |
$1.87
|
1 |
|
ships same day |
6 |
999-9097
|
Washer M8 flat stainless steel |
$0.99
|
6 |
|
ships same day |
7 |
175-0944
|
Spring |
$10.23
|
1 |
|
usually ships 10-13 days |
8 |
175-2249
|
Sleeve |
$4.22
|
7 |
|
ships same day |
9 |
175-0939
|
Thrust washer |
$5.50
|
2 |
|
ships same day |
10 |
999-0785
|
Screw M8-1.25 x 30mm hex head stainless steel |
$2.24
|
2 |
|
ships same day |
11 |
999-9214
|
Washer M8 flat nylon |
$0.99
|
4 |
|
ships same day |
12 |
999-1156
|
Washer M12-.7 nylon |
$5.28
|
2 |
|
ships same day |
13 |
999-0496
|
Nut M8-1.25 nylon insert lock stainless steel |
$1.98
|
4 |
|
ships same day |
14 |
175-7925
|
Extension spring |
$5.50
|
1 |
|
usually ships 10-13 days |
15 |
275-4736
|
Screw M8-1.25 x 20mm hex washer head stainless steel SEMS |
$4.49
|
4 |
|
ships same day |
16 |
275-6450
|
Roller head mounting bracket |
$22.88
|
1 |
|
usually ships 1-5 days |
17 |
175-7911
|
Roller |
$10.67
|
1 |
|
usually ships 10-13 days |
18 |
175-2854
|
Screw M8-1.25 x 45mm hex head stainless steel |
$5.28
|
1 |
|
ships same day |
19 |
275-6451
|
Scrub head and water valve mounting bracket |
$39.71
|
1 |
|
usually ships 1-5 days |