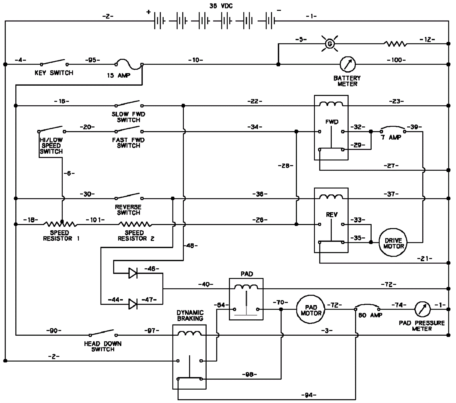
Ladder Diagram - Drive Model/BR-2500
Click to enlarge