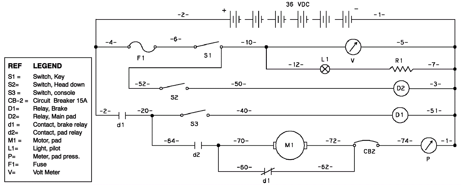
Ladder Diagram - Push Model
Click to enlarge