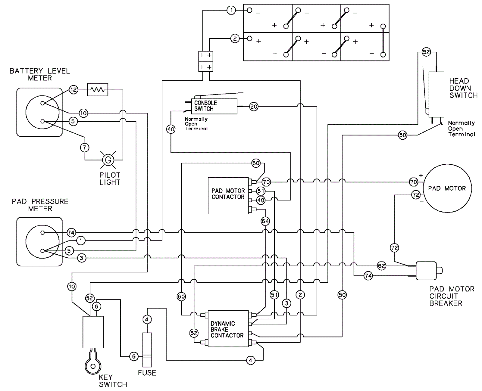
Wiring Diagram - Push Model
Click to enlarge