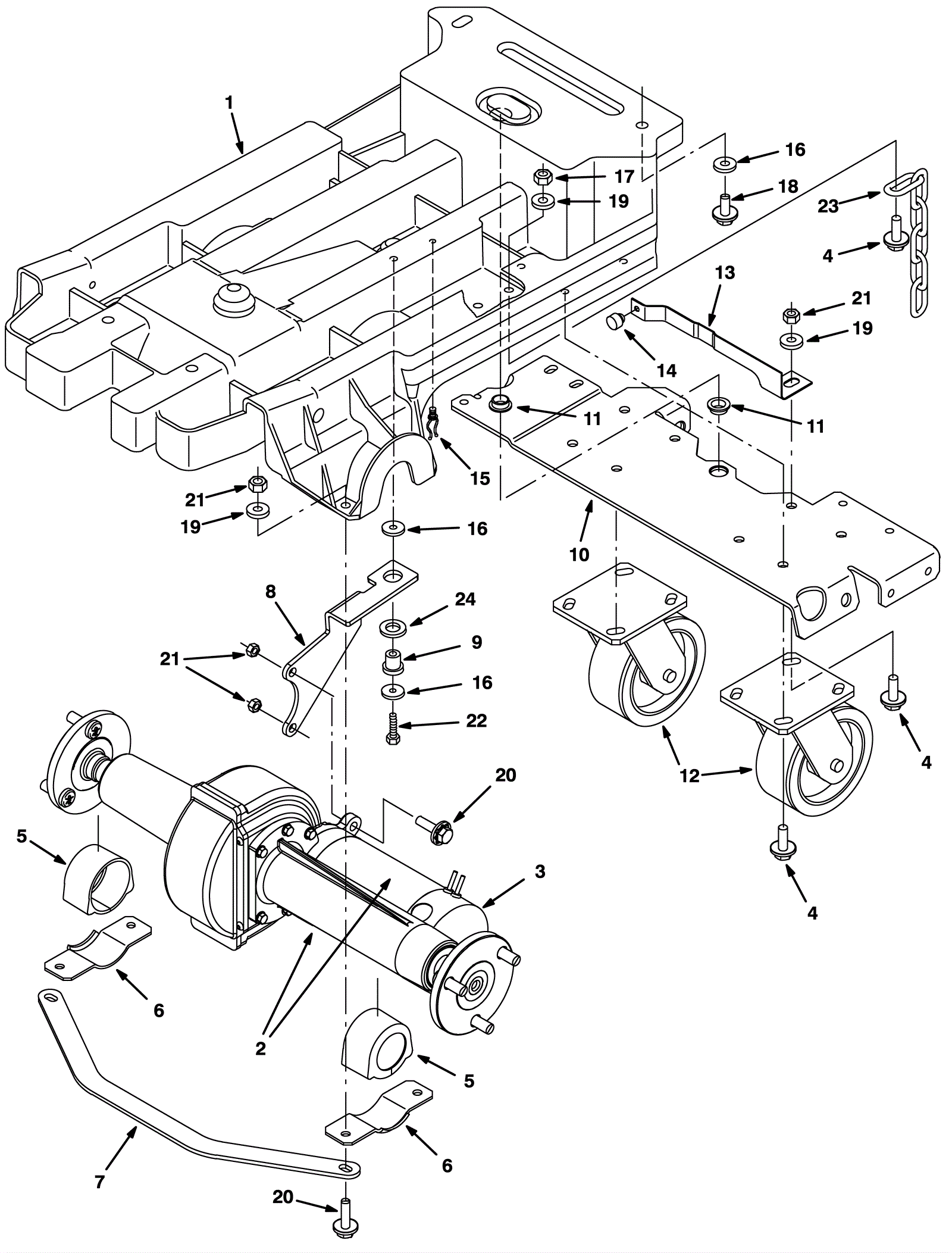
| # | Part | Description | Price | Req | Notes | Availability |
1 |
175-2088
|
Chassis (OBSOLETE) |
$698.28
|
1 |
(after SN 9999999) |
usually ships 10-13 days |
2 |
375-1141
|
Transaxle assembly with motor |
$2,171.18
|
1 |
(after SN 10705714) (includes 3a - 3c) |
usually ships 10-13 days |
3a |
375-1142
|
Transaxle motor |
$628.21
|
1 |
(after SN 10705714) (includes 3b) |
ships same day |
3b |
375-1143
|
Carbon brush kit |
$69.74
|
1 |
(after SN 10705714) |
usually ships 10-13 days |
3c |
175-3655
|
Transaxle coupling |
$10.78
|
1 |
(after SN 10705714) |
usually ships 10-13 days |
4 |
999-0785
|
Screw M8-1.25 x 30mm hex head stainless steel |
$2.24
|
9 |
(after SN 9999999) |
ships same day |
5 |
175-2091
|
Transaxle isolator |
$16.28
|
2 |
(after SN 9999999) |
usually ships 10-13 days |
6 |
175-2092
|
Isolator bracket |
$20.46
|
2 |
(after SN 9999999) |
ships same day |
7 |
175-2428
|
Frame support bracket |
$46.75
|
1 |
(after SN 9999999) |
usually ships 1-5 days |
8 |
375-1144
|
Transaxle mounting bracket |
$27.83
|
1 |
(after SN 10705714) |
usually ships 10-13 days |
9 |
175-2429
|
Vibration isolator |
$15.40
|
1 |
(after SN 9999999) |
usually ships 10-13 days |
10 |
175-2430
|
Caster bracket |
$162.58
|
1 |
(after SN 9999999) |
usually ships 10-13 days |
11 |
175-2099
|
Flanged bushing |
$10.01
|
2 |
(after SN 9999999) |
usually ships 10-13 days |
12a |
175-2100
|
5 inch caster wheel assembly (gray) |
$118.14
|
2 |
(after SN 9999999) |
usually ships 10-13 days |
12b |
991-2011
|
Caster wheel assembly |
$103.56
|
2 |
(NON-OEM) |
usually ships 14-20 days |
13 |
175-2097
|
Flat centering spring |
$41.47
|
1 |
(after SN 9999999) |
usually ships 10-13 days |
14 |
175-2101
|
Rubber bumper cap |
$4.62
|
1 |
(after SN 9999999) |
ships same day |
15 |
175-2095
|
Keeper clip |
$4.22
|
1 |
(after SN 9999999) |
usually ships 10-13 days |
16 |
275-1169
|
Washer .40 x 12mm flat |
$6.27
|
4 |
(after SN 9999999) |
ships same day |
17 |
999-0496
|
Nut M8-1.25 nylon insert lock stainless steel |
$1.34
|
1 |
(after SN 9999999) |
ships same day |
18 |
275-4736
|
Screw M8-1.25 x 20mm hex washer head stainless steel SEMS |
$4.49
|
4 |
(after SN 9999999) |
ships same day |
19 |
999-0355
|
Washer 3/8 x 7/8 SAE flat stainless steel |
$0.99
|
16 |
(after SN 9999999) |
ships same day |
20 |
999-1653
|
Screw M8-1.25 x 30mm hex head stainless steel |
$4.36
|
6 |
(after SN 9999999) |
ships same day |
21 |
999-0496
|
Nut M8-1.25 nylon insert lock stainless steel |
$1.34
|
8 |
(after SN 9999999) |
ships same day |
22 |
999-0786
|
Screw M8-1.25 x 35mm hex head stainless steel |
$1.12
|
1 |
(after SN 9999999) |
ships same day |
23 |
175-2094
|
Chain |
$8.25
|
1 |
(after SN 9999999) |
usually ships 10-13 days |
24 |
999-0630
|
Washer 3/4 SAE flat |
$0.99
|
1 |
(after SN 9999999) |
ships same day |