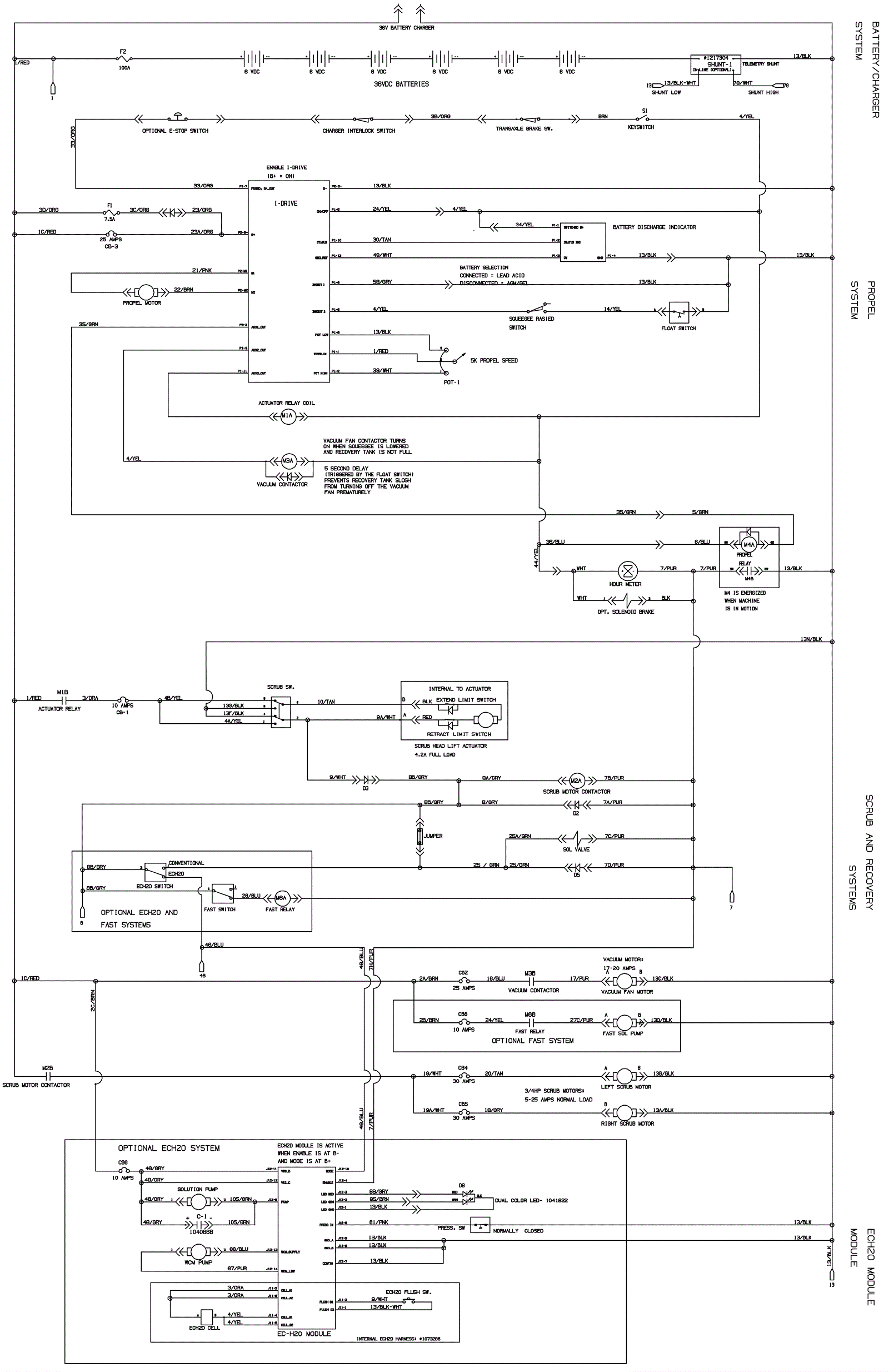
Wiring Diagram - Standard, FaST and ec-H2O - After SN 10740686
Click to enlarge