5680
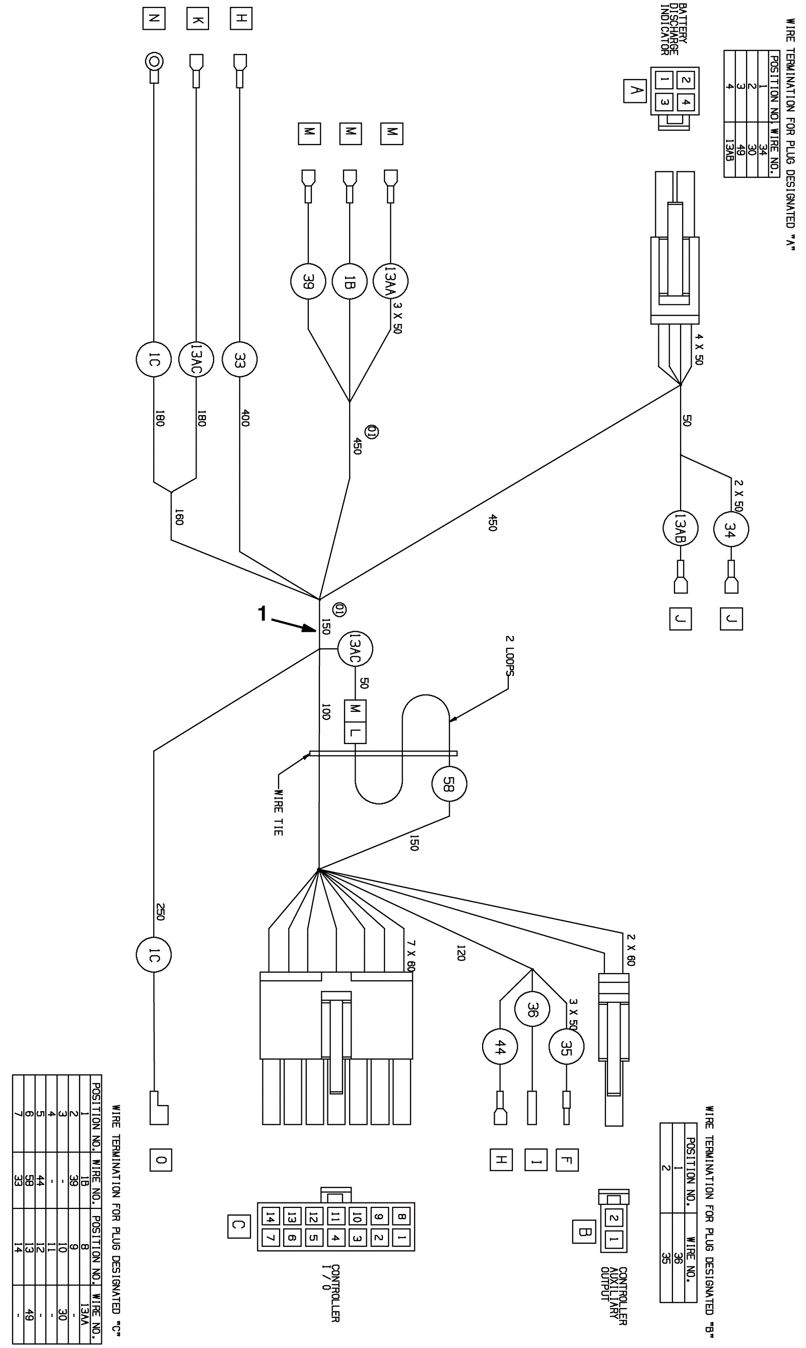
Wiring Harness - Drive Adapter - After SN 10714324
Click to enlarge
#
Part
Description
Price
Req
Notes
Availability
1
375-1160
Drive adapter wiring harness
$220.22
1
usually ships 10-13 days