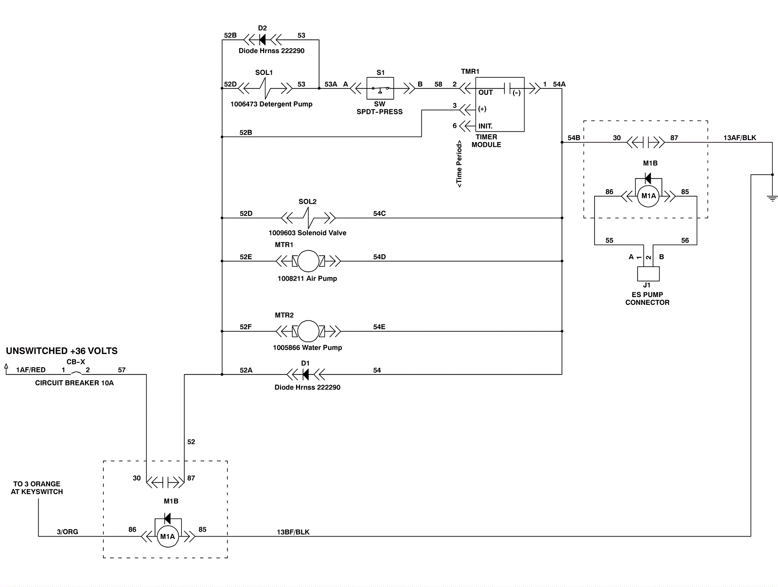
FaST Electrical Diagram - before SN 10404792
Click to enlarge